GM Service Manual Online
For 1990-2009 cars only

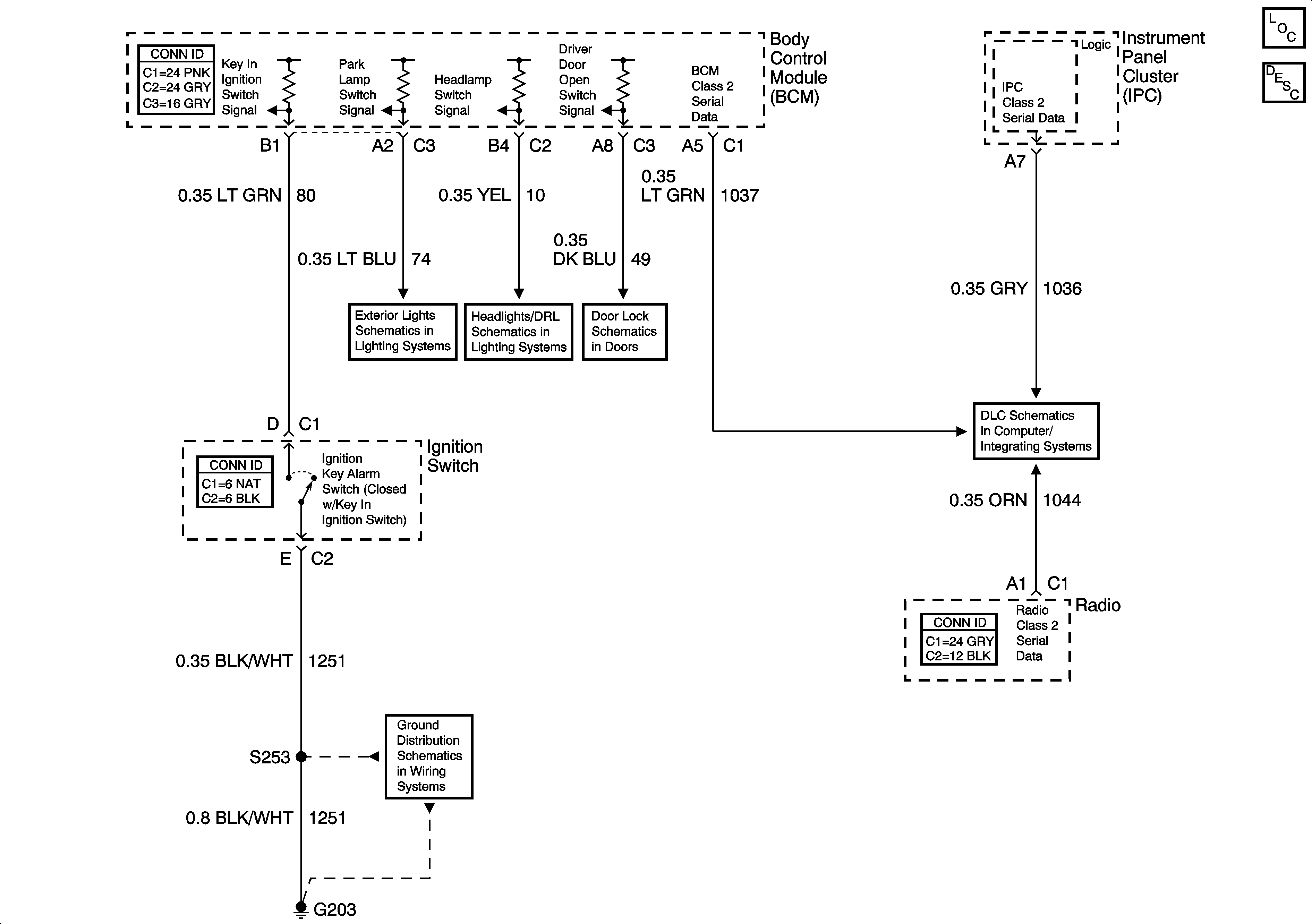
Object Number: 1551505  Size: FS
Master Electrical Component List
Audible Warnings Description and Operation
Park Lamps (Impala)
Indicators and Lamp Control
Door Open Switches - Left
DLC
G203 - 1 of 3