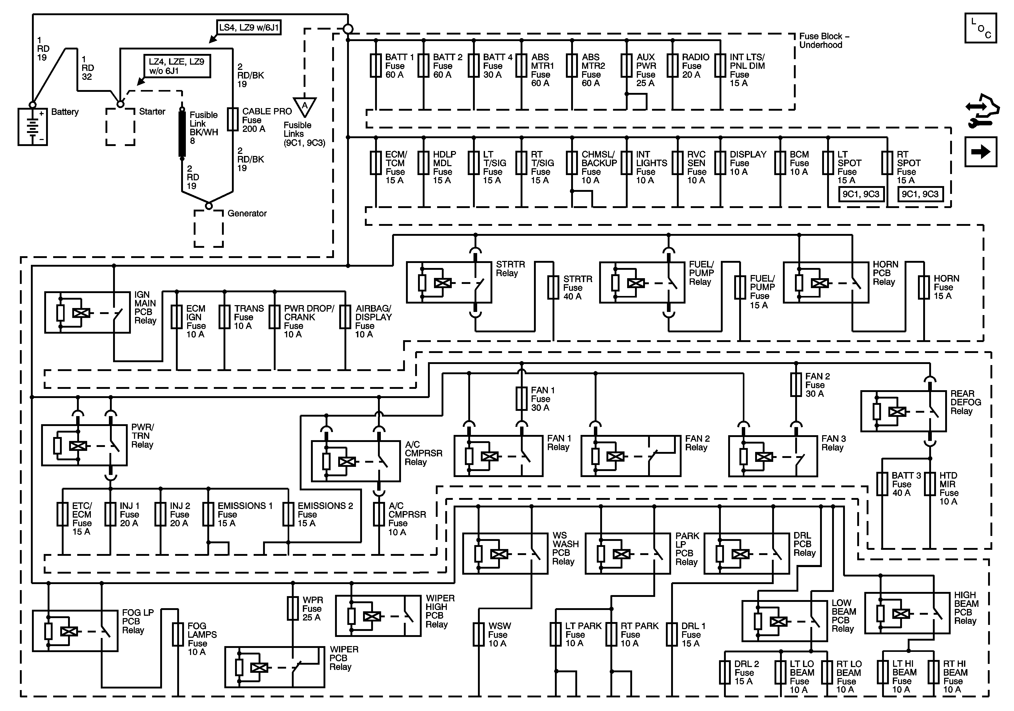
GM Service Manual Online
For 1990-2009 cars only
Figure 1:

Fuse Block - Underhood Bussing


Object Number: 1648263  Size: FS
Master Electrical Component List
Control Module References
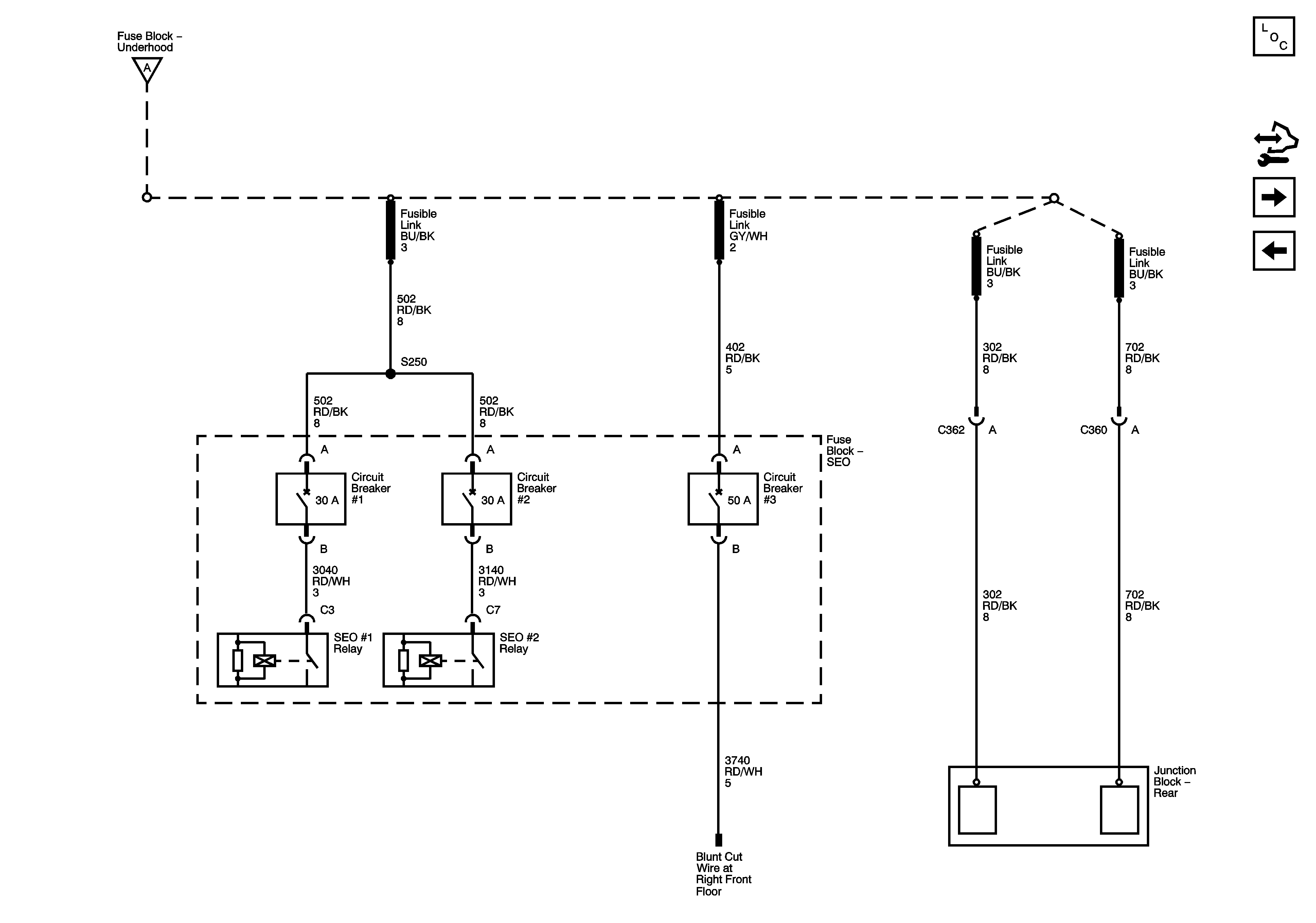
SEO 9C1, 9C3
SEO 9C1, 9C3
Figure 2:

SEO 9C1, 9C3


Object Number: 1648276  Size: FS
Master Electrical Component List
Control Module References
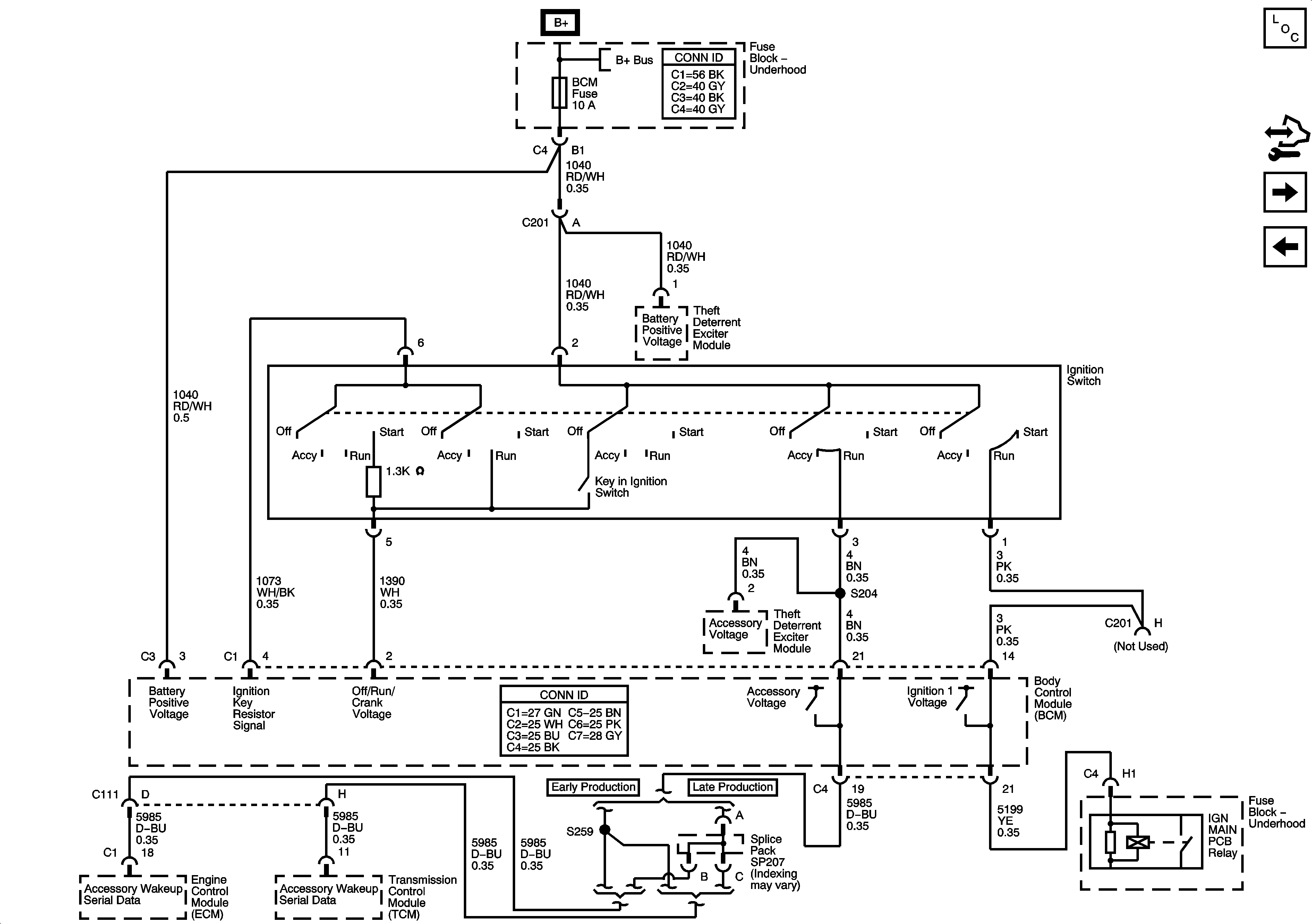
Ignition Switch
Fuse Block - Underhood Bussing
Fuse Block - Underhood Bussing
Figure 3:

Ignition Switch


Object Number: 1648282  Size: FS
Master Electrical Component List
Control Module References
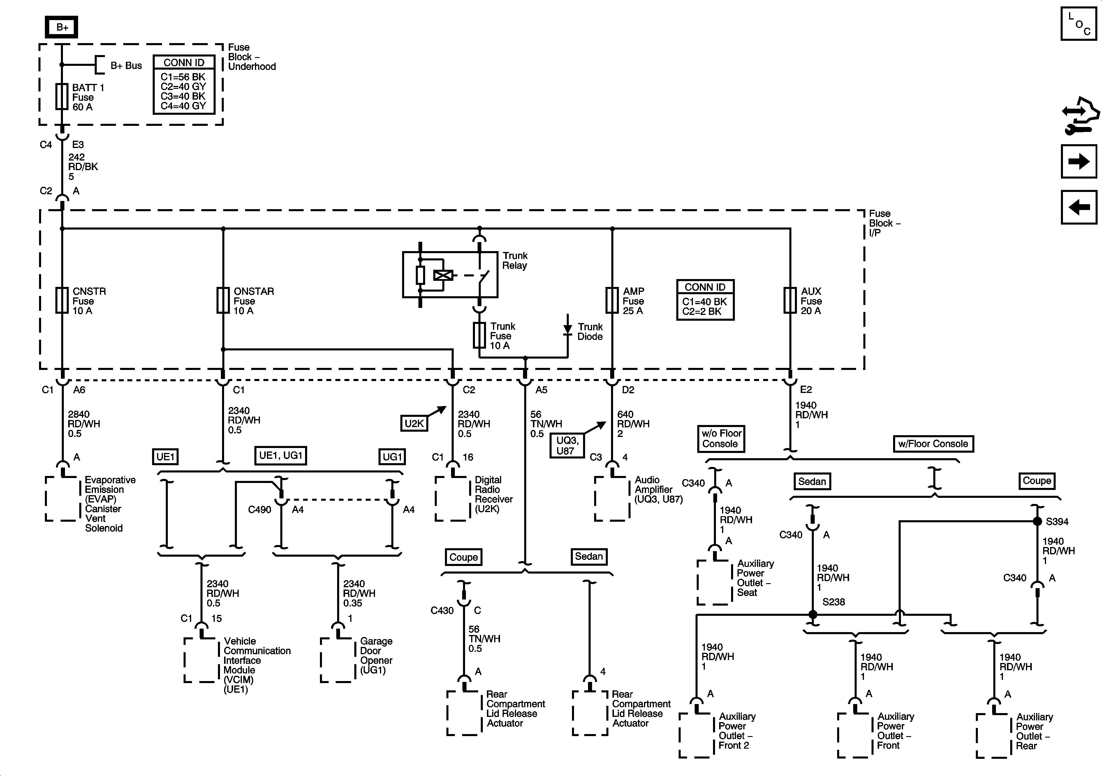
BATT 1, CNSTR, ONSTAR, AMP, and AUX Fuses
SEO 9C1, 9C3
Fuse Block - Underhood Bussing
Fuse Block - Underhood Bussing
Figure 4:

BATT 1, CNSTR, ONSTAR, TRUNK, AMP, AUX Fuses, and TRUNK Relay


Object Number: 1648286  Size: FS
Master Electrical Component List
Control Module References
BATT 2, HTD/SEAT, AIRBAG, PWR/MIR Fuses, and PWR/SEAT Circuit Breaker
Ignition Switch
Fuse Block - Underhood Bussing
Fuse Block - Underhood Bussing
Figure 5:

BATT 2, HTD/SEAT, AIRBAG, PWR/MIR Fuses, and PWR/SEAT Circuit Breaker


Object Number: 1648296  Size: FS
Master Electrical Component List
Control Module References
S/ROOF, DR/LCK, RAP MISC Fuses, RAP Relay, DOOR UNLOCK PCB Relay - Driver, DOOR UNLOCK PCB Relay, and DOOR LOCK PCB Relay
BATT 1, CNSTR, ONSTAR, AMP, and AUX Fuses
Fuse Block - Underhood Bussing
Fuse Block - Underhood Bussing
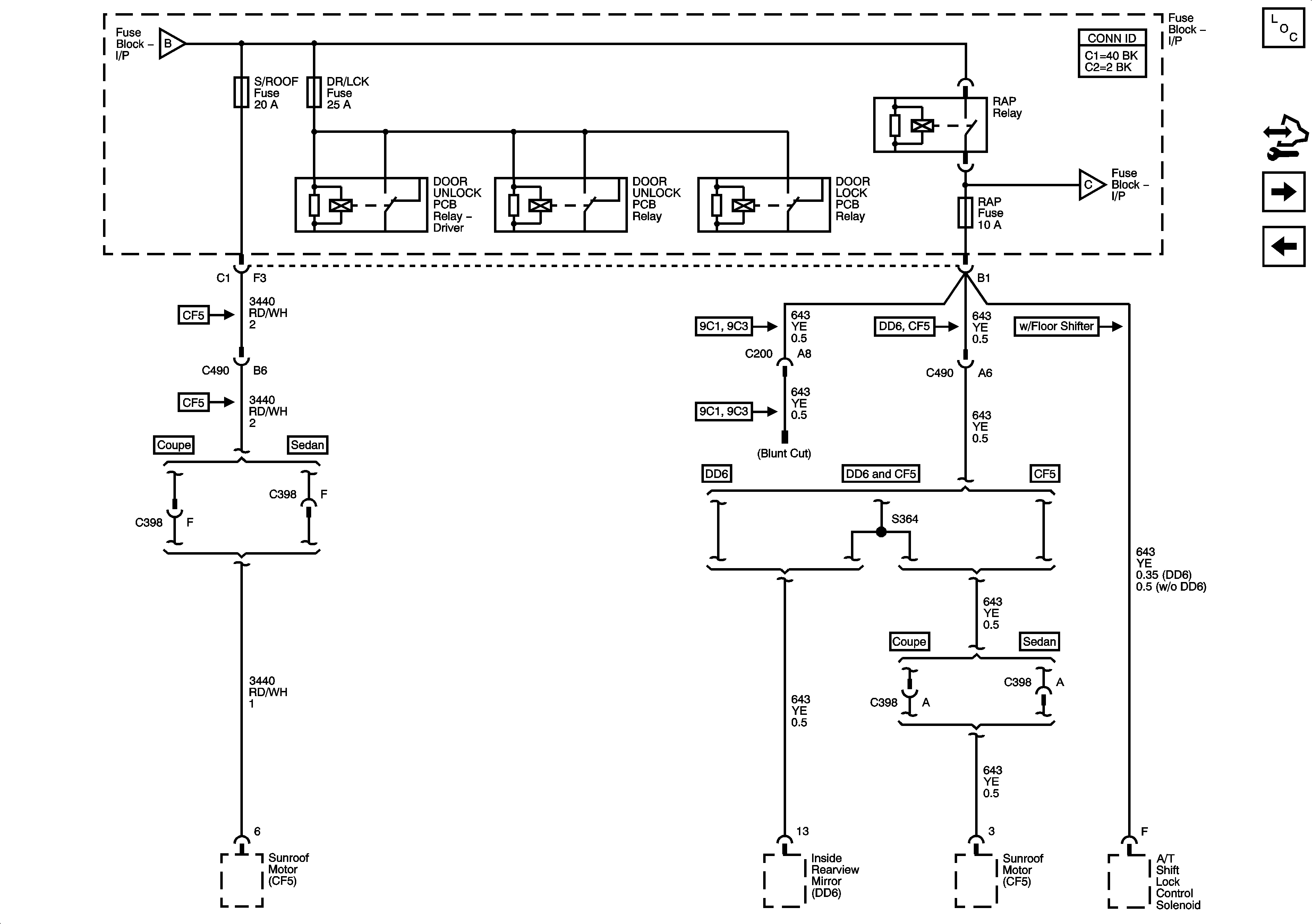
S/ROOF, DR/LCK, RAP MISC Fuses, RAP Relay, DOOR UNLOCK PCB Relay - Driver, DOOR UNLOCK PCB Relay, and DOOR LOCK PCB Relay
Power and Grounding Schematic Icons
Power and Grounding Schematic Icons
Figure 6:

S/ROOF, DR/LCK, RAP MISC Fuses and RAP Relay, DOOR UNLOCK PCB Relay - Driver, DOOR UNLOCK PCB Relay, and DOOR LOCK PCB Relay


Object Number: 1648329  Size: FS
Master Electrical Component List
Control Module References
BATT 4, ABS MTR 1, ABS MTR 2, AUX PWR, RADIO Fuses, and PWR/WNDW Circuit Breaker
BATT 2, HTD/SEAT, AIRBAG, PWR/MIR Fuses, and PWR/SEAT Circuit Breaker
BATT 2, HTD/SEAT, AIRBAG, PWR/MIR Fuses, and PWR/SEAT Circuit Breaker
BATT 4, ABS MTR 1, ABS MTR 2, AUX PWR, RADIO Fuses, and PWR/WNDW Circuit Breaker
Figure 7:

BATT 4, ABS MTR 1, ABS MTR 2, AUX PWR, Radio Fuses, and PWR/WNDW Circuit Breaker


Object Number: 1648349  Size: FS
Master Electrical Component List
Control Module References
INT LTS/PNL DIM, LT T/SIG RT T/SIG, CHMSL/BACKUP, INT LIGHTS, RVC SEN, and ECM/TCM Fuses
S/ROOF, DR/LCK, RAP MISC Fuses, RAP Relay, DOOR UNLOCK PCB Relay - Driver, DOOR UNLOCK PCB Relay, and DOOR LOCK PCB Relay
S/ROOF, DR/LCK, RAP MISC Fuses, RAP Relay, DOOR UNLOCK PCB Relay - Driver, DOOR UNLOCK PCB Relay, and DOOR LOCK PCB Relay
Fuse Block - Underhood Bussing
Fuse Block - Underhood Bussing
Sedan
Figure 8:

INT LTS/PNL DIM, LT T/SIG, RT T/SIG, CHMSL/BACKUP, INT LIGHTS, RVC SEN, and ECM/TCM Fuses


Object Number: 1648305  Size: FS
Master Electrical Component List
Control Module References
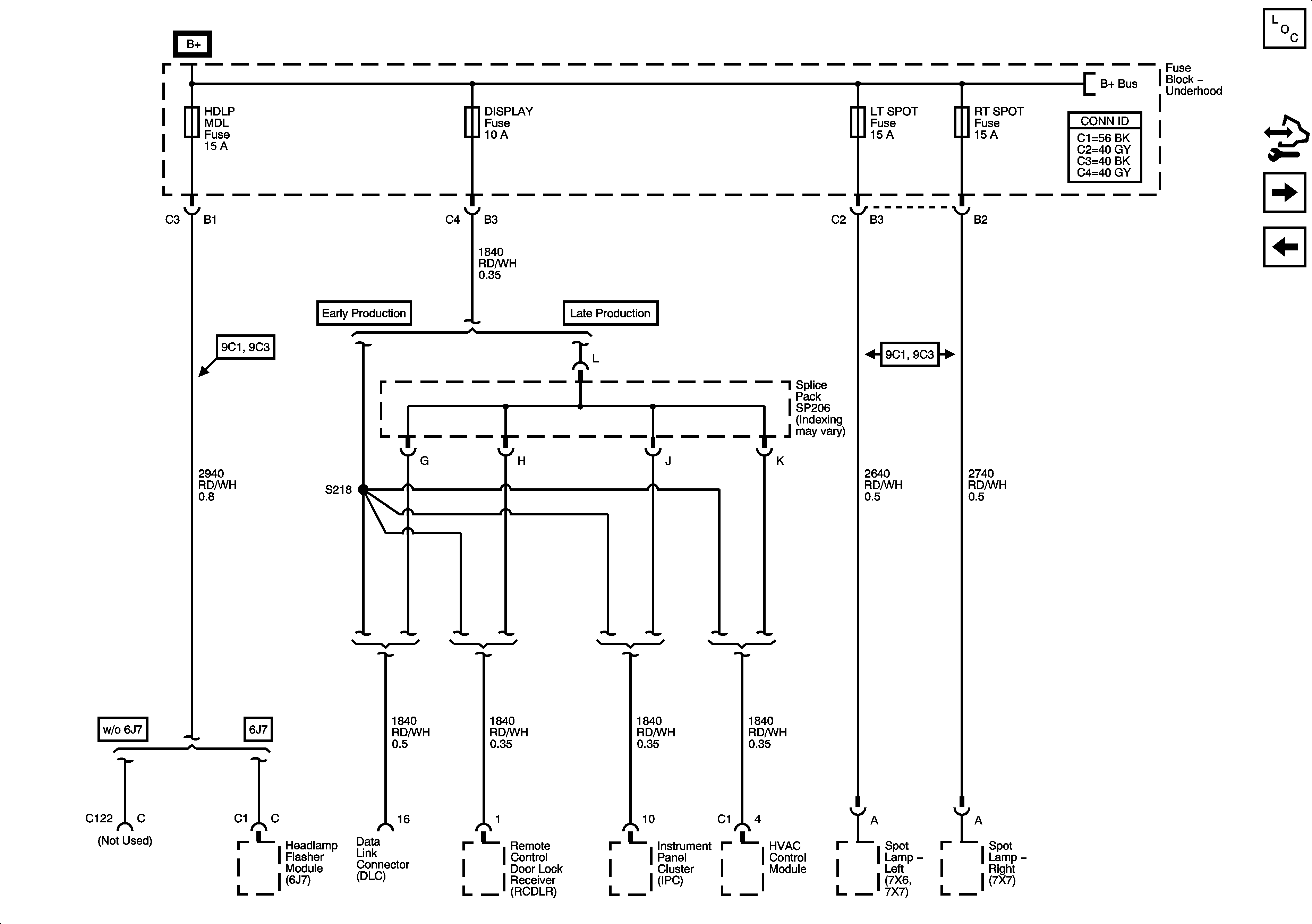
HDLP MDL, DISPLAY, LT SPOT, and RT SPOT Fuses
BATT 4, ABS MTR 1, ABS MTR 2, AUX PWR, RADIO Fuses, and PWR/WNDW Circuit Breaker
Fuse Block - Underhood Bussing
Fuse Block - Underhood Bussing
Figure 9:

HDLP MDL, DISPLAY, LT SPOT, and RT SPOT Fuses


Object Number: 1648323  Size: FS
Master Electrical Component List
Control Module References
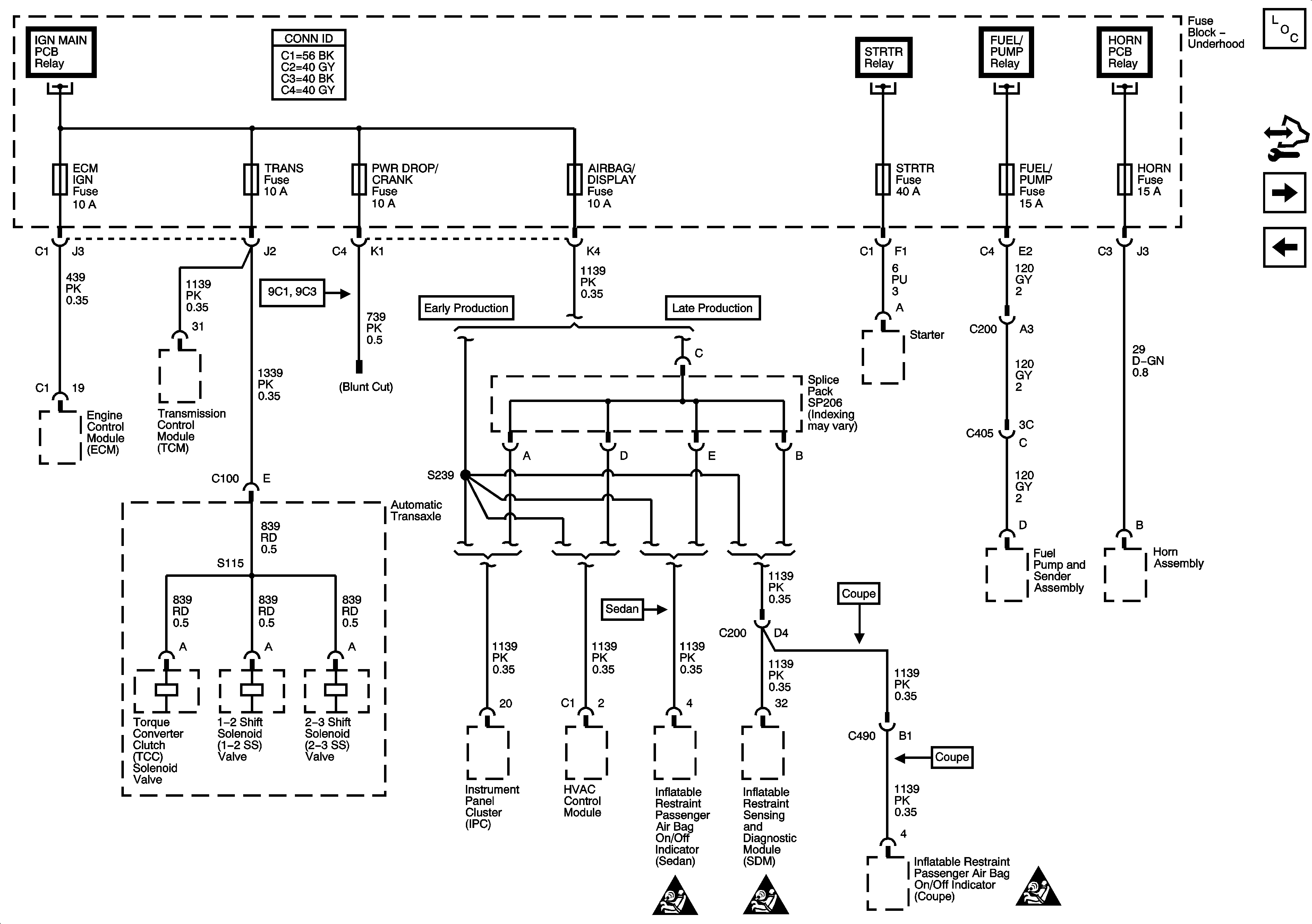
ECM IGN, TRANS, PWR DROP/CRANK, AIRBAG/DISPLAY, STRTR, FUEL/PUMP, and HORN Fuses
INT LTS/PNL DIM, LT T/SIG RT T/SIG, CHMSL/BACKUP, INT LIGHTS, RVC SEN, and ECM/TCM Fuses
Fuse Block - Underhood Bussing
Fuse Block - Underhood Bussing
Figure 10:

ECM IGN, TRANS, PWR DROP/CRANK, AIRBAG/DISPLAY, STRTR, FUEL/PUMP, and HORN Fuses


Object Number: 1648355  Size: FS
Master Electrical Component List
Control Module References
ETC/ECM, INJ 1, INJ 2 Fuses (LZE, LZ4, LZ9)
HDLP MDL, DISPLAY, LT SPOT, and RT SPOT Fuses
Fuse Block - Underhood Bussing
Fuse Block - Underhood Bussing
Fuse Block - Underhood Bussing
Fuse Block - Underhood Bussing
Power and Grounding Schematic Icons
Power and Grounding Schematic Icons
Power and Grounding Schematic Icons
Figure 11:

ETC/ECM, INJ 1, and INJ 2 Fuses (LZE, LZ4, LZ9)


Object Number: 1648365  Size: FS
Master Electrical Component List
Control Module References
ETC/ECM, INJ 1 and INJ 2 Fuses (LS4)
ECM IGN, TRANS, PWR DROP/CRANK, AIRBAG/DISPLAY, STRTR, FUEL/PUMP, and HORN Fuses
Fuse Block - Underhood Bussing
Fuse Block - Underhood Bussing
Figure 12:

ETC/ECM, INJ 1, and INJ 2 Fuses (LS4)


Object Number: 1648375  Size: FS
Master Electrical Component List
Control Module References
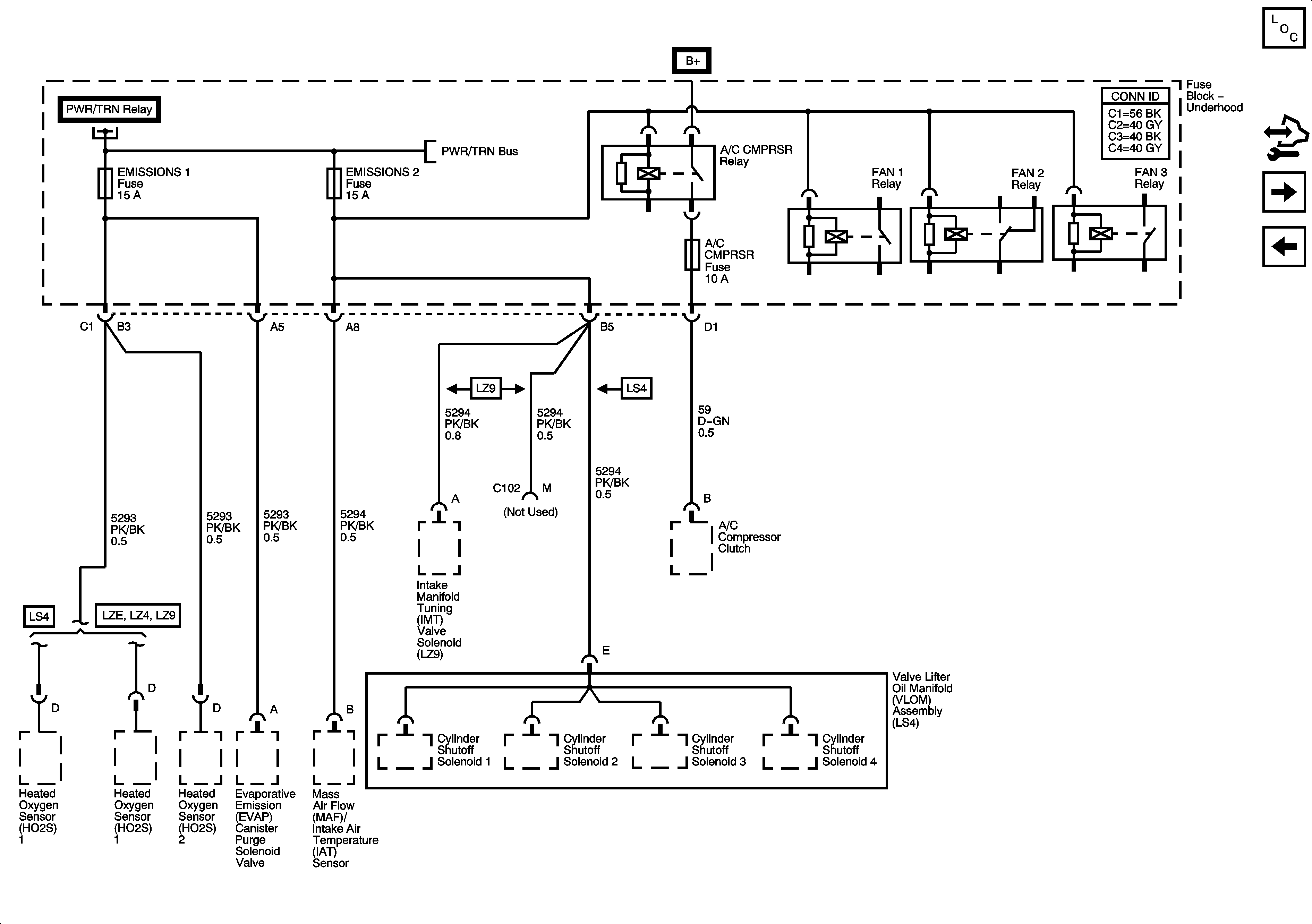
EMISSIONS 1, EMISSIONS 2, A/C CMPRSR Fuses, A/C CMPRSR, FAN 1, FAN 2, and FAN 3 Relays
ETC/ECM, INJ 1, INJ 2 Fuses (LZE, LZ4, LZ9)
Fuse Block - Underhood Bussing
Fuse Block - Underhood Bussing
Figure 13:

EMISSIONS 1, EMISSIONS 2, A/C CMPRSR Fuses, A/C CMPRSR, FAN 1, FAN 2, and FAN 3 Relays


Object Number: 1648379  Size: FS
Master Electrical Component List
Control Module References
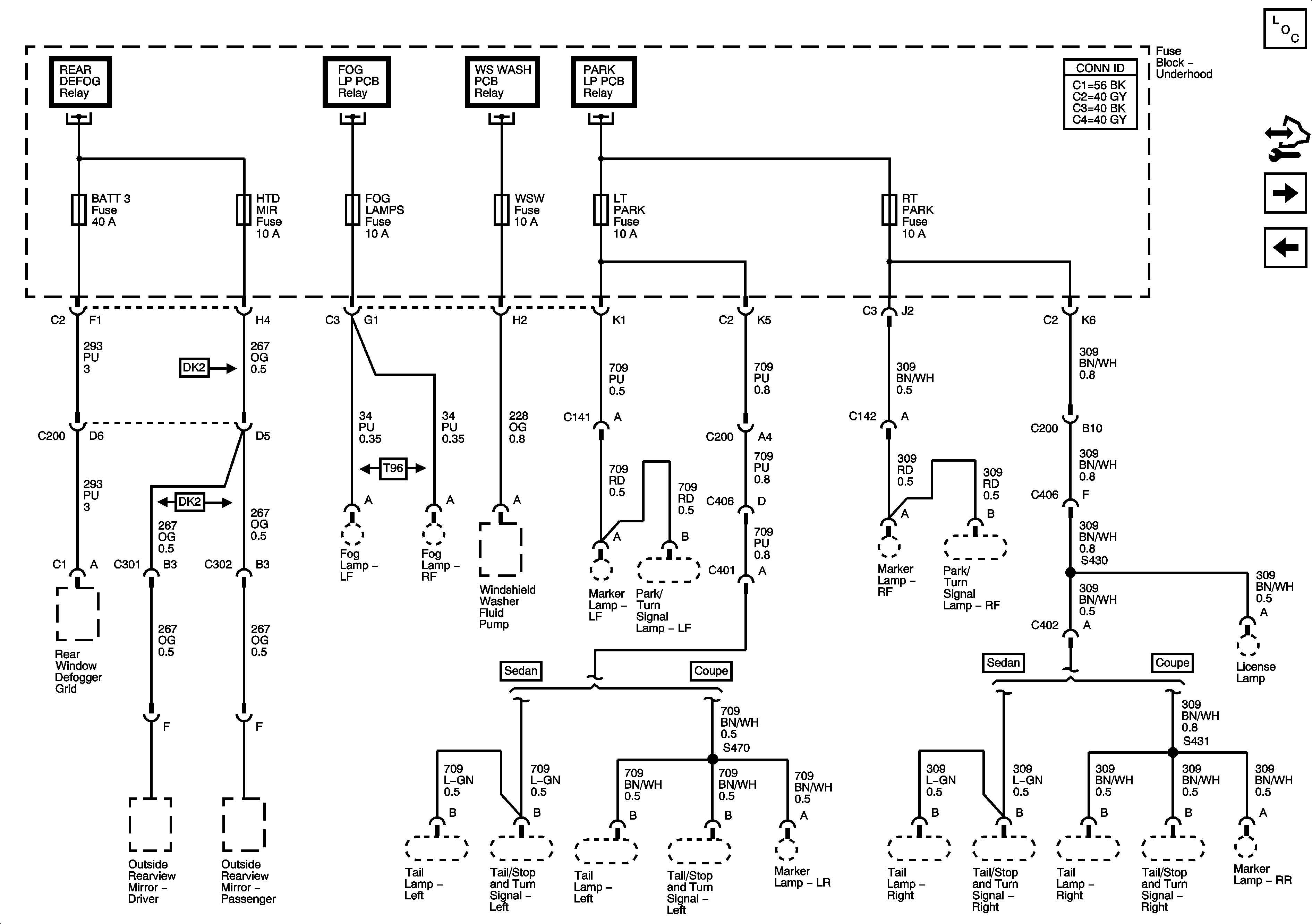
BATT 3, HTD MIR, FOG LAMPS, WSW, LT PARK, and RT PARK Fuses
ETC/ECM, INJ 1 and INJ 2 Fuses (LS4)
Fuse Block - Underhood Bussing
Fuse Block - Underhood Bussing
Fuse Block - Underhood Bussing
Figure 14:

BATT 3, HTD MIR, FOG LAMPS, WSW, LT PARK, and RT PARK Fuses


Object Number: 1648385  Size: FS
Master Electrical Component List
Control Module References
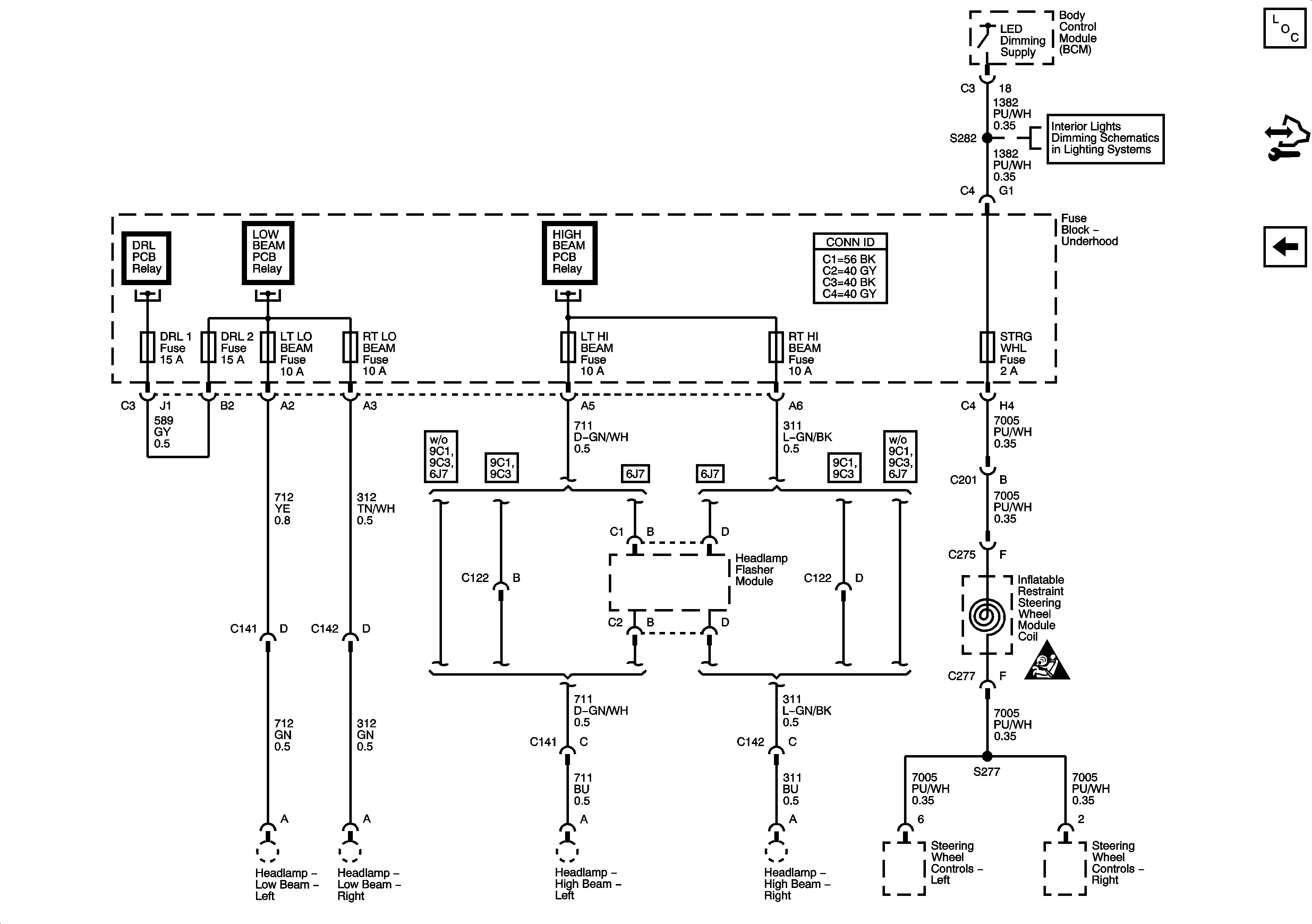
DRL 1, DRL 2, LT LO BEAM, RT LO BEAM, LT HI BEAM, RT HI BEAM, and STRG WHL Fuses
EMISSIONS 1, EMISSIONS 2, A/C CMPRSR Fuses, A/C CMPRSR, FAN 1, FAN 2, and FAN 3 Relays
Fuse Block - Underhood Bussing
Fuse Block - Underhood Bussing
Fuse Block - Underhood Bussing
Fuse Block - Underhood Bussing
Figure 15:

DRL 1, DRL 2, LT LO BEAM, RT LO BEAM, LT HI BEAM, RT HI BEAM, and STRG WHL Fuses


Object Number: 1648389  Size: FS
Master Electrical Component List
Control Module References
BATT 3, HTD MIR, FOG LAMPS, WSW, LT PARK, and RT PARK Fuses
Radio, HVAC Control Module, Driver Information Center (DIC) Switch, and Steering Wheel Controls
Fuse Block - Underhood Bussing
Fuse Block - Underhood Bussing
Fuse Block - Underhood Bussing
Power and Grounding Schematic Icons