GM Service Manual Online
For 1990-2009 cars only
Makes
🢒
Chevrolet
🢒
2006
🢒
Monte Carlo
🢒
Vehicle Control Systems
🢒
Vehicle DTC Information
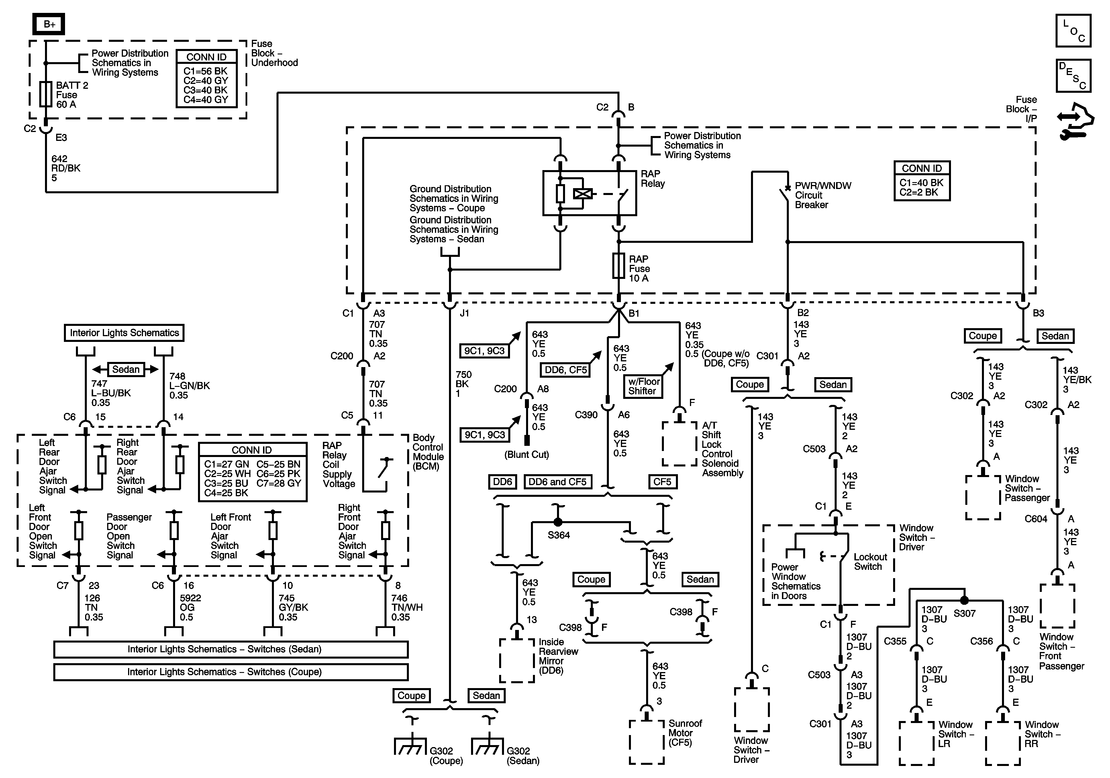
🢒 Retained Accessory Power (RAP) Schematics
Master Electrical Component List
Retained Accessory Power (RAP) Description and Operation
Control Module References
Fuse Block - Underhood Bussing
Fuse Block - Underhood Bussing
S/ROOF, DR/LCK, RAP MISC Fuses, RAP Relay, DOOR UNLOCK PCB Relay - Driver, DOOR UNLOCK PCB Relay, and DOOR LOCK PCB Relay
G302
G302 (Sedan)
Sedan
Door Ajar Indicators
G302
G302 (Sedan)