GM Service Manual Online
For 1990-2009 cars only
Makes
🢒
Chevrolet
🢒
2006
🢒
Monte Carlo
🢒
Body
🢒
Instrument Panel, Gages, and Console
🢒 Instrument Cluster Schematics
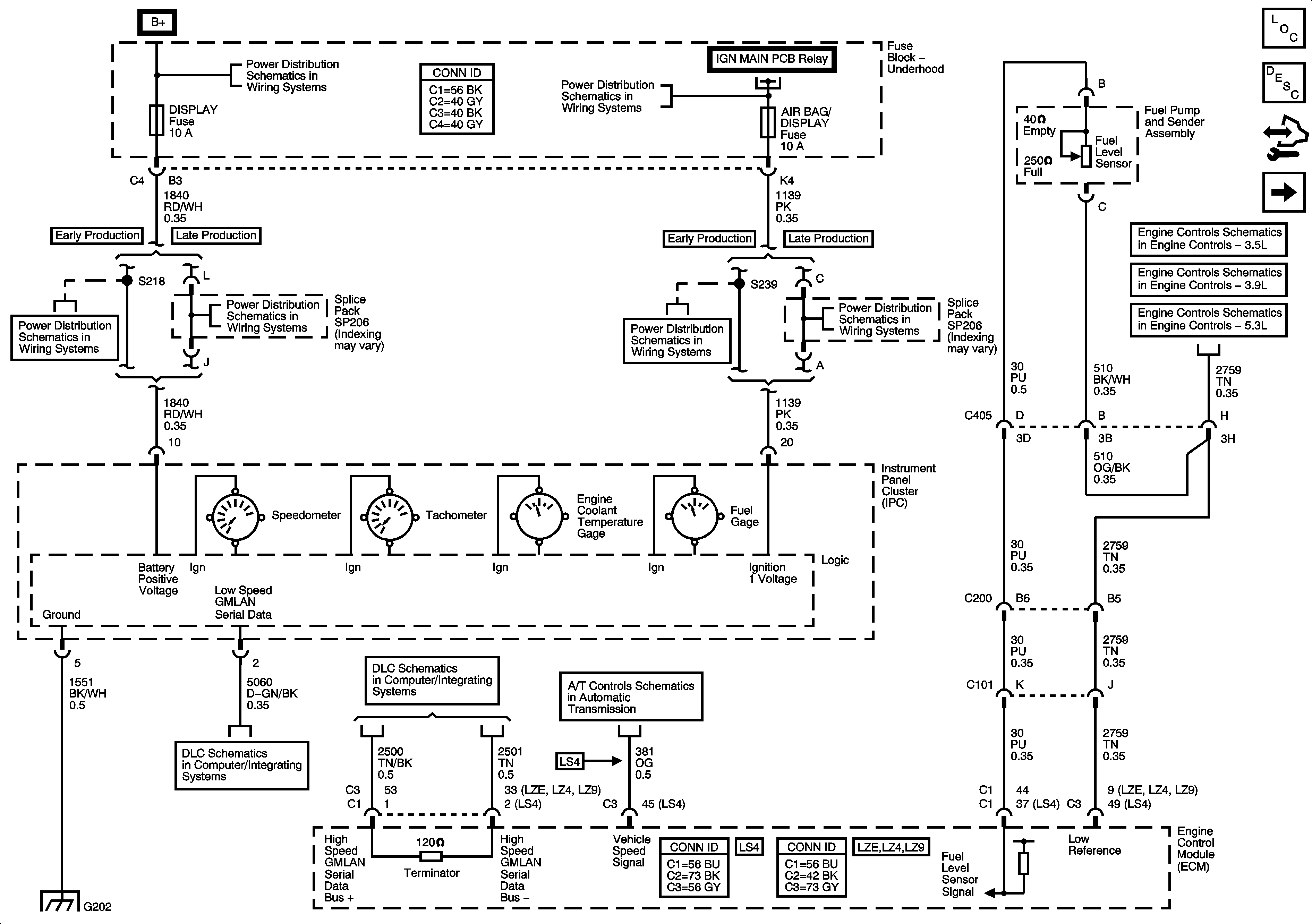
Figure
1:
Power, Ground, and Gages
Master Electrical Component List
Instrument Cluster Description and Operation
Control Module References
Indicators
Fuse Block - Underhood Bussing
Fuse Block - Underhood Bussing
Fuse Block - Underhood Bussing
Fuse Block - Underhood Bussing
HDLP MDL, DISPLAY, LT SPOT, and RT SPOT Fuses
HDLP MDL, DISPLAY, LT SPOT, and RT SPOT Fuses
ECM IGN, TRANS, PWR DROP/CRANK, AIRBAG/DISPLAY, STRTR, FUEL/PUMP, and HORN Fuses
ECM IGN, TRANS, PWR DROP/CRANK, AIRBAG/DISPLAY, STRTR, FUEL/PUMP, and HORN Fuses
EVAP Solenoids, IMT Solenoid, and FTP Sensor
EVAP Solenoids, IMT Solenoid, and FTP Sensor
EVAP Solenoids, and FTP Sensor
Power, Ground, and Low Speed GMLAN Serial Data
High Speed GMLAN Serial Data
VSS, AT ISS Sensors, Pressure Control Solenoid Valve, and TCC Release Switch
G202, and G204
Figure
2:
Indicators
Master Electrical Component List
Indicator/Warning Message Description and Operation
Control Module References
Driver Information Center
Power, Ground, and Gages
Brake Warning System Schematics
Wiper/Washer System Schematics
Passenger Presence System
Power, Ground, and Low Speed GMLAN Serial Data
High Speed GMLAN Serial Data
ECM Power, Ground, MIL, and Serial Data
ECM Power, Ground, MIL, and Serial Data
ECM Power, Ground, MIL, and Serial Data
Figure
3:
Driver Information Center
Master Electrical Component List
Driver Information Center (DIC) Description and Operation
Control Module References
Indicators
High Speed GMLAN Serial Data
Power, Ground, and Low Speed GMLAN Serial Data
Radio, HVAC Control Module, Driver Information Center (DIC) Switch, and Steering Wheel Controls
G201
G101, G102, G111, and G112 (LS4)