GM Service Manual Online
For 1990-2009 cars only

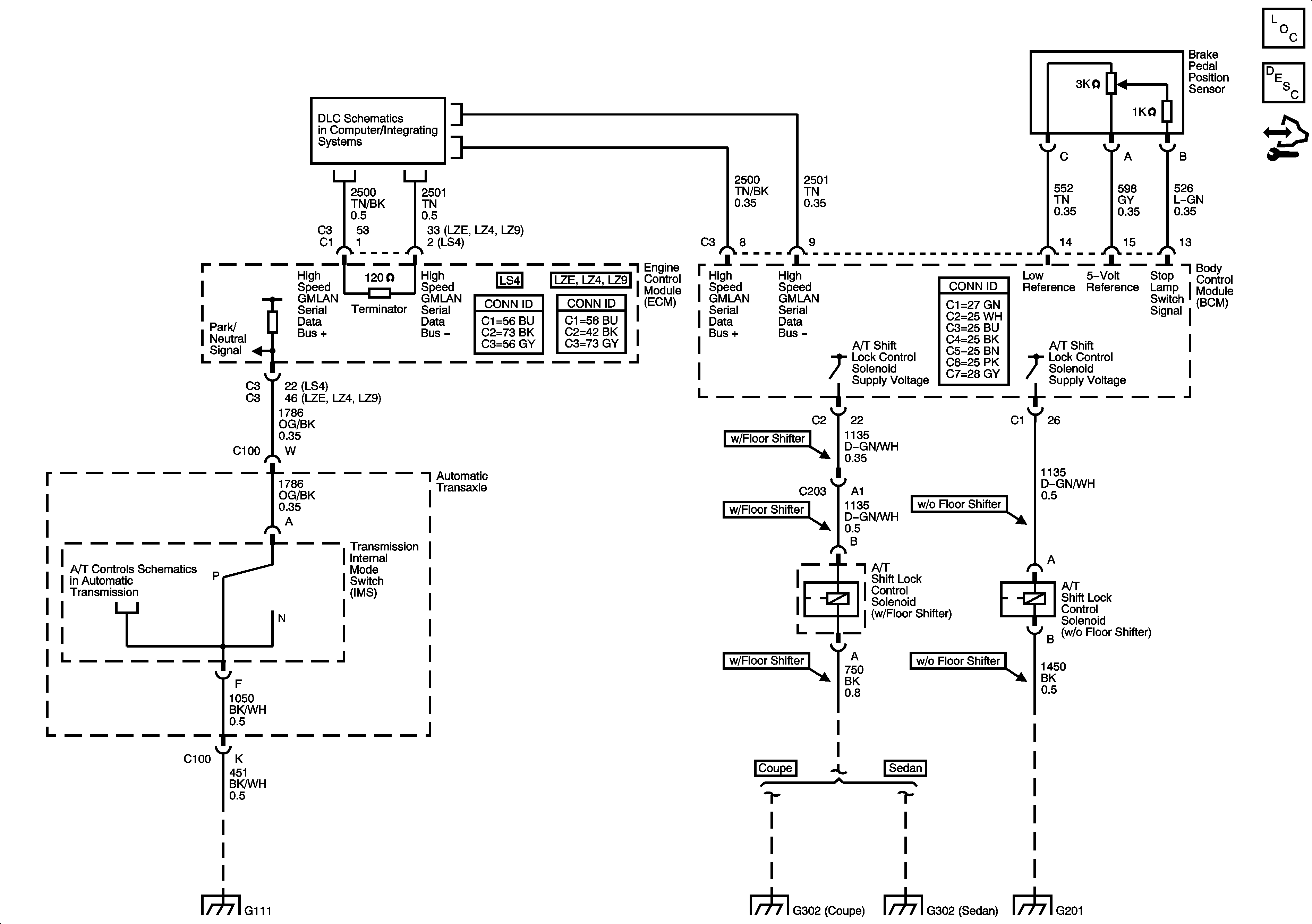
Automatic Transmission Shift Lock Control Schematics


Object Number: 1648751  Size: FS
Master Electrical Component List
Automatic Transmission Shift Lock Control Description and Operation (Floor Shift)
Control Module References
High Speed GMLAN Serial Data
PRNDL, and IMS Switch
G101, G102, G111, and G112 (LS4)
G302
G302 (Sedan)
G201