GM Service Manual Online
For 1990-2009 cars only

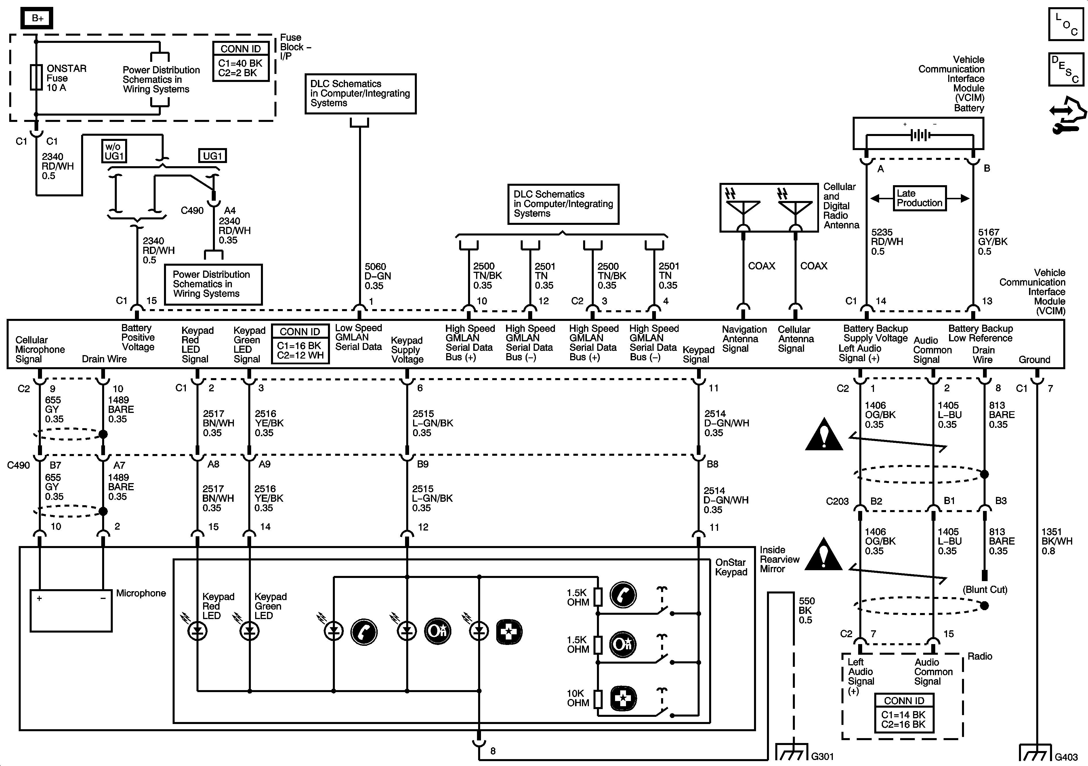
OnStar Schematics


Object Number: 1657219  Size: FS
Master Electrical Component List
OnStar Description and Operation
Control Module References
BATT 1, CNSTR, ONSTAR, AMP, and AUX Fuses
BATT 1, CNSTR, ONSTAR, AMP, and AUX Fuses
BATT 1, CNSTR, ONSTAR, AMP, and AUX Fuses
Power, Ground, and Low Speed GMLAN Serial Data
High Speed GMLAN Serial Data
Cellular Communication Schematic Icons
Cellular Communication Schematic Icons
G301
G403, and G404