GM Service Manual Online
For 1990-2009 cars only
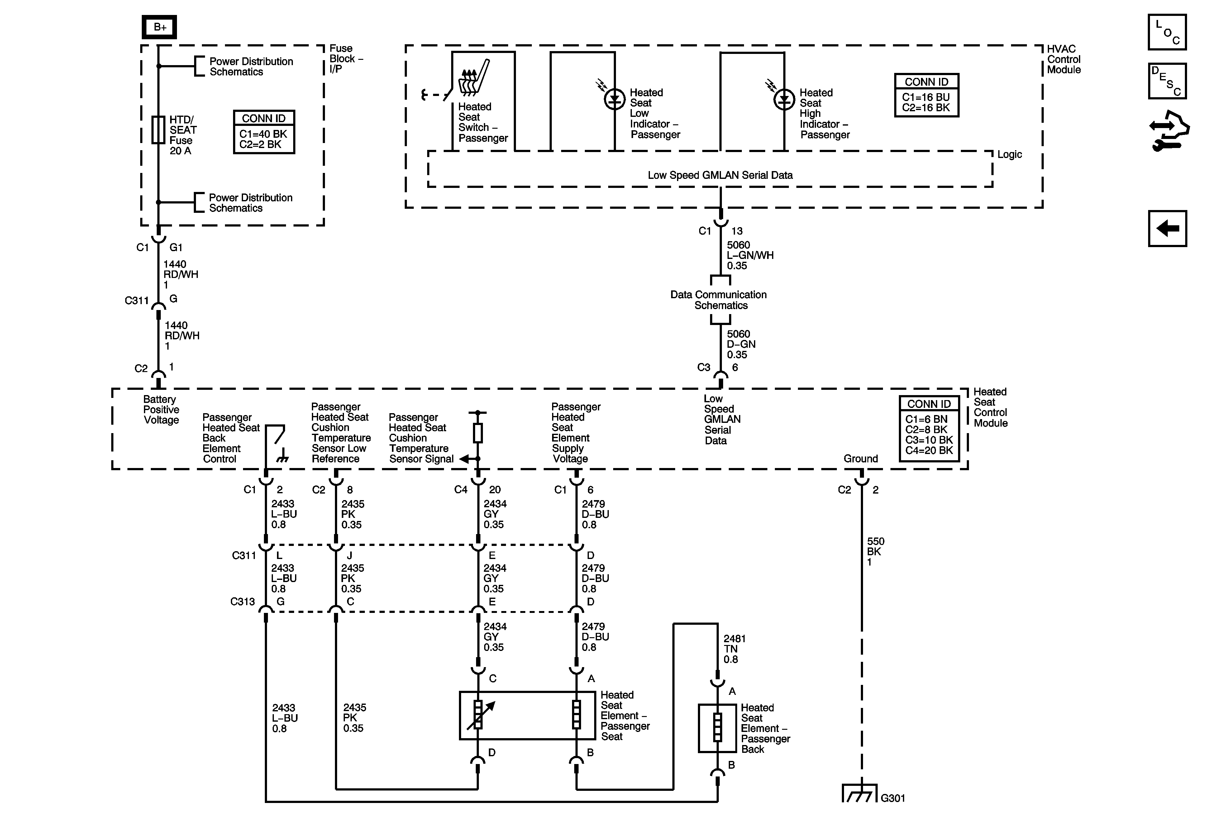
Figure 1:

Driver


Object Number: 1762133  Size: FS
Master Electrical Component List
Heated Seats Description and Operation
Control Module References
Passenger
BATT 2, HTD/SEAT, AIRBAG, PWR/MIR Fuses, and PWR/SEAT Circuit Breaker
BATT 2, HTD/SEAT, AIRBAG, PWR/MIR Fuses, and PWR/SEAT Circuit Breaker
BATT 2, HTD/SEAT, AIRBAG, PWR/MIR Fuses, and PWR/SEAT Circuit Breaker
Power, Ground, and Low Speed GMLAN Serial Data
G301
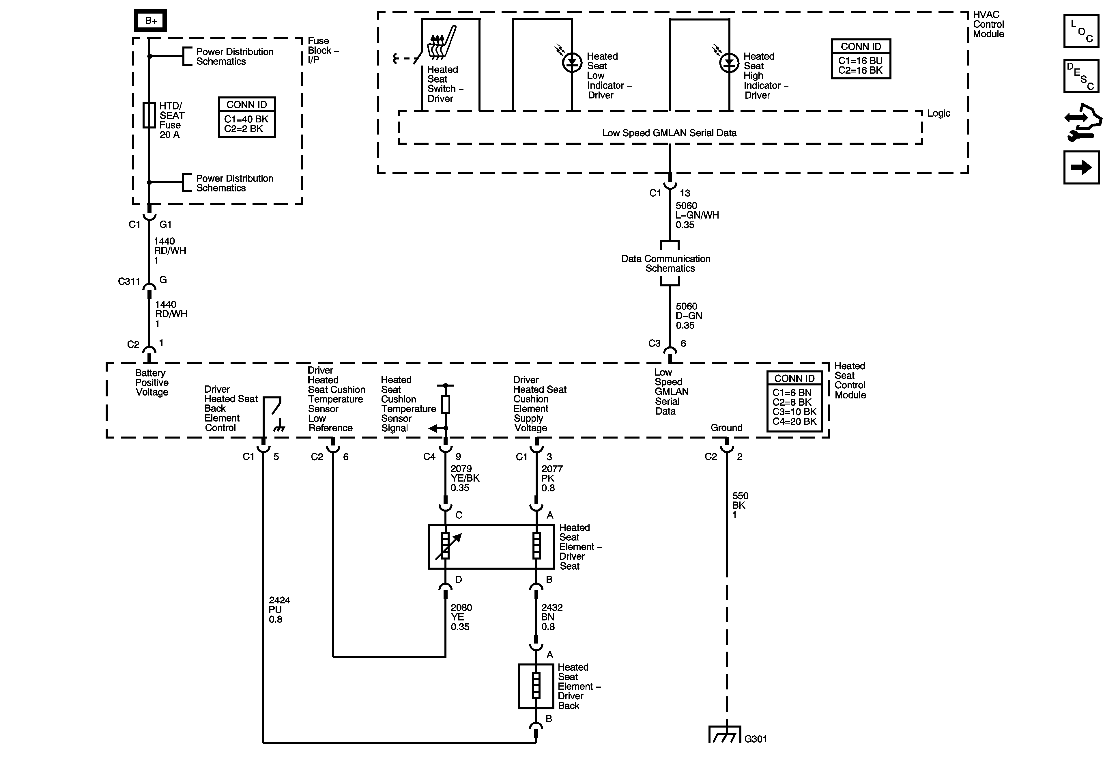
Figure 2:

Passenger


Object Number: 1762134  Size: FS
Master Electrical Component List
Heated Seats Description and Operation
Control Module References
Driver
BATT 2, HTD/SEAT, AIRBAG, PWR/MIR Fuses, and PWR/SEAT Circuit Breaker
BATT 2, HTD/SEAT, AIRBAG, PWR/MIR Fuses, and PWR/SEAT Circuit Breaker
BATT 2, HTD/SEAT, AIRBAG, PWR/MIR Fuses, and PWR/SEAT Circuit Breaker
Power, Ground, and Low Speed GMLAN Serial Data
G301