GM Service Manual Online
For 1990-2009 cars only
Makes
🢒
Chevrolet
🢒
2007
🢒
Monte Carlo
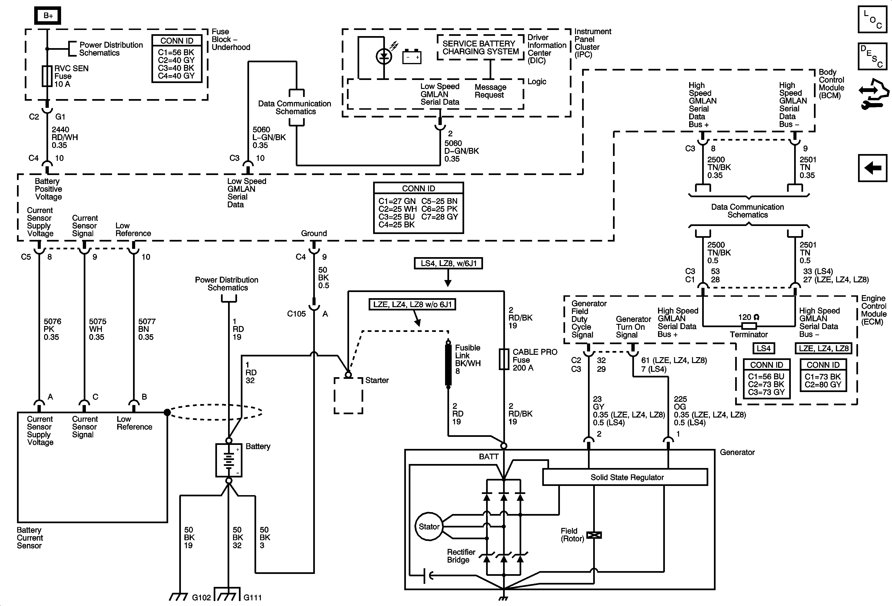
🢒 Generator
Generator
Generator
Master Electrical Component List
Charging System Description and Operation
Control Module References
Starter
Fuse Block - Underhood Bussing
INT LTS/PNL DIM, LT T/SIG, RT T/SIG, CHMSL/BACKUP, INT LIGHTS, RVC SEN, and ECM/TCM Fuses
Power, Ground, and Low Speed GMLAN Serial Data
High Speed GMLAN Serial Data
Fuse Block - Underhood Bussing
G101, G102, and G111
G101, G102, and G111