GM Service Manual Online
For 1990-2009 cars only

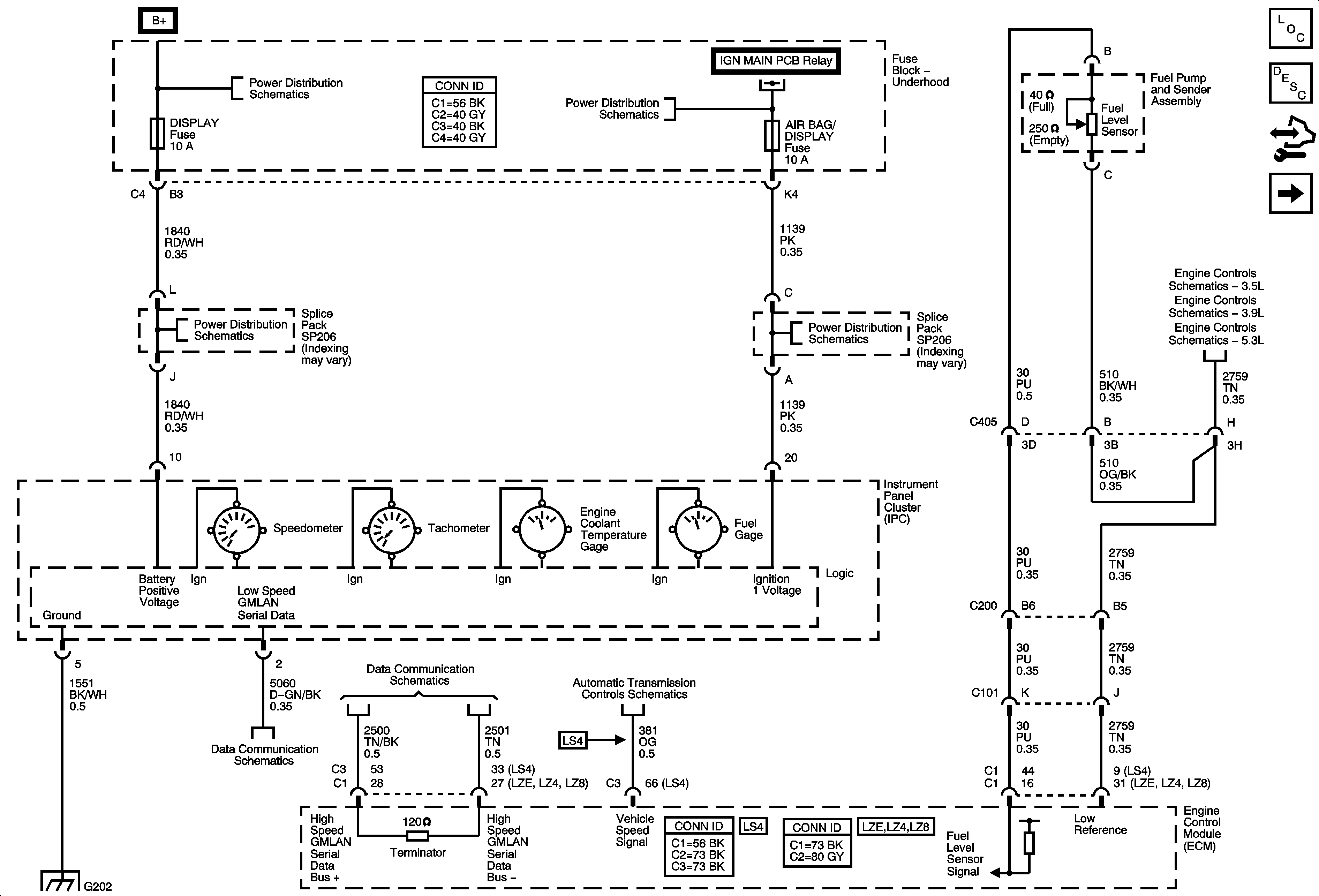
Power, Ground, and Gages

Power, Ground, and Gages


Object Number: 1761244  Size: FS
Master Electrical Component List
Instrument Cluster Description and Operation
Control Module References
Indicators
Fuse Block - Underhood Bussing
Fuse Block - Underhood Bussing
Fuse Block - Underhood Bussing
Fuse Block - Underhood Bussing
HDLP MDL, DISPLAY, LT SPOT, and RT SPOT Fuses
ECM IGN, TRANS, PWR DROP/CRANK, AIRBAG/DISPLAY, STRTR, FUEL/PUMP, and HORN Fuses
EVAP Solenoids and FTP Sensor
EVAP Solenoids, IMT Solenoid, and FTP Sensor
EVAP Solenoids and FTP Sensor
Power, Ground, and Low Speed GMLAN Serial Data
High Speed GMLAN Serial Data
VSS, AT ISS Sensors, Pressure Control Solenoid Valve, and TCC Release Switch
G202 and G204