GM Service Manual Online
For 1990-2009 cars only

Door Lock/Indicator Schematics SWB

Figure 1:

Door Latch Assemblies and Hood Ajar Switch


Object Number: 1960808  Size: FS
Master Electrical Component List
Power Door Locks Description and Operation
Control Module References
Door Latch Assemblies and Door Lock Switch
Power Window Switches and Motors and mdash Express Down
G303 and G304 - 2 of 2 and G305 - 1 of 2
G303 and G304 - 2 of 2 and G305 - 1 of 2
G104
Ignition Key Cylinder Lamp, Courtesy Lamps, Compartment Lamps and Sunshade Lamps, Power and Ground
Figure 2:

Door Latch Assemblies and Door Lock Switch


Object Number: 1960809  Size: FS
Master Electrical Component List
Power Door Locks Description and Operation
Control Module References
Door Latch Assemblies and Hood Ajar Switch
G202
G202
G202
G303 and G304 - 2 of 2 and G305 - 1 of 2

Door Lock/Indicator Schematics LWB

Figure 1:

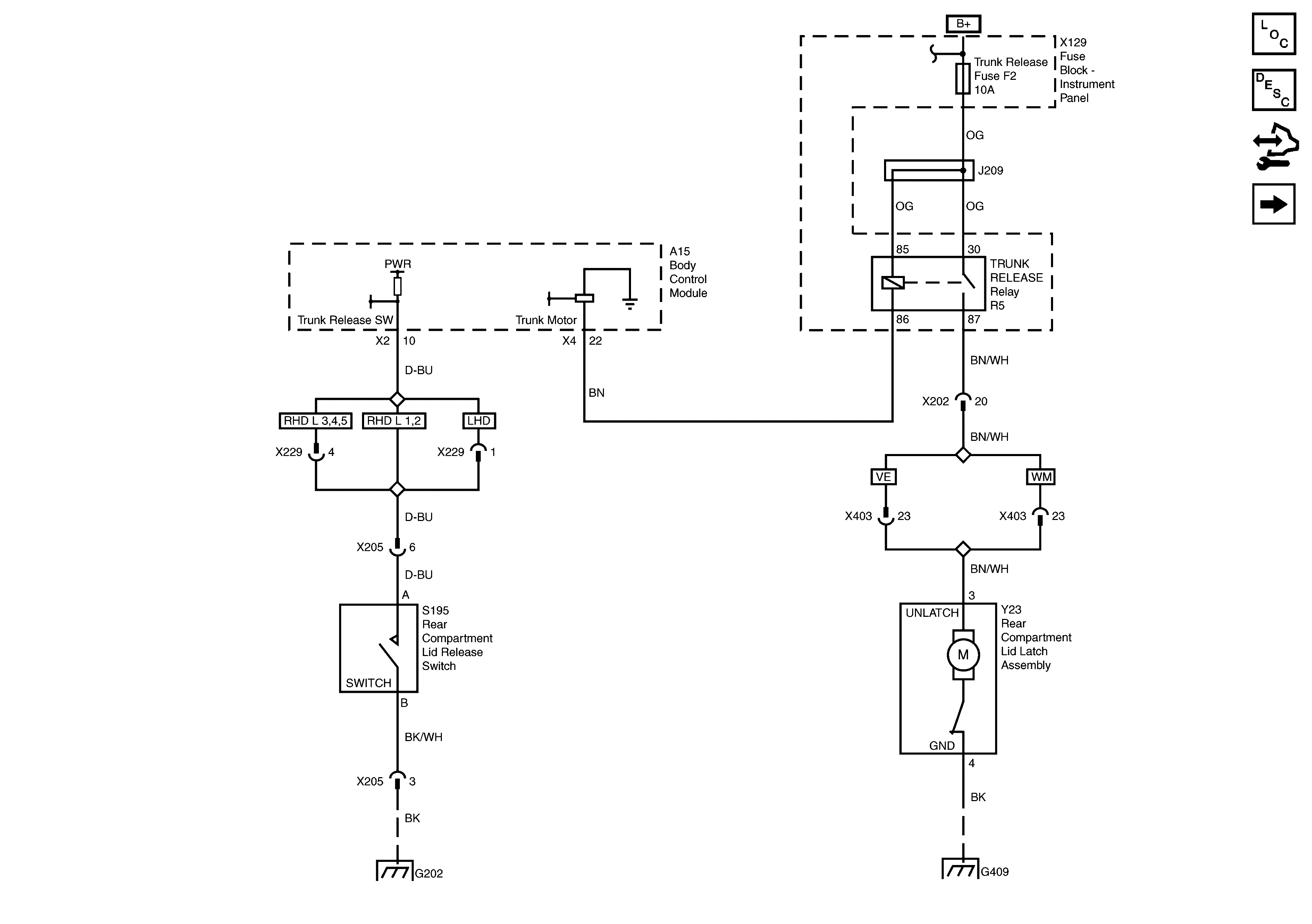
Rear Compartment Lid Latch Assembly and Release Switch


Object Number: 1961834  Size: FS
Master Electrical Component List
Power Door Locks Description and Operation
Control Module References
Trailer Wiring
G202
G401 and G409
Figure 2:

Door Latch Assemblies and Hood Ajar Switch


Object Number: 1960808  Size: FS
Master Electrical Component List
Power Door Locks Description and Operation
Control Module References
Door Latch Assemblies and Door Lock Switch
Power Window Switches and Motors and mdash Express Down
G104
G303 and G304 - 1 of 2
G303 and G304 - 2 of 2 and G305 - 1 of 2
Ignition Key Cylinder Lamp, Courtesy Lamps, Compartment Lamps and Sunshade Lamps, Power and Ground
Figure 3:

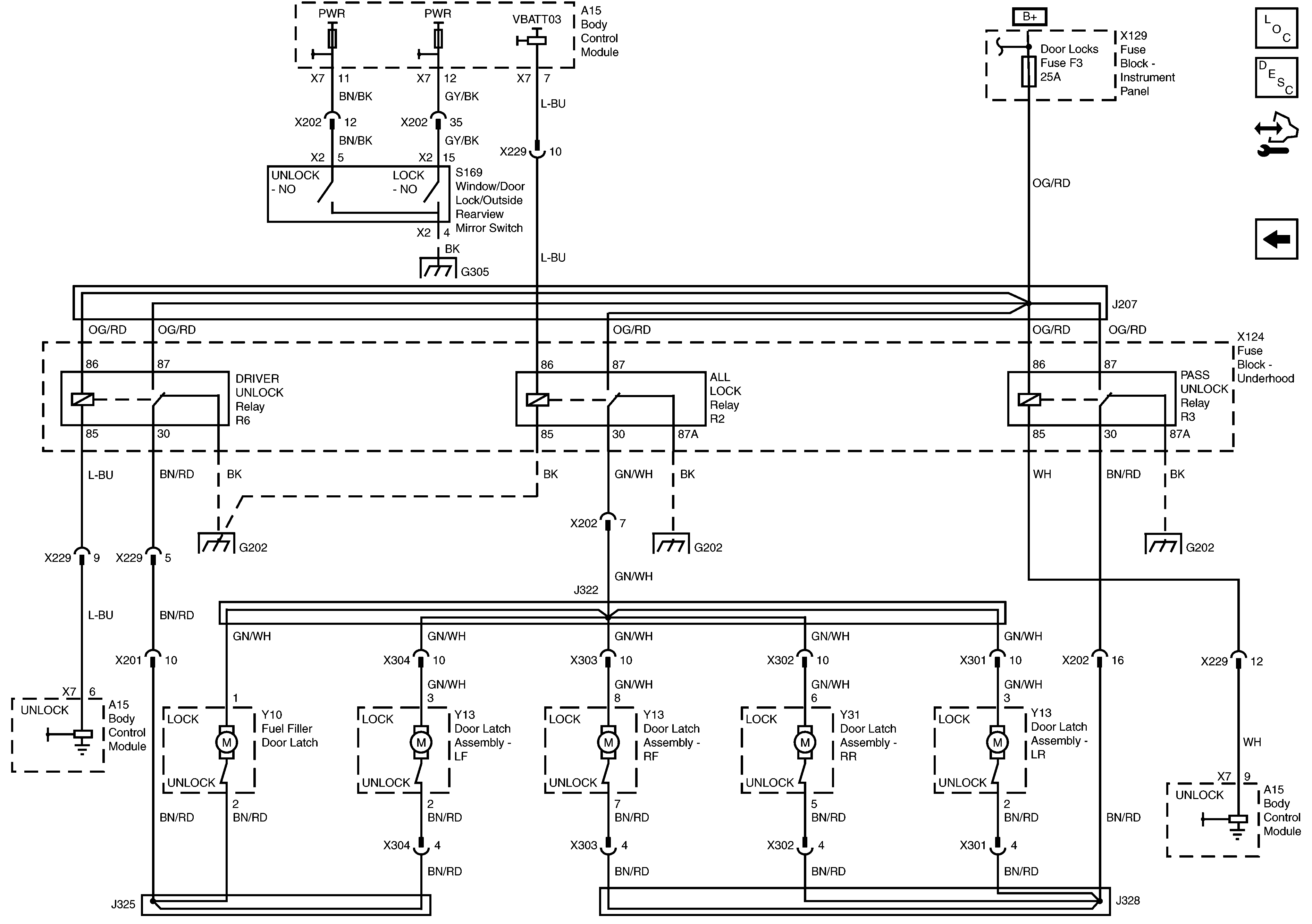
Door Latch Assemblies and Door Lock Switch


Object Number: 1960809  Size: FS
Master Electrical Component List
Power Door Locks Description and Operation
Control Module References
Door Latch Assemblies and Door Lock Switch
Door Latch Assemblies and Hood Ajar Switch
G202
G202
G202
G303 and G304 - 2 of 2 and G305 - 1 of 2
Figure 4:

Door Latch Assemblies and Door Lock Switch


Object Number: 1960810  Size: FS
Master Electrical Component List
Power Door Locks Description and Operation
Control Module References
Door Latch Assemblies and Door Lock Switch
G303 and G304 - 2 of 2 and G305 - 1 of 2
G202
G202
G202
B+ Bus - 1 of 2