GM Service Manual Online
For 1990-2009 cars only
Makes
🢒
Chevrolet
🢒
2008
🢒
Omega VE
🢒
Diagnostic Navigation
🢒
Vehicle Diagnostic Information
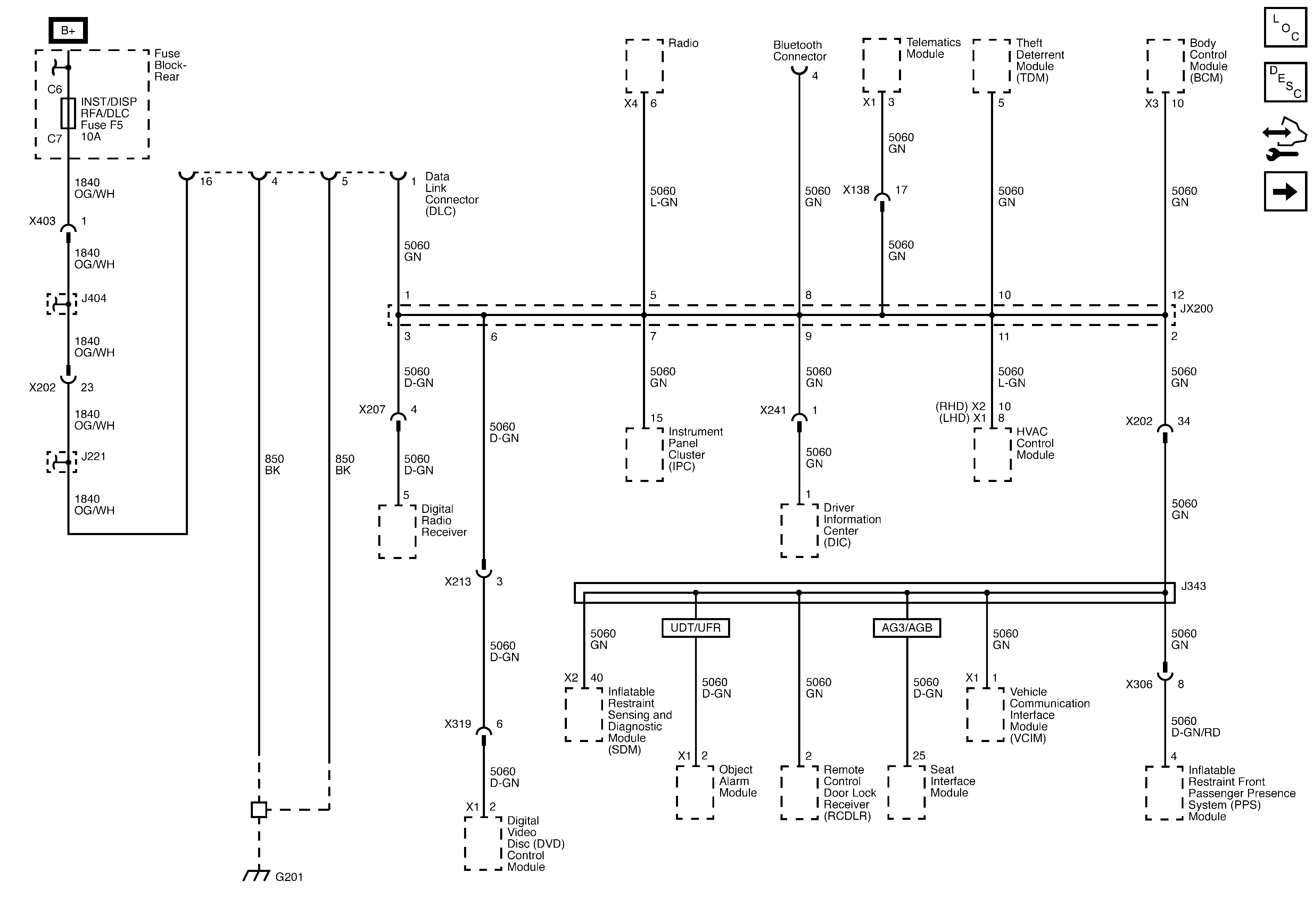
🢒 Data Communication Schematics
Figure
1:
Low Speed
Figure
2:
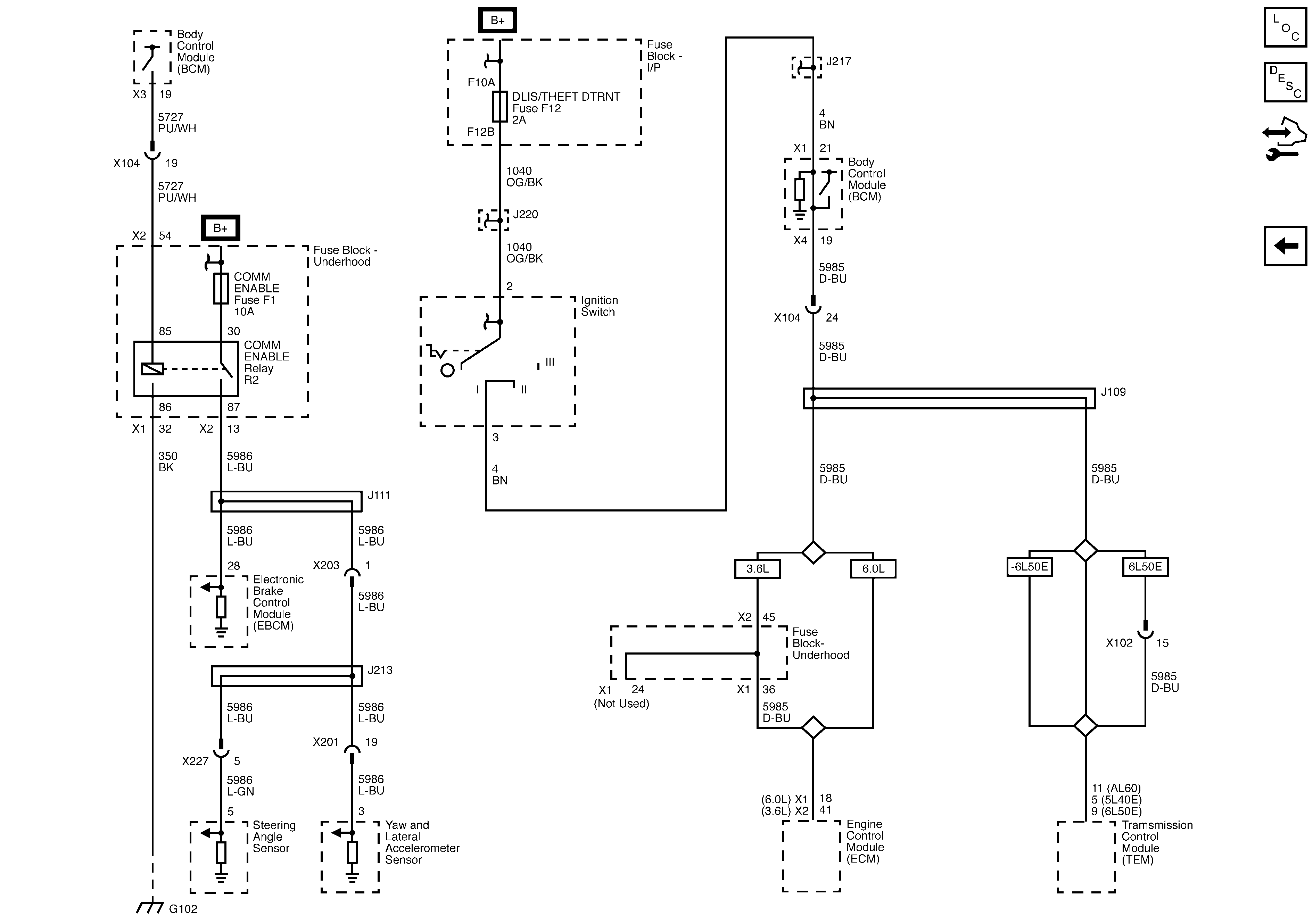
High Speed
Figure
3:
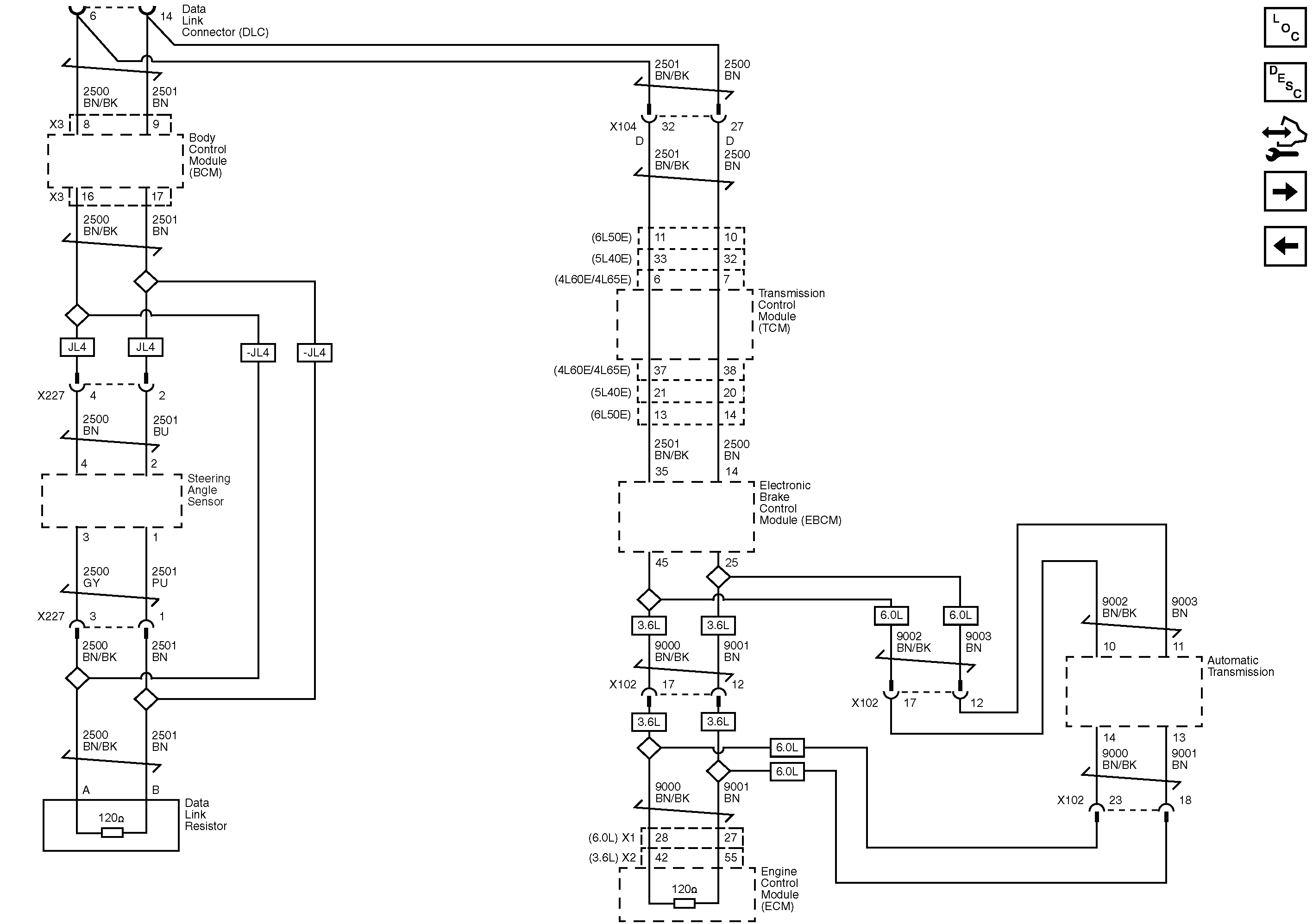
Accessory Wakeup Serial Data