GM Service Manual Online
For 1990-2009 cars only
Makes
🢒
Chevrolet
🢒
2009
🢒
Omega VE
🢒
Engine
🢒
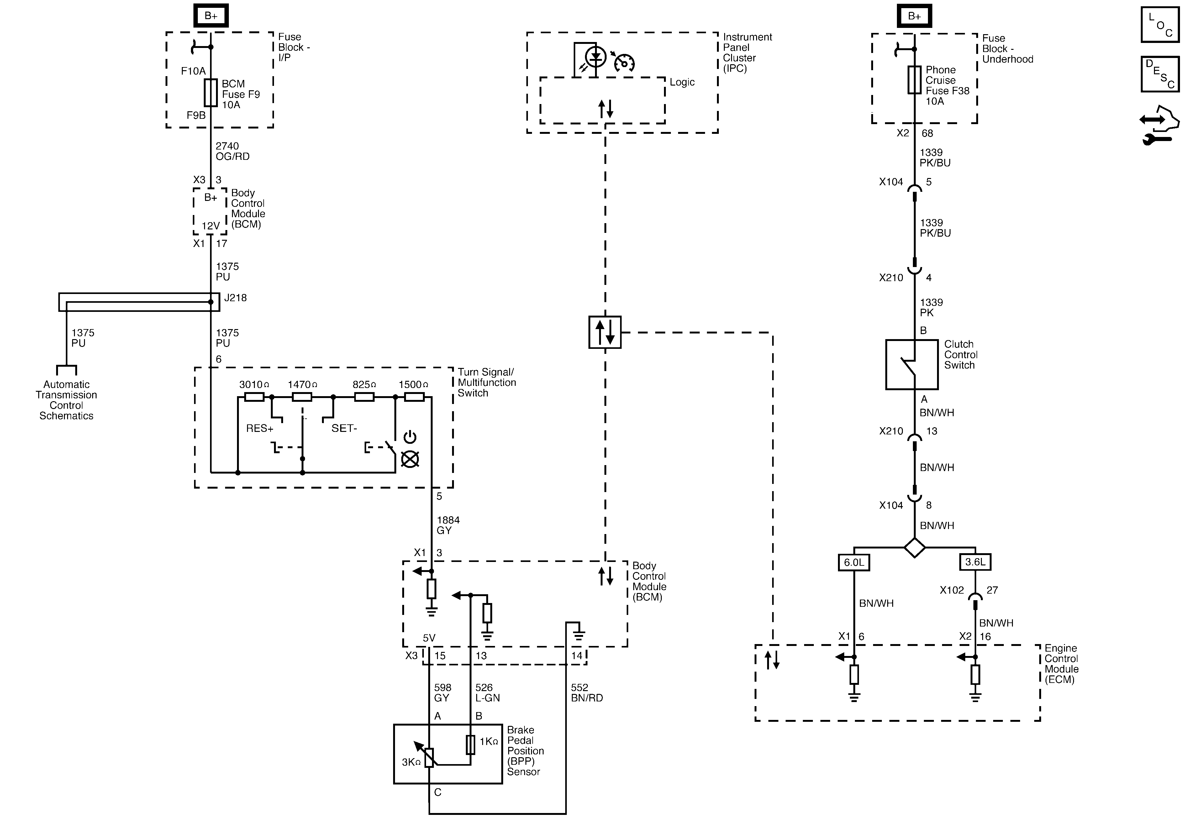
Cruise Control
🢒 Cruise Control Schematics