GM Service Manual Online
For 1990-2009 cars only
Makes
🢒
Chevrolet
🢒
2009
🢒
Omega VE
🢒
Body Systems
🢒
Lighting
🢒 Headlights/Daytime Running Lights (DRL) Schematics
Figure
1:
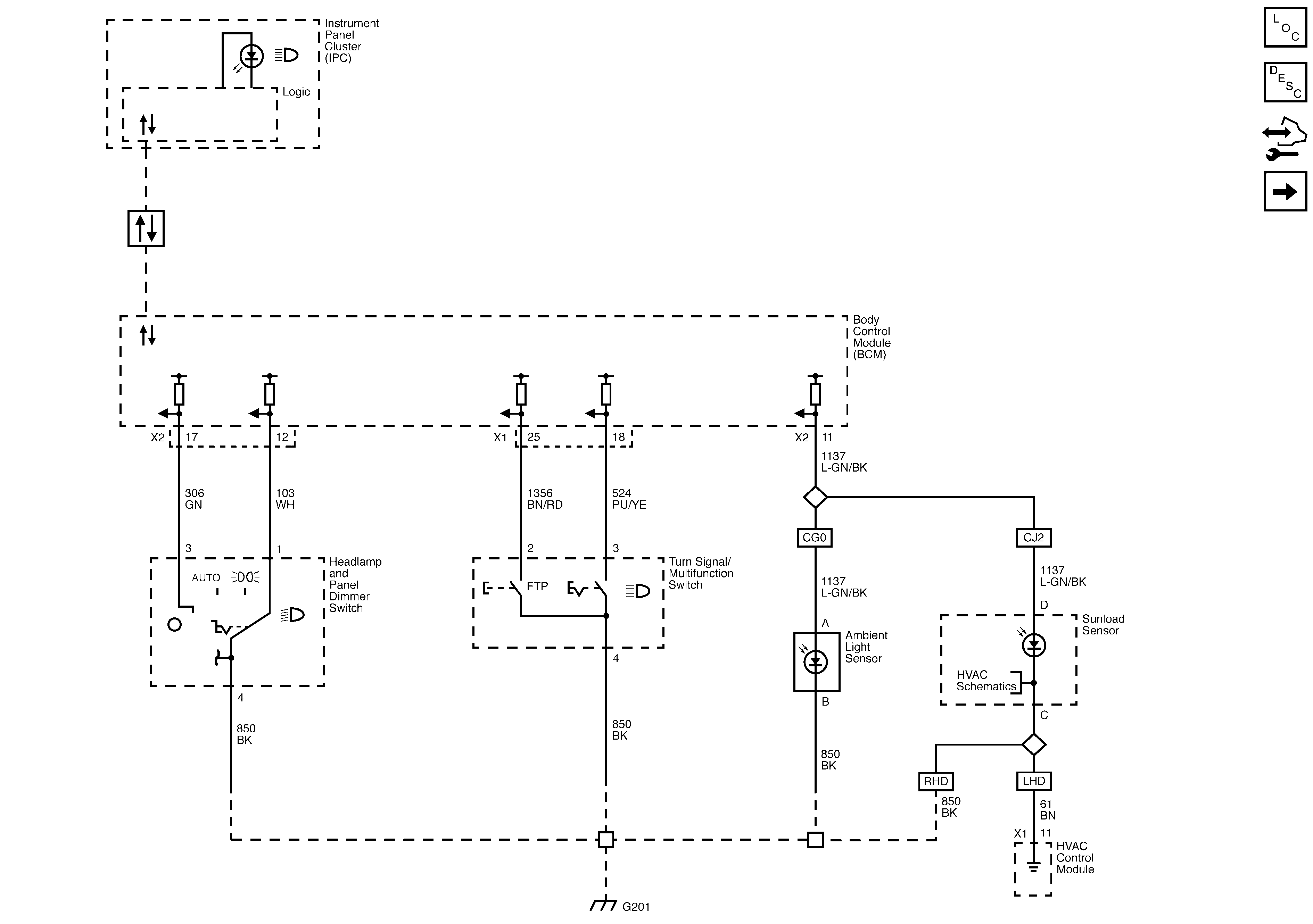
Headlamps Controls and Sensors
Figure
2:
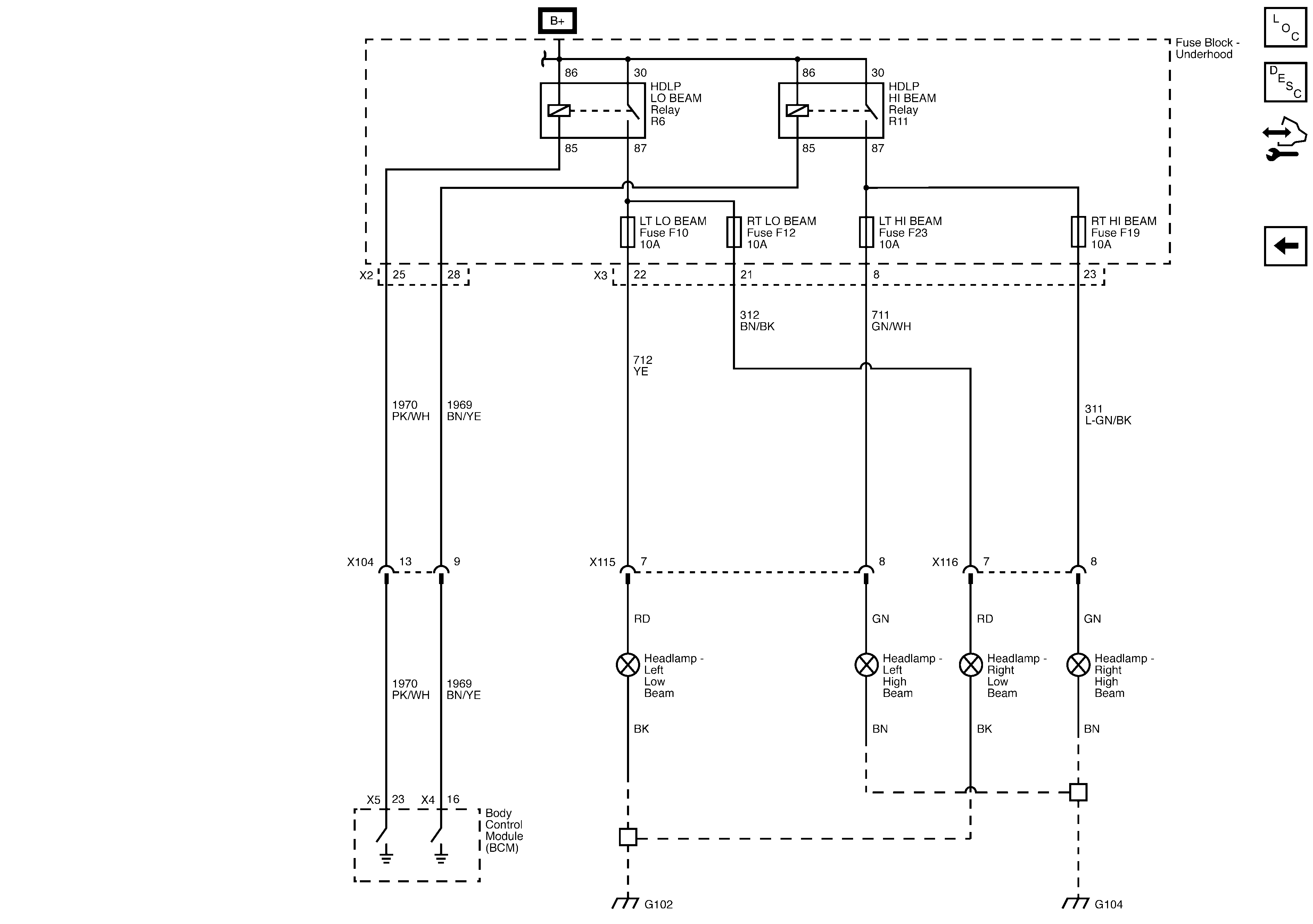
Headlamps Except 9C1
Figure
3:
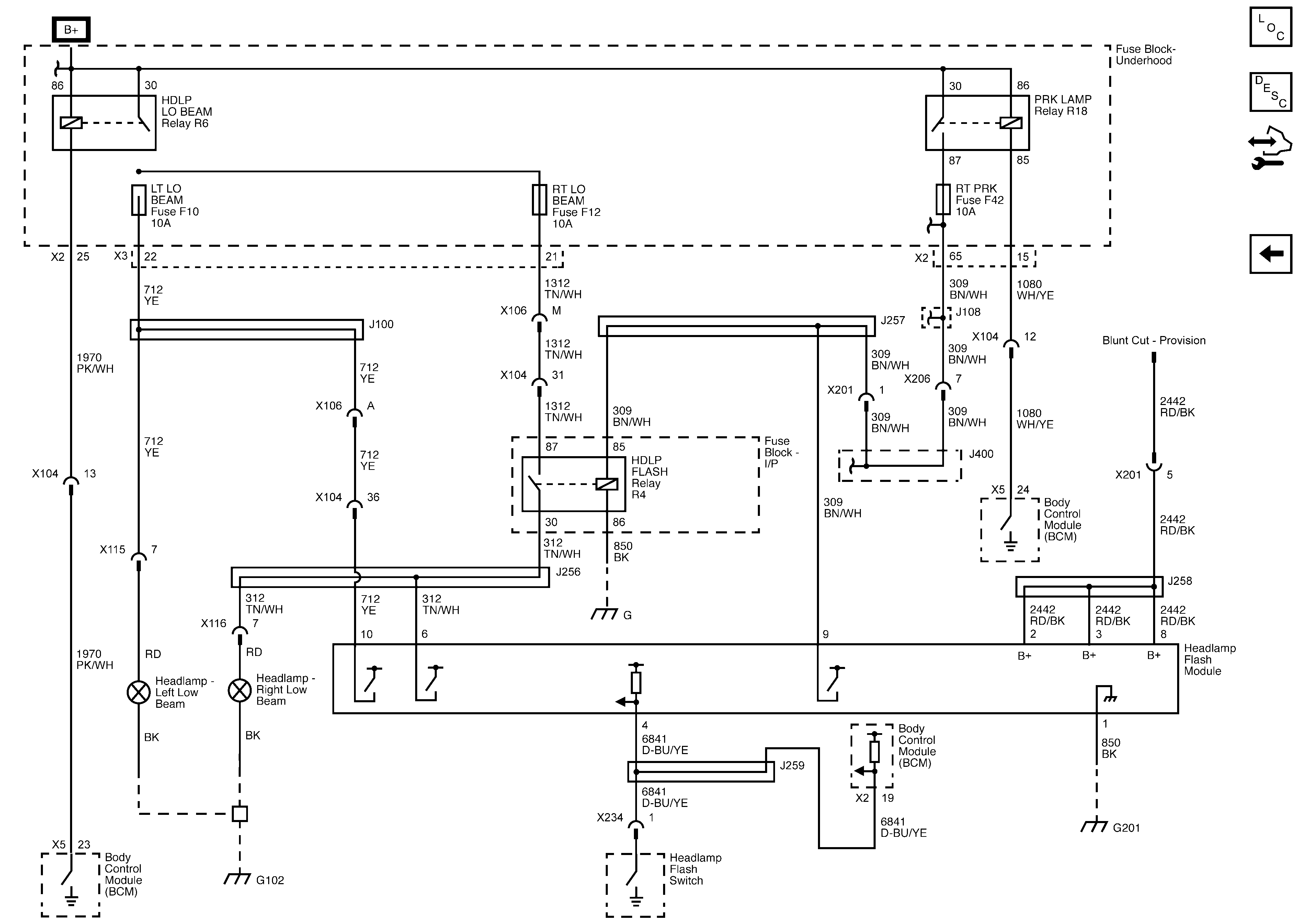
Headlamps 9C1