GM Service Manual Online
For 1990-2009 cars only
Makes
🢒
Chevrolet
🢒
2009
🢒
Omega VE
🢒
Body Systems
🢒
Mirrors
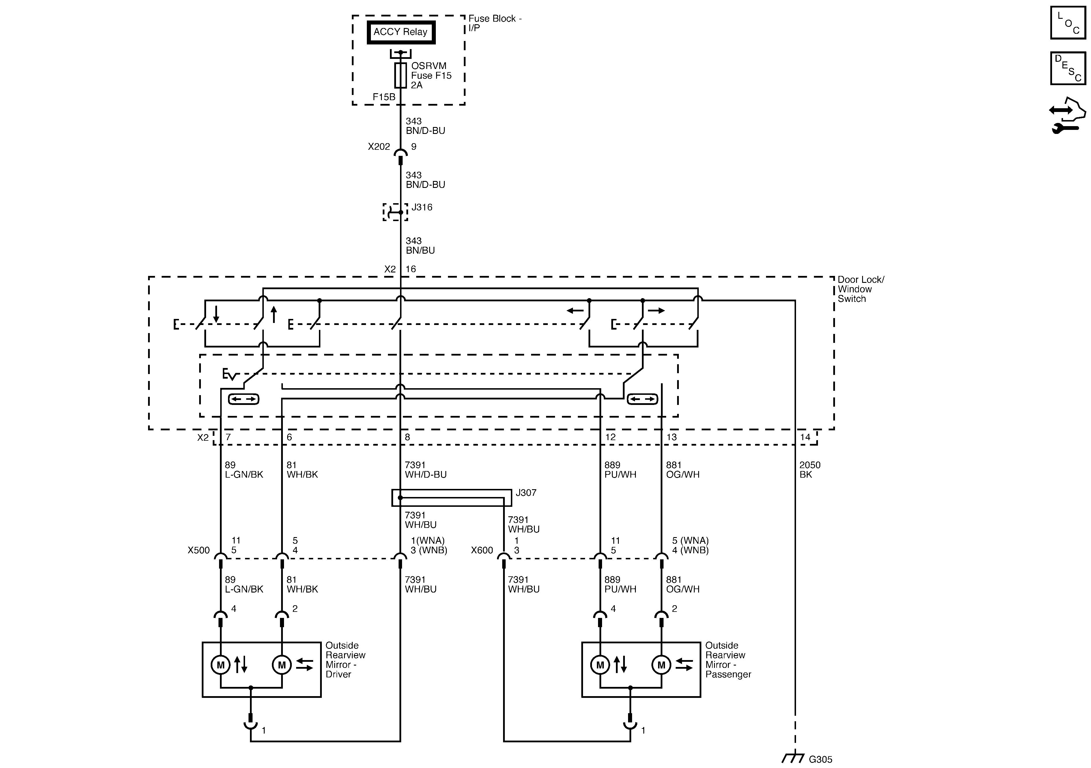
🢒 Outside Rearview Mirror Schematics
Figure
1:
D22
Figure
2:
A45