GM Service Manual Online
For 1990-2009 cars only
Makes
🢒
Chevrolet
🢒
2009
🢒
Omega VE
🢒
Driver Information and Entertainment
🢒
Cellular, Entertainment, and Navigation
🢒 Radio/Navigation System Schematics
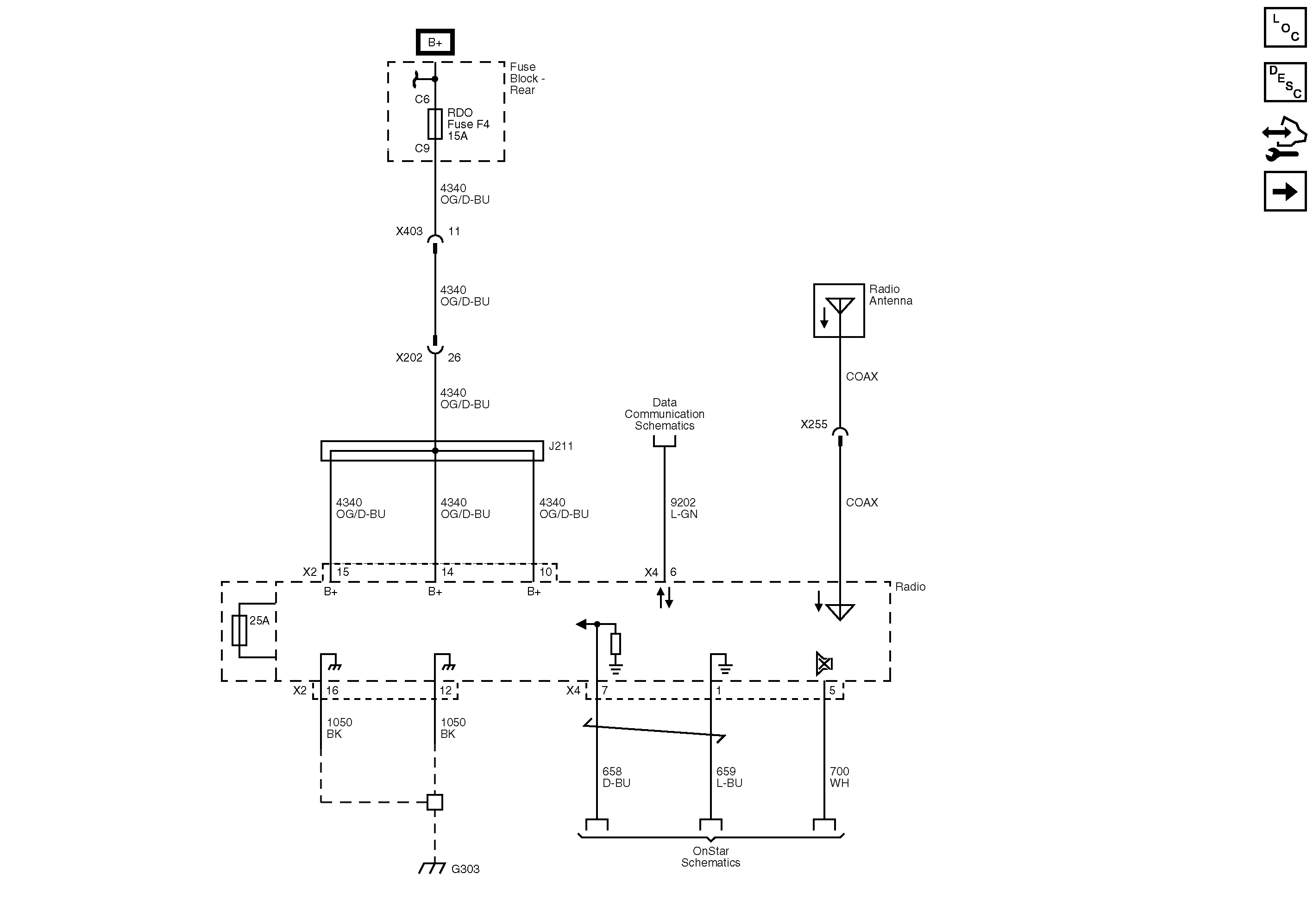
Figure
1:
Radio Power, Ground, and Serial Data
Figure
2:
Speakers (except UWP)
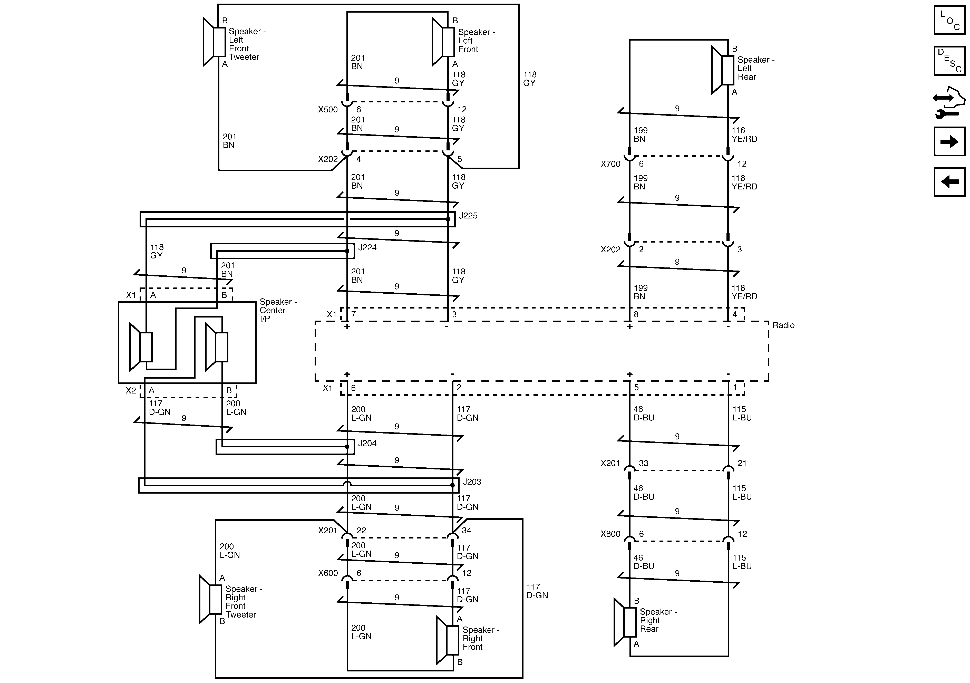
Figure
3:
Amplifier (UWP)
Figure
4:
Speakers (UWP)
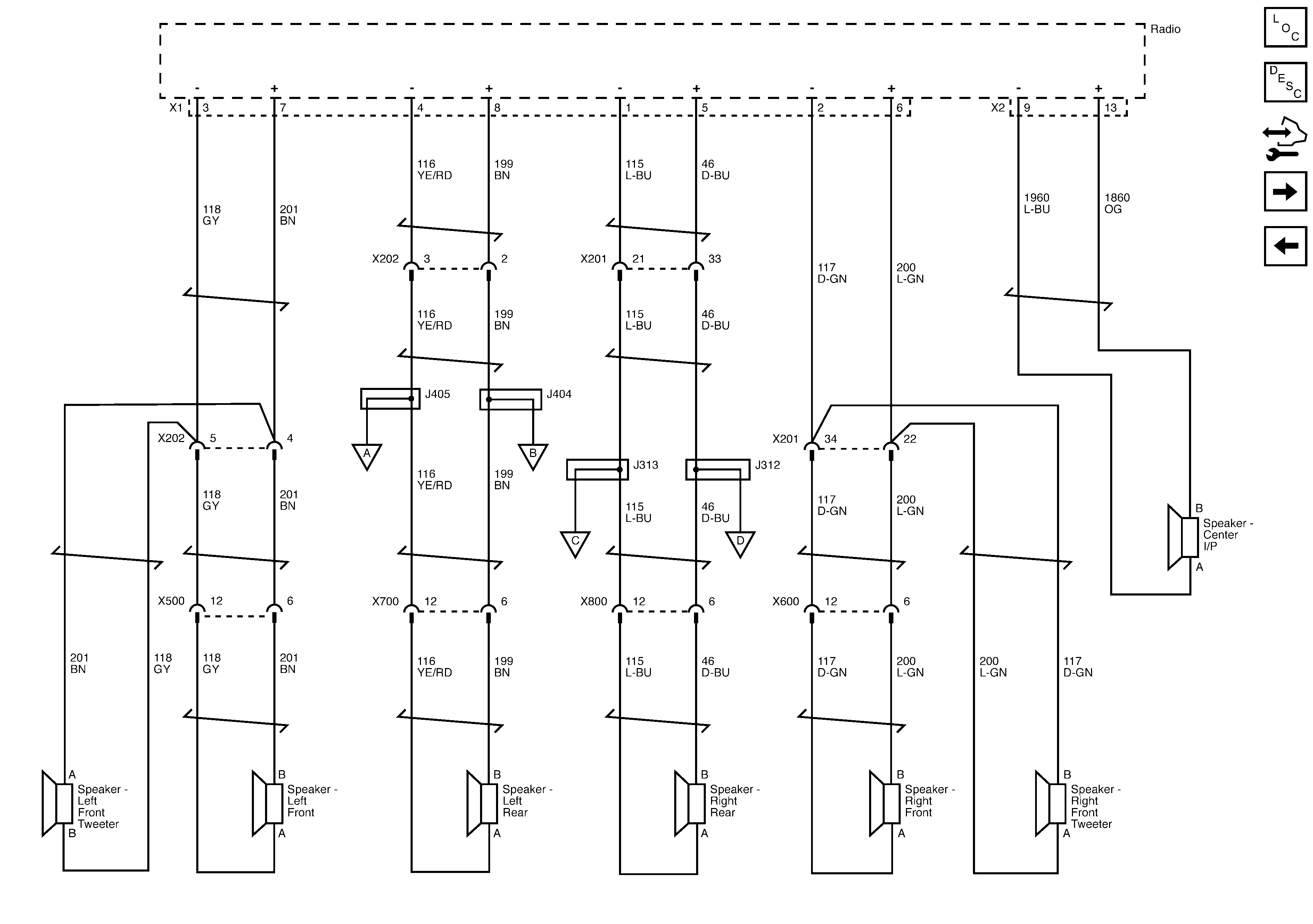
Figure
5:
Amplifier (UQ7)
Figure
6:
Speakers (UQ7)