GM Service Manual Online
For 1990-2009 cars only
Makes
🢒
Chevrolet
🢒
2009
🢒
Omega VE
🢒
Driver Information and Entertainment
🢒
Displays and Gages
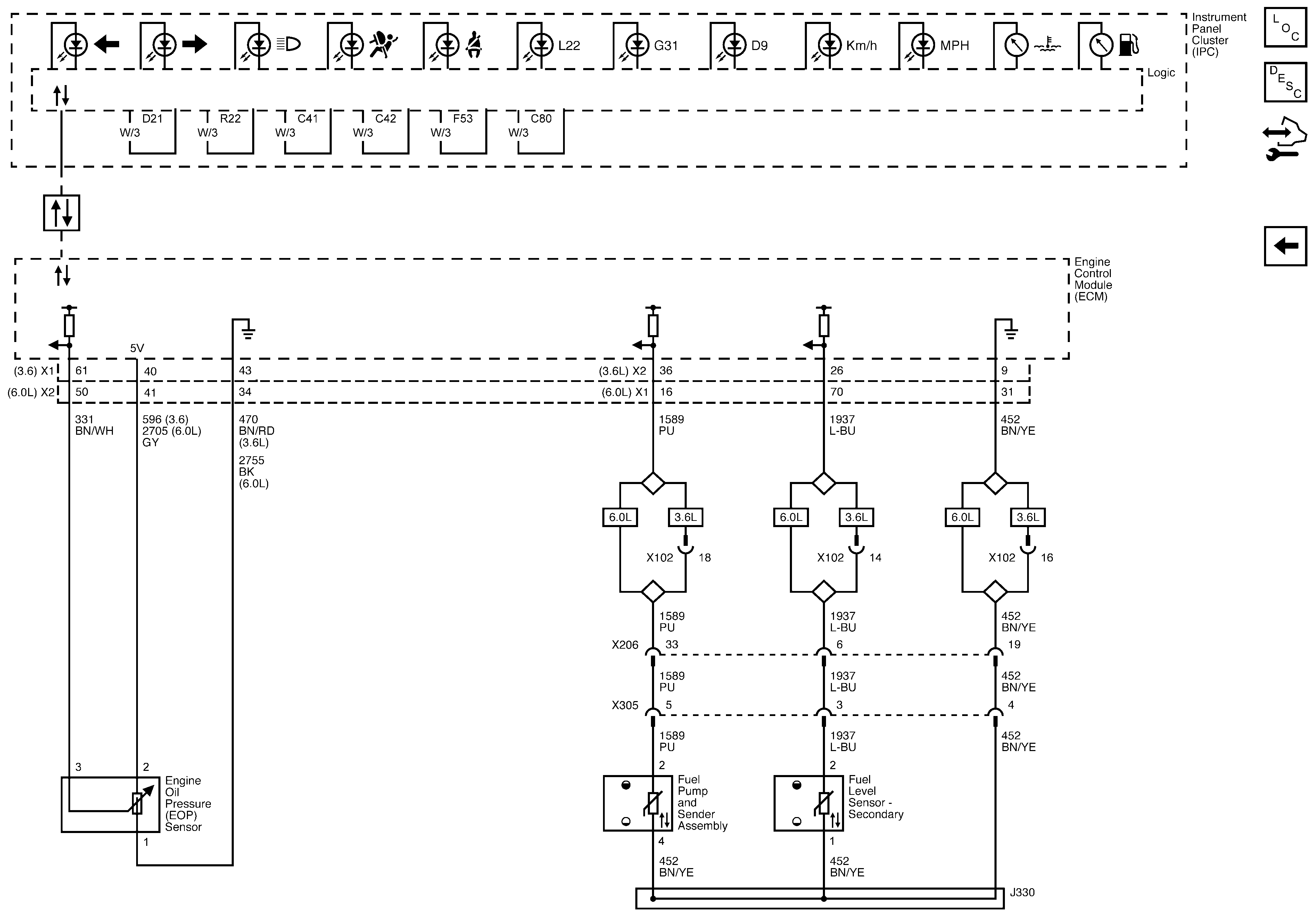
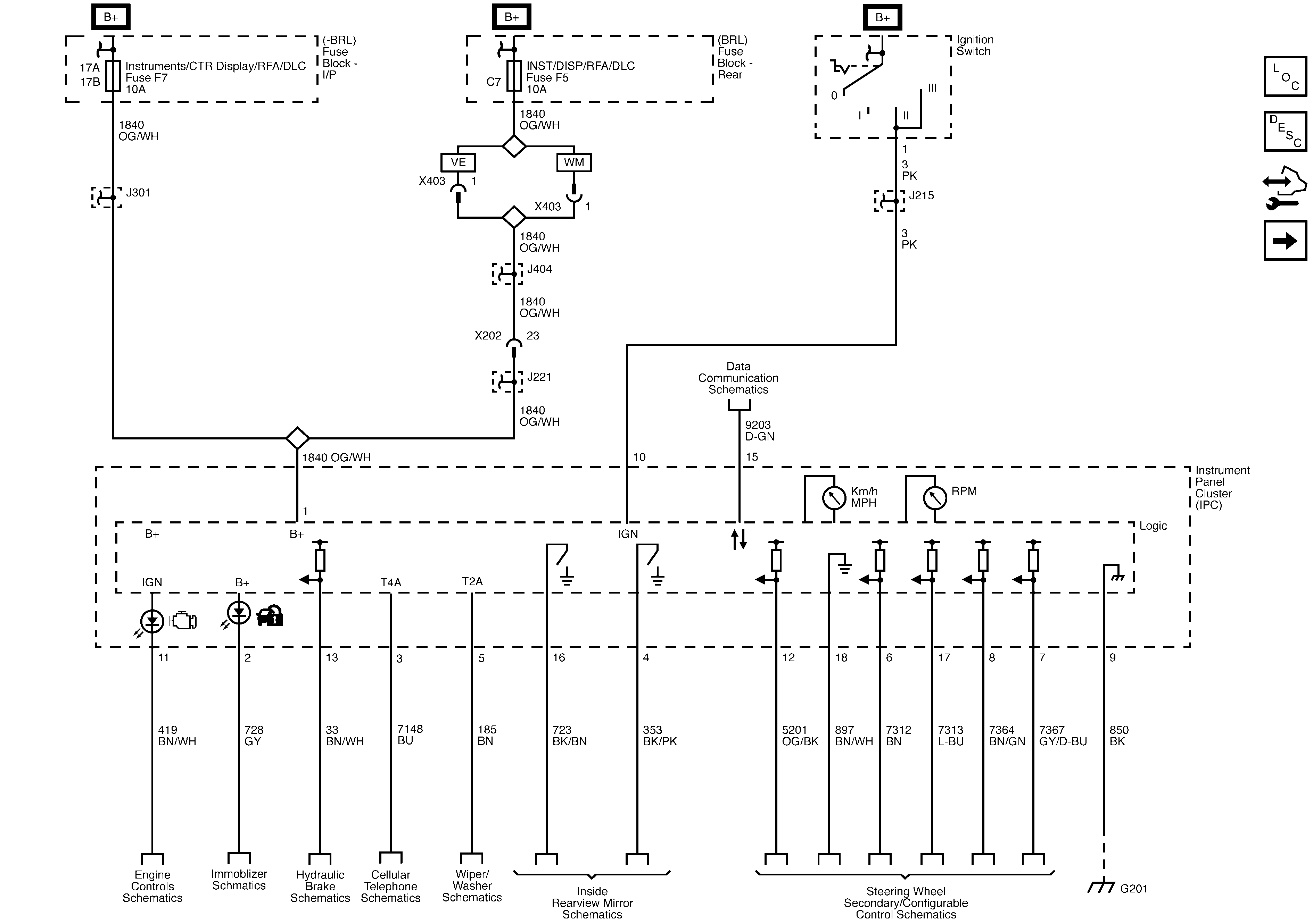
🢒 Instrument Cluster Schematics
Figure
1:
Power, Ground, and System References
Figure
2:
Indicators and Gages