GM Service Manual Online
For 1990-2009 cars only
Makes
🢒
Chevrolet
🢒
2009
🢒
Omega VE
🢒
Power and Signal Distribution
🢒
Wiring Systems and Power Management
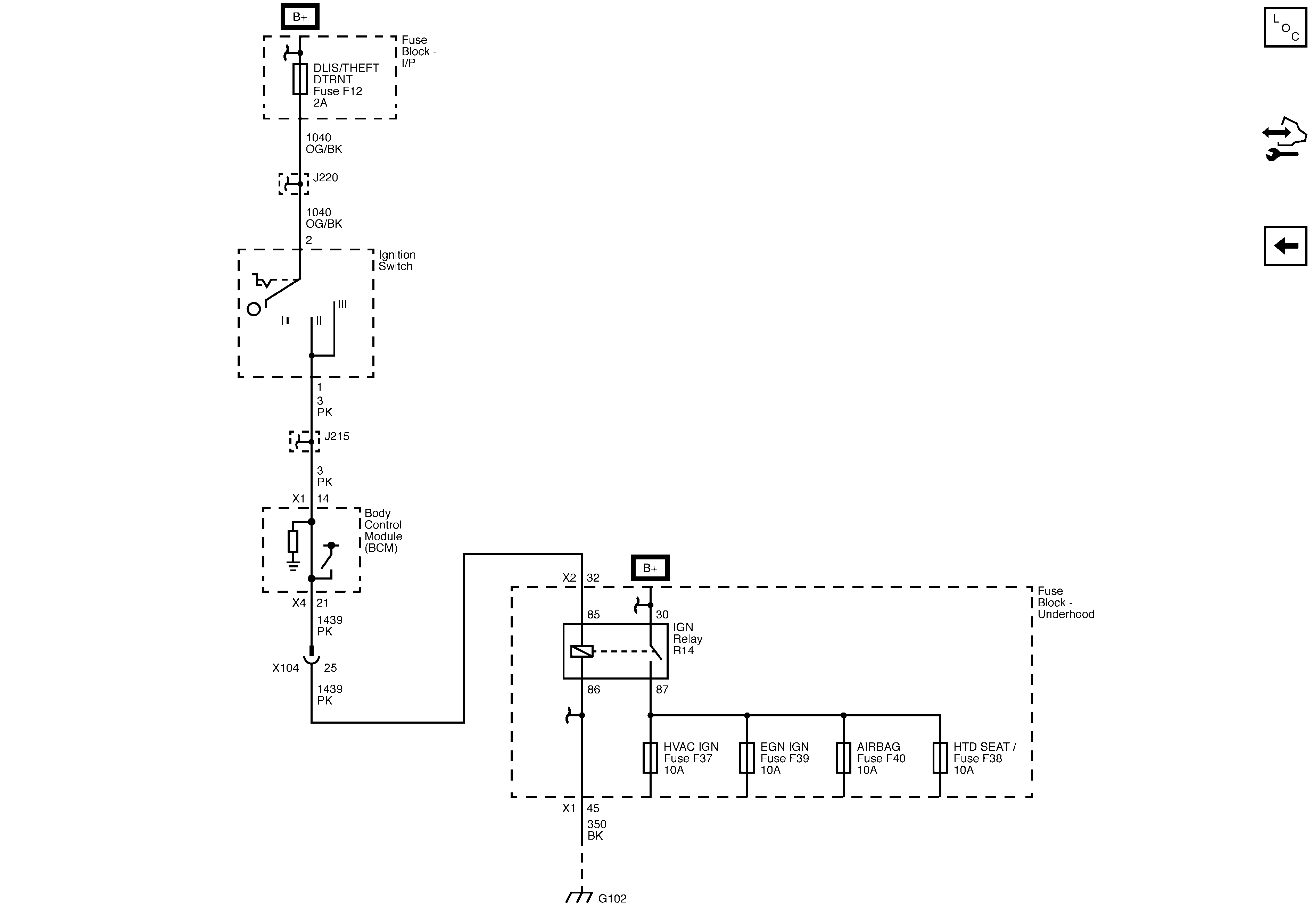
🢒 Power Moding Schematics
Figure
1:
ACCY and RAP 1 Control
Figure
2:
IGN Control