GM Service Manual Online
For 1990-2009 cars only

HVAC Schematics RHD

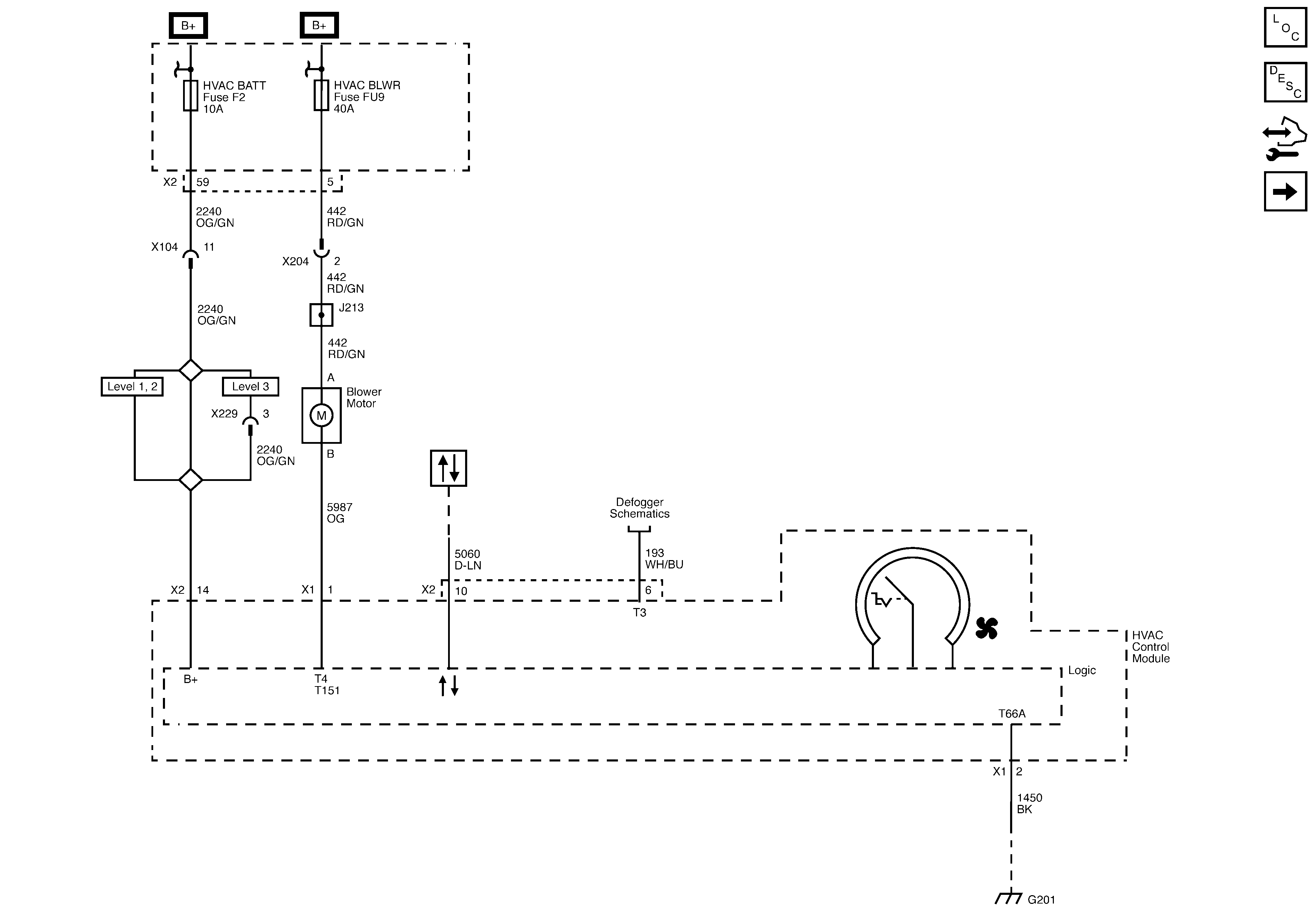
Figure 1:

HVAC Module, Power, Ground, Serial Data, and Blower Controls


Object Number: 2153469  Size: FS
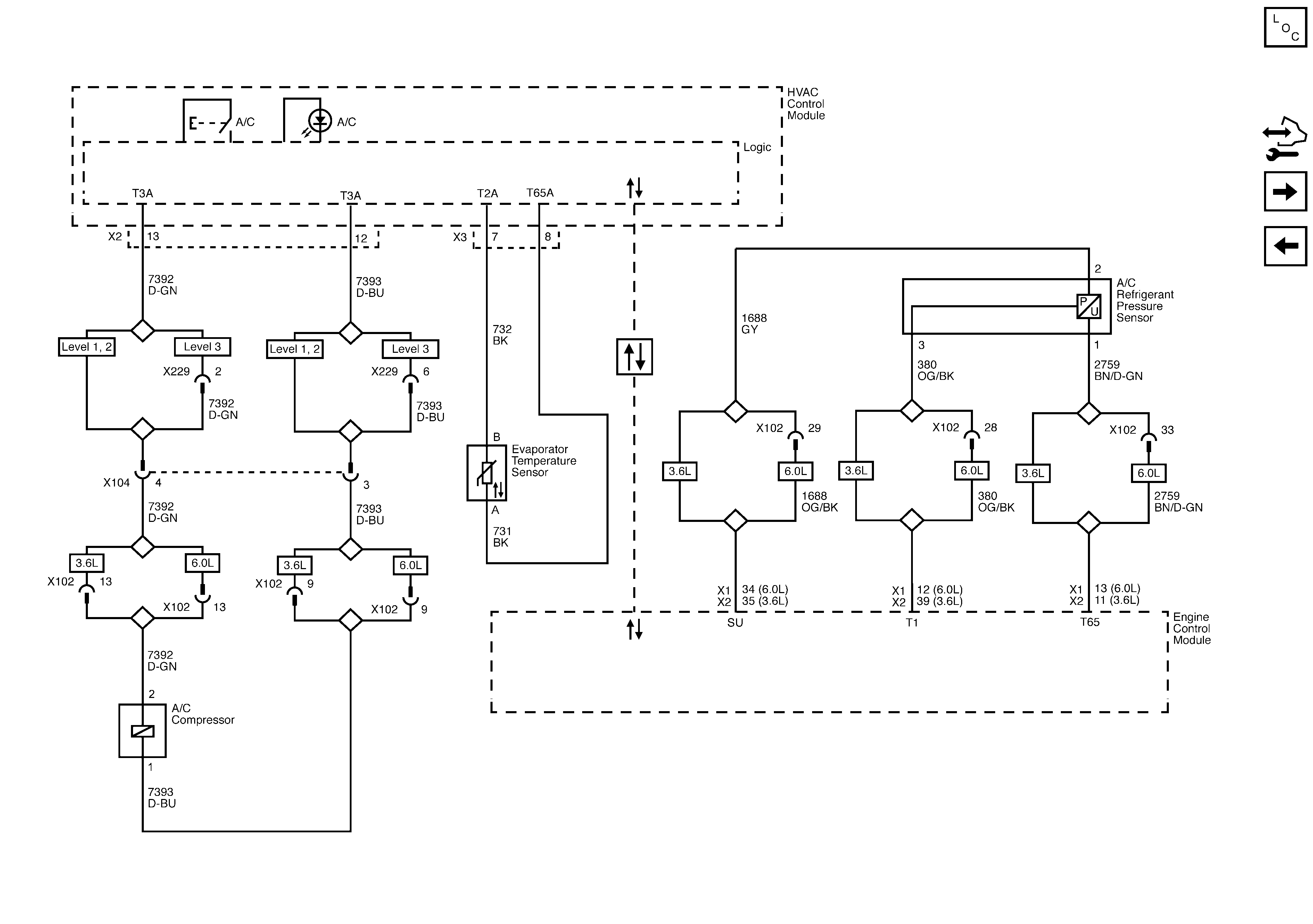
Figure 2:

Compressor Controls


Object Number: 2153470  Size: FS
Figure 3:

Air Delivery and Temperature Controls


Object Number: 2153471  Size: FS

HVAC Schematics LHD

Figure 1:

HVAC Module, Power, Ground, Serial Data, and Blower Controls


Object Number: 2153469  Size: FS
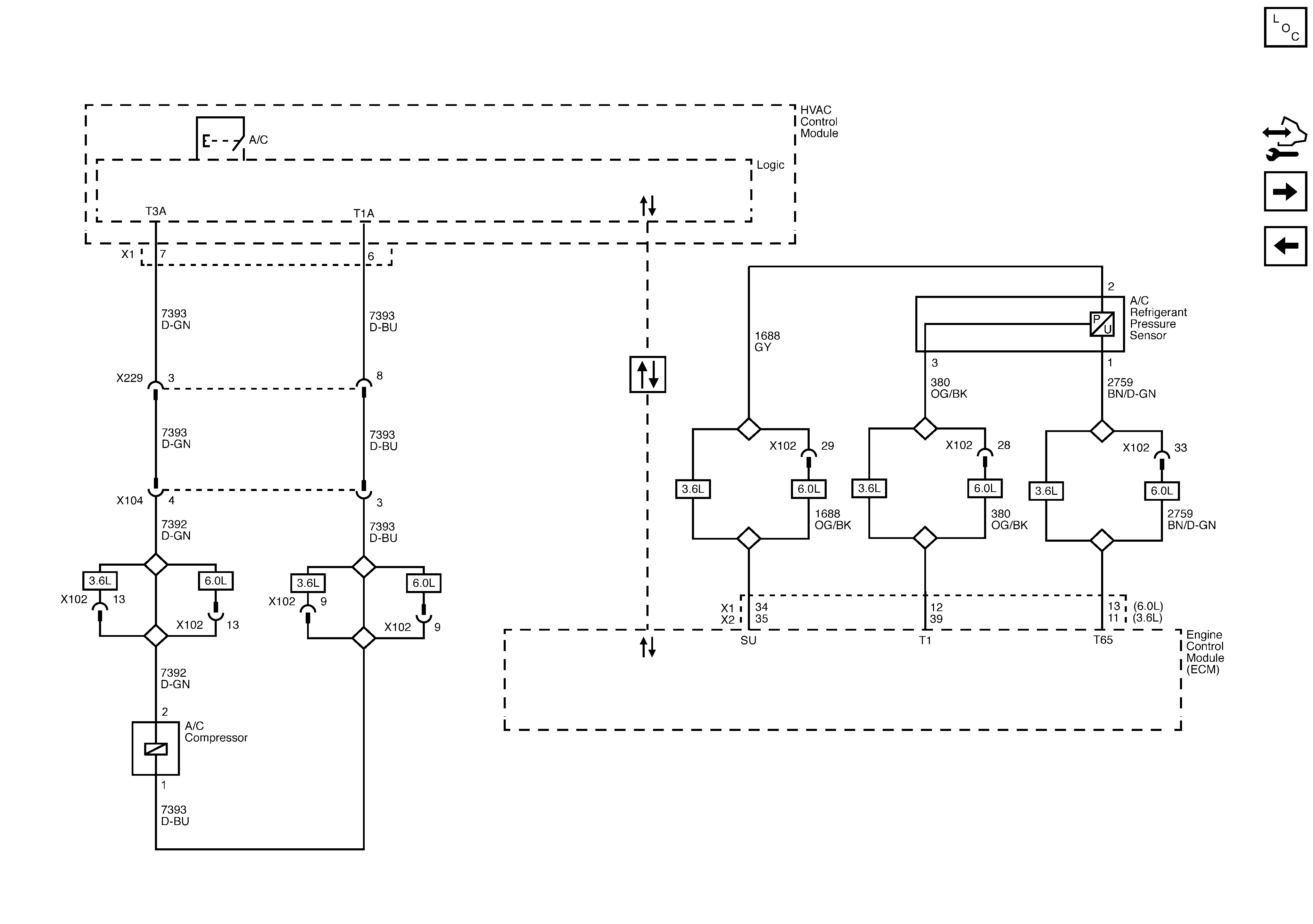
Figure 2:

Compressor Controls


Object Number: 2153472  Size: FS
Figure 3:

Air Delivery and Temperature Controls


Object Number: 2153474  Size: FS