GM Service Manual Online
For 1990-2009 cars only
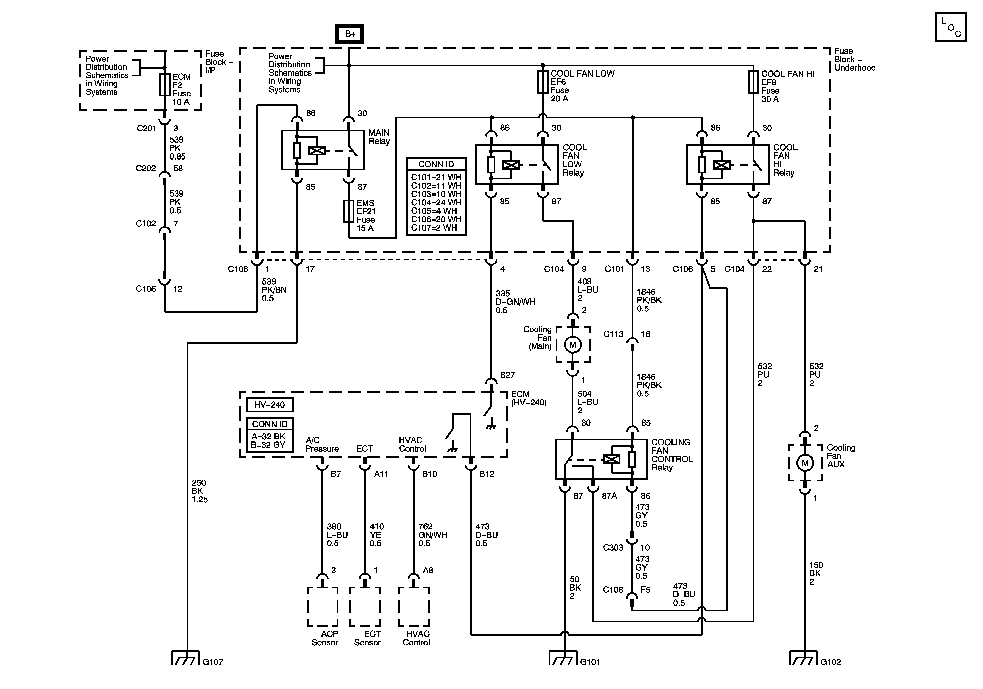
Figure 1:

MR-140


Object Number: 1360842  Size: FS
Master Electrical Component List
I/P Fuse Block - ECM Fuse
Underhood Fuse Block - COOL FAN LOW and COOL FAN HI Fuses
Figure 2:

Sirius-D4


Object Number: 1360840  Size: FS
Master Electrical Component List
I/P Fuse Block - ECM Fuse
Figure 3:

HV-240


Object Number: 1360843  Size: FS
Master Electrical Component List
I/P Fuse Block - ECM Fuse
Underhood Fuse Block - COOL FAN LOW and COOL FAN HI Fuses