GM Service Manual Online
For 1990-2009 cars only

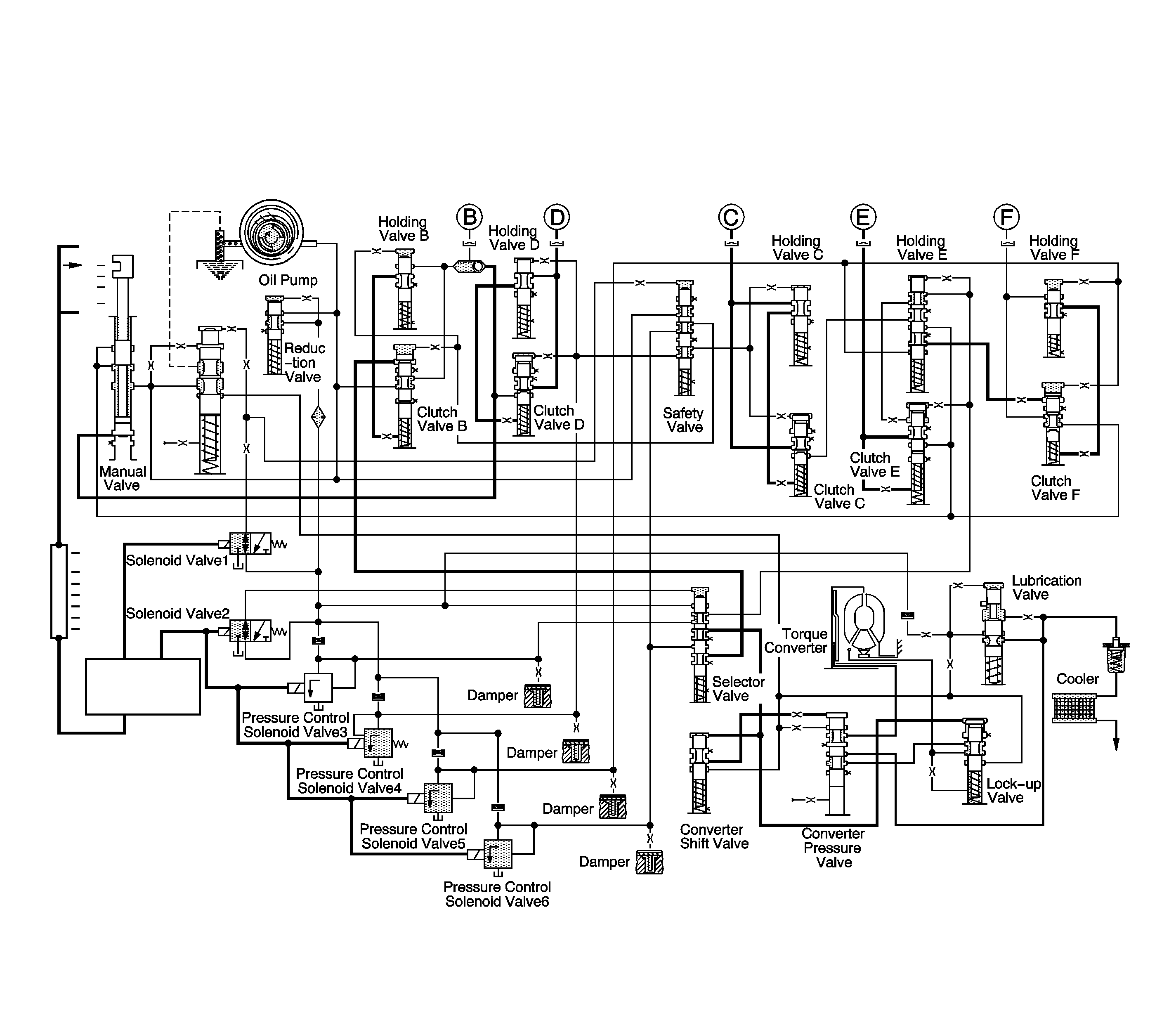
Object Number: 1255899  Size: FS

In Drive 1, the transaxle drive is through the input shaft and clutch B. The elements of this transaxle operation are as follows:

  1. Clutch B is engaged and drives the rear sun gear.
  2. The rear sun gear drives the front planetary gear carrier clockwise.
  3. The rear planetary gear carrier drives the front ring gear and the front planetary gear carrier in a clockwise direction.

Clutch B Engaged

In Park and Neutral, solenoid valves 1 and 2 are both ON. Pressure control solenoids 4 and 6 are also turned ON.

When the solenoid 6 is ON, the fluid supplied from the reduction valve flows to the safety valve, the clutch valve B, and the holding valve B. The oil that is supplied to the inlet port of the clutch valve presses on the valve spool. Line pressure flows to the holding valve and the check ball, engaging clutch B.

Clutch F Engaged

Pressure control solenoid 5 is switched ON. The line pressure, which passed through the reduction valve, flows to the holding valve and to the clutch valve inlet, depressing the valve spool.

Lock-up Clutch (TCC)

Solenoid 2 is turned ON and the spool to the line pressure control valve is depressed. Fluid now flows through the torque converter pressure valve.

As a result the oil pressure behind the converter lock-up clutch piston equals the pressure in the turbine zone. Oil flows through the turbine shaft and through the space behind the piston to the turbine chamber.

Lubrication/Cooling

The lubricating valve ensures that the converter is supplied with cooling oil first if the pump rate is low. The lubricating pressure valve also guarantees that the necessary amount of cooling and lubricating oil is available through the bypass duct.

The fluid which is supplied from the torque converter flows to the cooler through the lubrication valve.