GM Service Manual Online
For 1990-2009 cars only

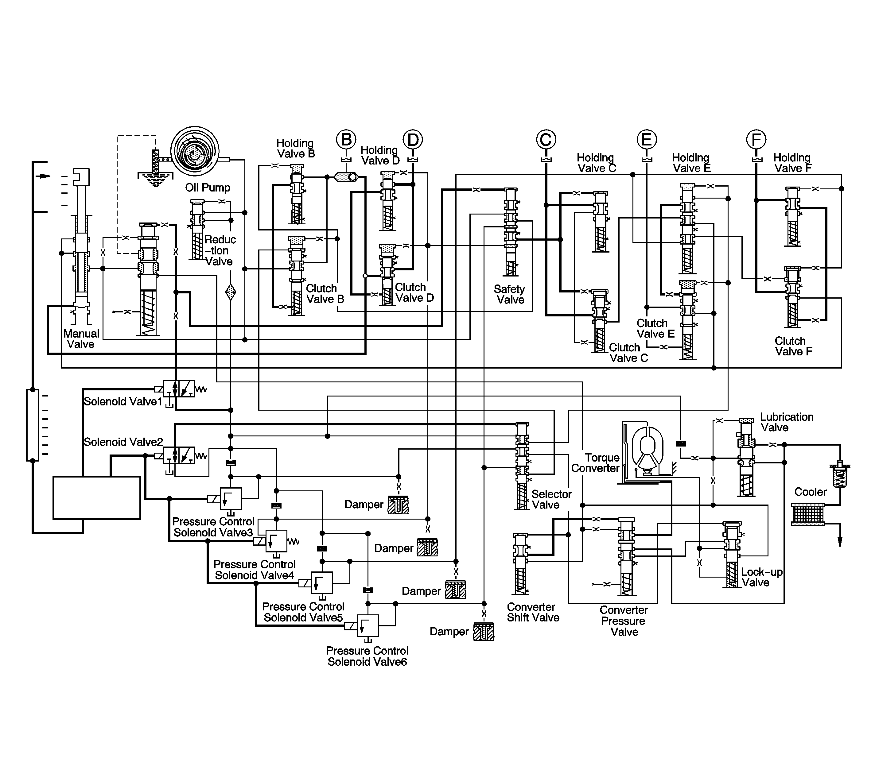
Object Number: 1255905  Size: FS

In Drive 3, the transaxle drive is through the input shaft to clutches B and E. The elements of this transaxle operation are as follows:

  1. Clutches B and E are engaged to drive the rear sun gear and the rear planetary gear carrier clockwise.
  2. The clockwise rotation of the rear sun gear and the rear planetary gear carrier causes the front planetary gear to rotate in the same direction.

Clutch B Engaged

In Park and Neutral, solenoid valves 1 and 2 are both ON. Pressure control solenoids 4 and 6 are also turned ON.

When the solenoid 6 is ON, the fluid supplied from the reduction valve flows to the safety valve, the clutch valve B, and the holding valve B. The oil that is supplied to the inlet port of the clutch valve presses on the valve spool. Line pressure flows to the holding valve and the check ball, engaging clutch B.