GM Service Manual Online
For 1990-2009 cars only

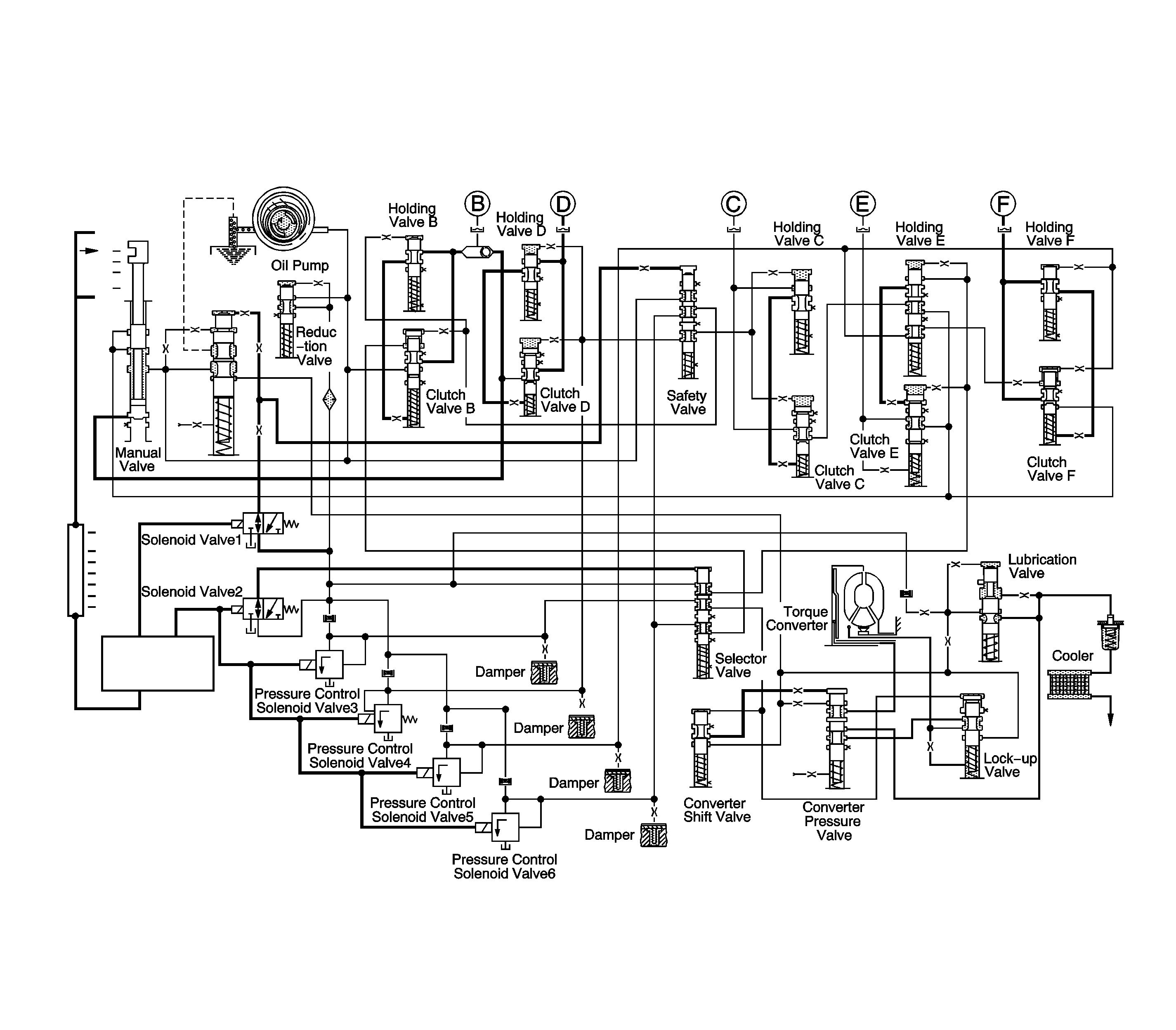
Object Number: 1255903  Size: FS

In Drive 4, the transaxle drive is through the input shaft and clutches E and C. The elements of this transaxle operation are as follows:

  1. Clutch E is engaged to drive the rear planetary gear carrier .
  2. The rear planetary gear carrier drives the rear ring gear.
  3. The rear ring gear carrier drives the differential gear.

Clutch E Engaged

Solenoid 2 is switched OFF. Line pressure flows from the reduction valve to the inlet port of clutch valve E. Fluid passes through the clutch valve, and clutch E engages.

Clutch C Engaged

Pressure control solenoid valve 4 is switched OFF causing the fluid level to be high. Line pressure is directed to the safety valve, the clutch valve D, and the holding valve D. Clutch valve C and holding valve C engage when the pressure flows through the safety valve.