GM Service Manual Online
For 1990-2009 cars only
Makes
🢒
Chevrolet
🢒
2004
🢒
Optra
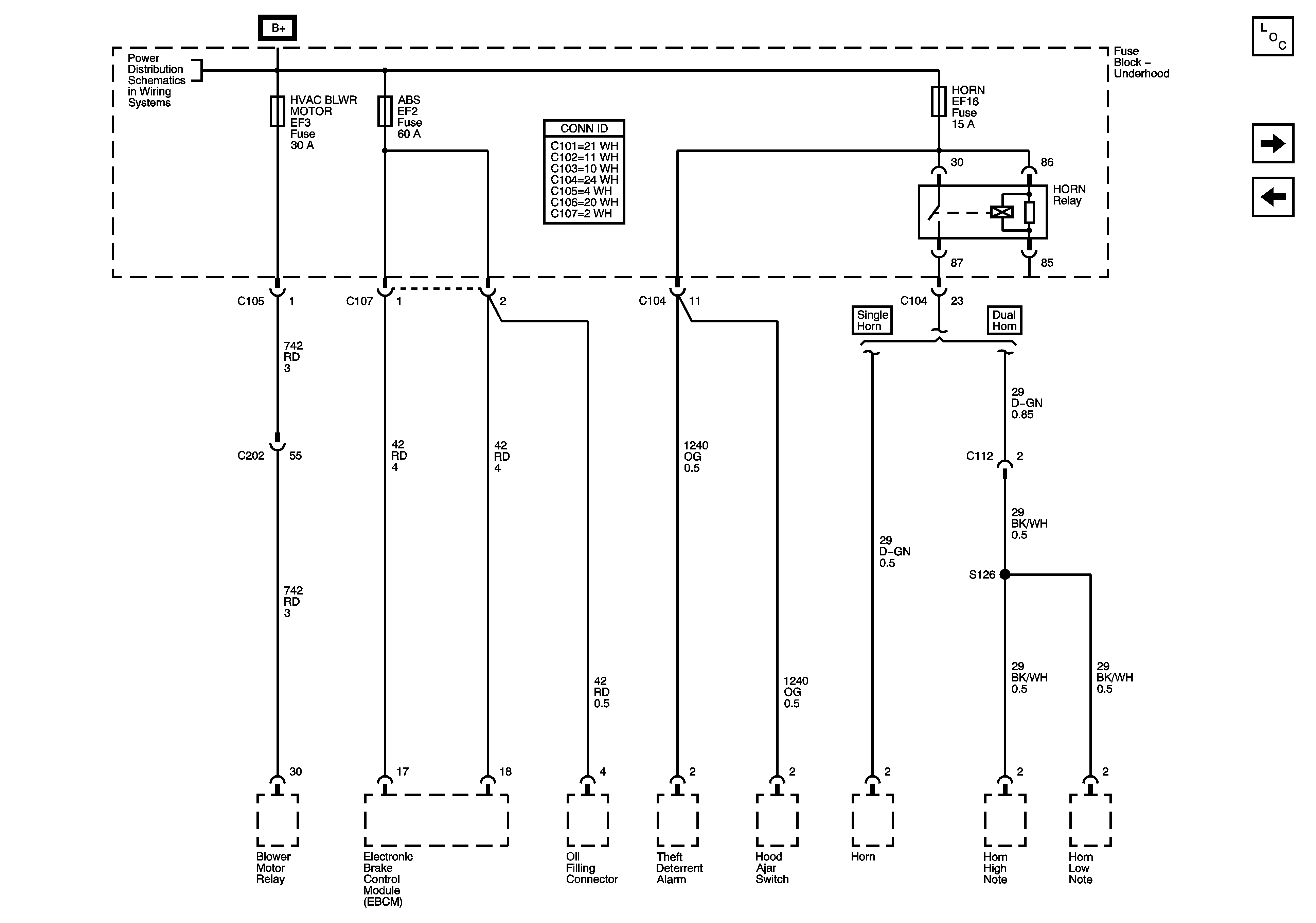
🢒 Underhood Fuse Block - HVAC BLWR, ABS and HORN Fuses
Underhood Fuse Block - HVAC BLWR, ABS and HORN Fuses
Underhood Fuse Block - HVAC BLWR, ABS and HORN Fuses
Master Electrical Component List
Underhood Fuse Block - IP FUSE, DR/LOCK and STOP LAMPS Fuses
Underhood Fuse Block - Battery Feeds
Underhood Fuse Block - Battery Feeds