GM Service Manual Online
For 1990-2009 cars only
Makes
🢒
Chevrolet
🢒
2004
🢒
Optra
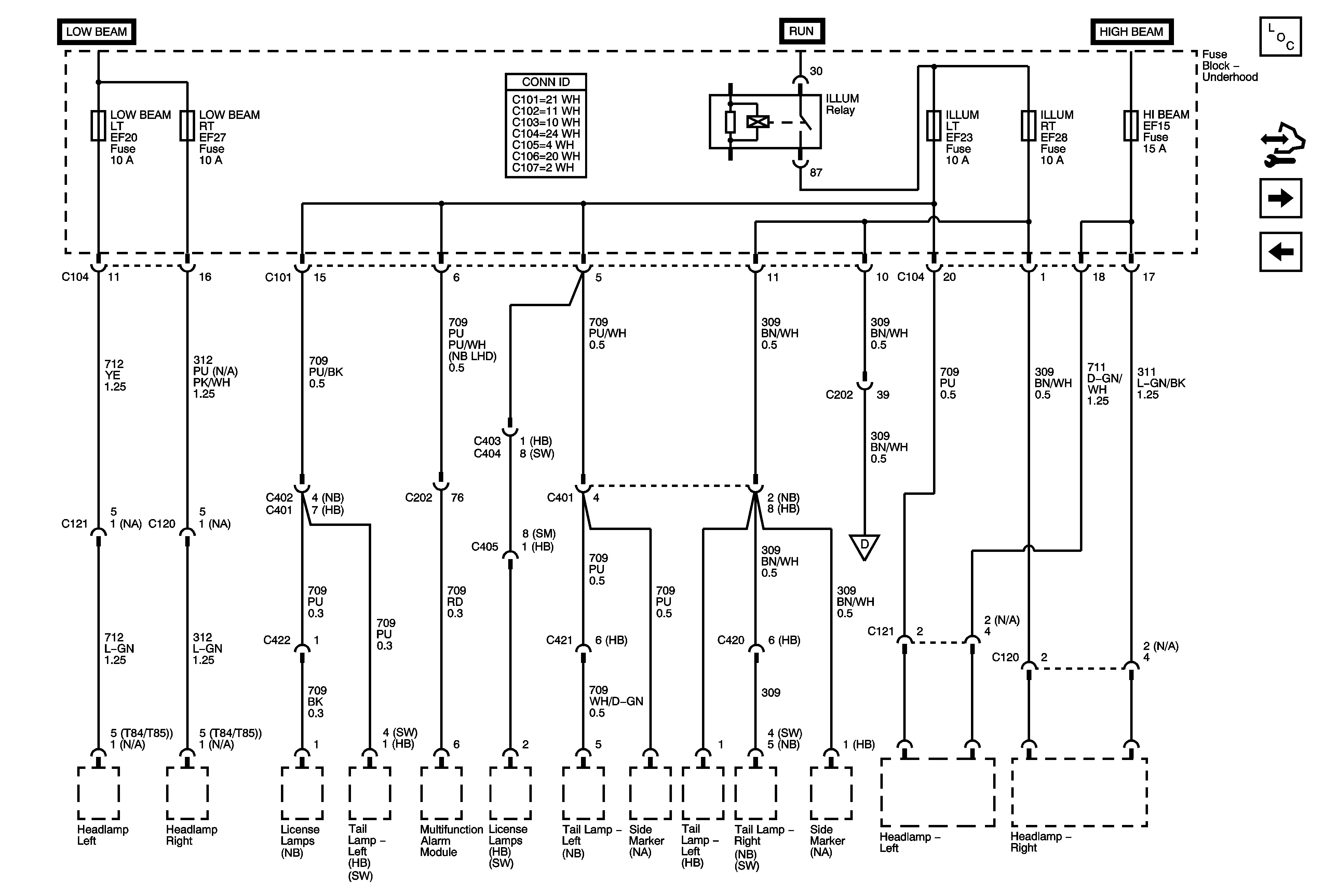
🢒 Underhood Fuse Block - LOW BEAM LT, LOW BEAM RT, ILLUM LT, ILLUM RT, and HI BEAM Fuses
Underhood Fuse Block - LOW BEAM LT, LOW BEAM RT, ILLUM LT, ILLUM RT, and HI BEAM Fuses
Underhood Fuse Block - LOW BEAM LT, LOW BEAM RT, ILLUM LT, ILLUM RT, and HI BEAM Fuses
Master Electrical Component List
Underhood Fuse Block - HI BEAM Fuse w/o Dimming
Underhood Fuse Block - HEAD LAMPS Fuse
Underhood Fuse Block - HI BEAM Fuse w/o Dimming