GM Service Manual Online
For 1990-2009 cars only
Makes
🢒
Chevrolet
🢒
2004
🢒
Optra
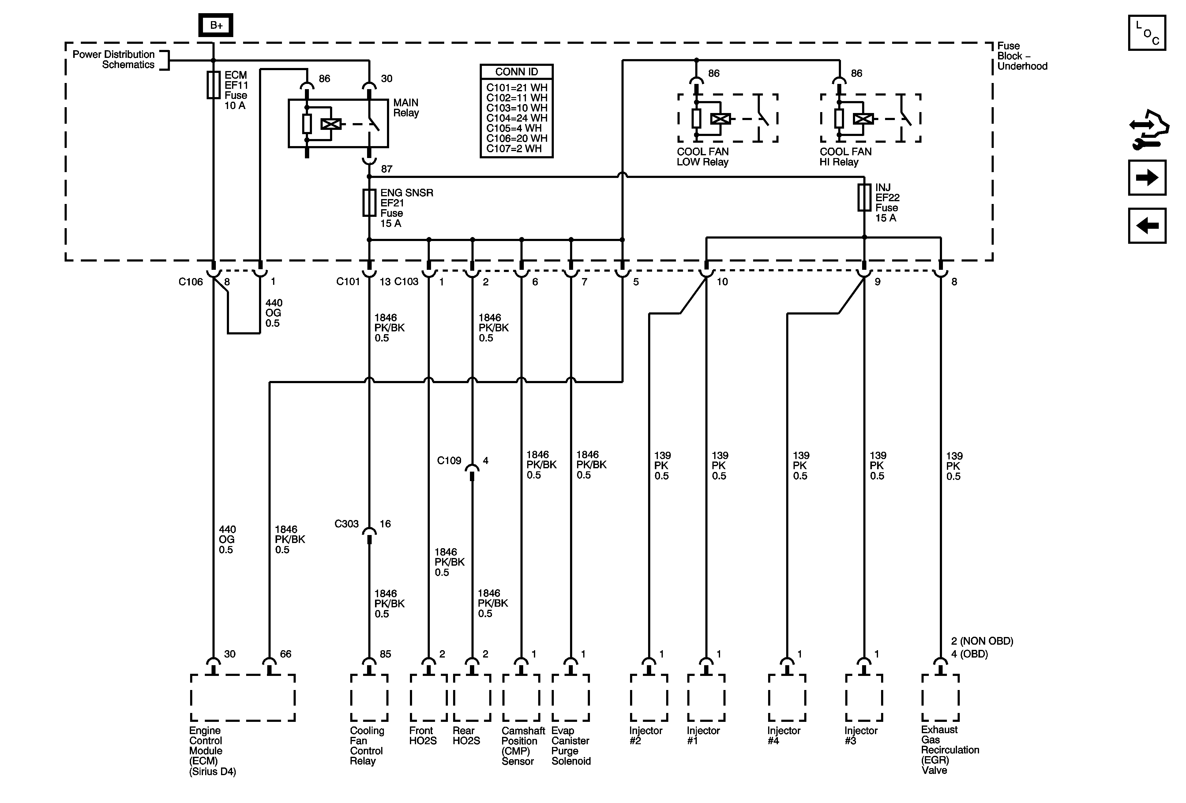
🢒 Underhood Fuse Block - MAIN Relay and ECM, ENG SNSR, and INJ Fuses - 1.2L
Underhood Fuse Block - MAIN Relay and ECM, ENG SNSR, and INJ Fuses - 1.2L
Underhood Fuse Block - MAIN Relay and ECM, ENG SNSR, and INJ Fuses - 1.2L
Master Electrical Component List
Underhood Fuse Block - MAIN Relay and ECM, ENG SNSR, and INJ Fuses - MR-140
Underhood Fuse Block - A/C, DEFOG, and MIR HTD Fuses
Underhood Fuse Block - Battery Feeds