GM Service Manual Online
For 1990-2009 cars only
Makes
🢒
Chevrolet
🢒
2004
🢒
Optra
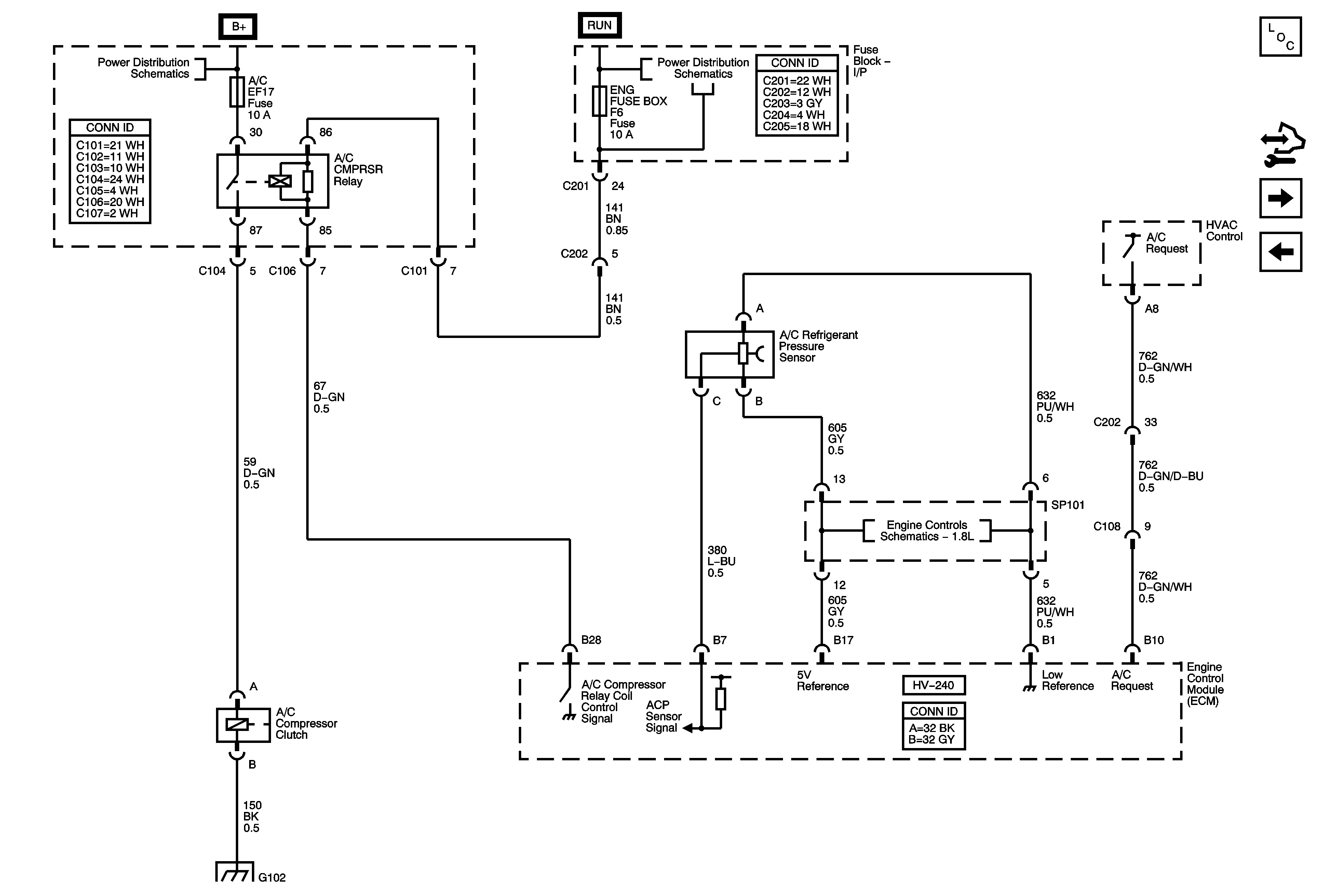
🢒 Compressor Controls - HV-240
Compressor Controls - HV-240
Compressor Controls - HV-240
Master Electrical Component List
Underhood Fuse Block - A/C, DEFOG, and MIR HTD Fuses
I/P Fuse Block - CLSTR, AIR BAG, BCK/UP, and ENG FUSE BOX DRL Fuses
Module Power, Ground, Serial Data, Malfunction Indicator Lamp (MIL)