GM Service Manual Online
For 1990-2009 cars only
Makes
🢒
Chevrolet
🢒
2004
🢒
Optra
🢒 Hydraulic Brakes
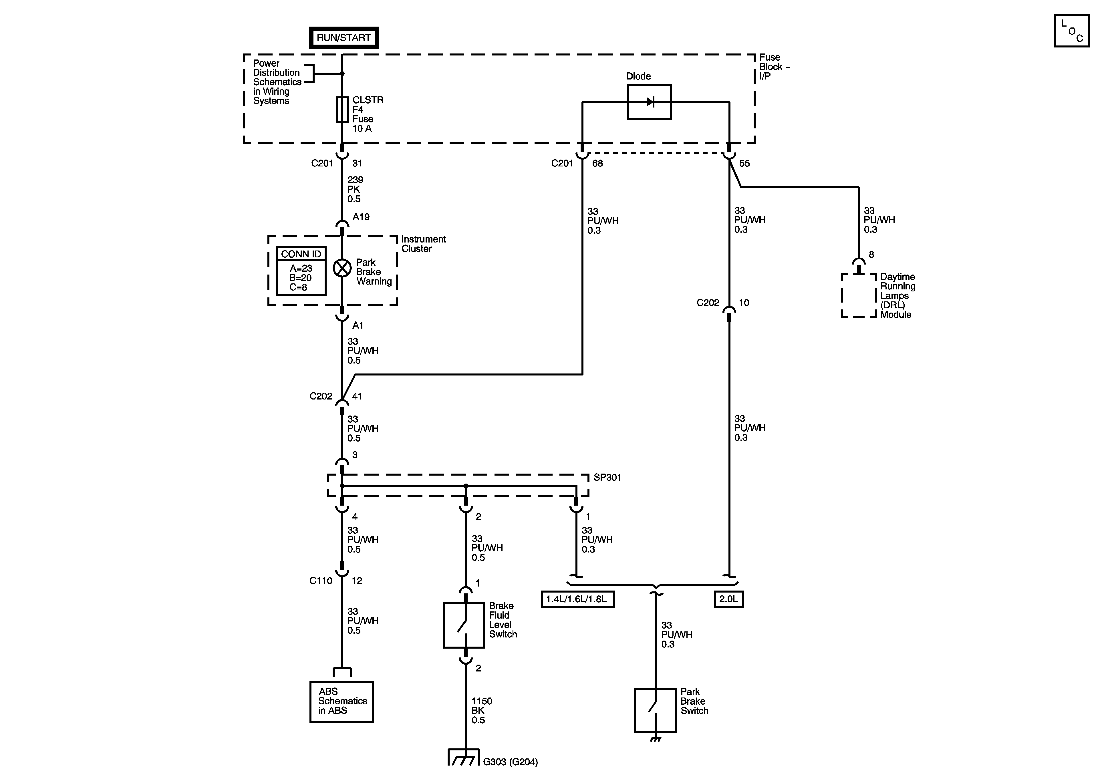
Hydraulic Brakes
Hydraulic Brakes
Master Electrical Component List
I/P Fuse Block - CLSTR, AIR BAG, BCK/UP, and ENG FUSE BOX DRL Fuses