GM Service Manual Online
For 1990-2009 cars only
Makes
🢒
Chevrolet
🢒
2004
🢒
Optra
🢒 Powers, Grounds, Wheel Speed Sensors
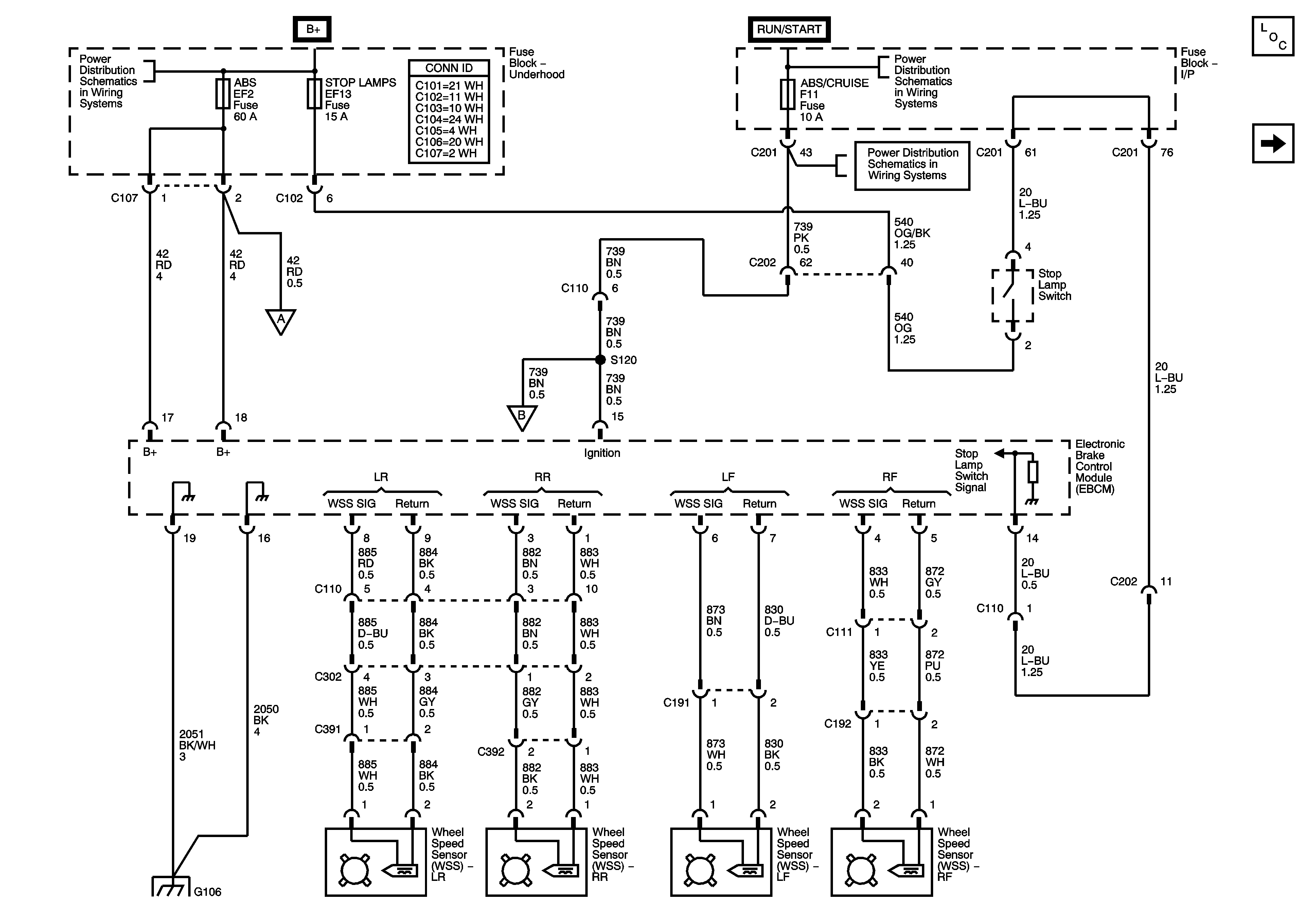
Powers, Grounds, Wheel Speed Sensors
Powers, Grounds, Wheel Speed Sensors
Master Electrical Component List
Warning Lamps, Serial Data, Rough Road
I/P Fuse Block - ABS, IMMOBILIZER, WPR, AND TRN SIG LAMPS Fuses
I/P Fuse Block - ABS, IMMOBILIZER, WPR, AND TRN SIG LAMPS Fuses
I/P Fuse Block - ABS, IMMOBILIZER, WPR, AND TRN SIG LAMPS Fuses