GM Service Manual Online
For 1990-2009 cars only
Makes
🢒
Chevrolet
🢒
2004
🢒
Optra
🢒 Fuel Controls - Fuel Pump Controls and Fuel Injectors
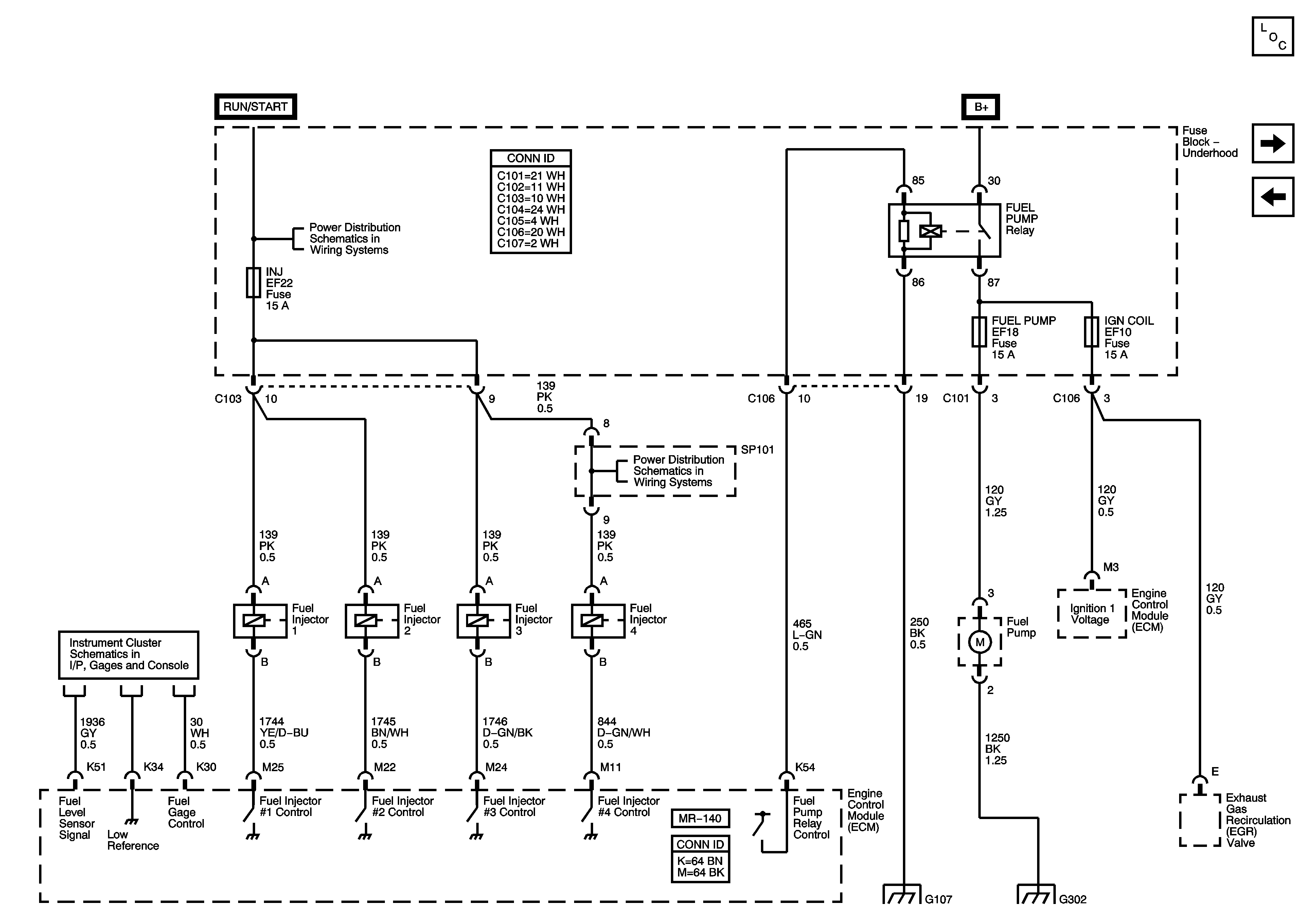
Fuel Controls - Fuel Pump Controls and Fuel Injectors
Fuel Controls - Fuel Pump Controls And Fuel Injectors
Master Electrical Component List
Fuel Controls - EVAP Controls
Ignition Controls - Sensors
I/P Fuse Block - CLSTR, AIR BAG, BCK/UP, and ENG FUSE BOX DRL Fuses
Underhood Fuse Block - MAIN Relay and ECM, ENG SNSR, and INJ Fuses - 1.5L
Underhood Fuse Block - MAIN Relay and ECM, ENG SNSR, and INJ Fuses - 1.5L