GM Service Manual Online
For 1990-2009 cars only
Makes
🢒
Chevrolet
🢒
2004
🢒
Optra
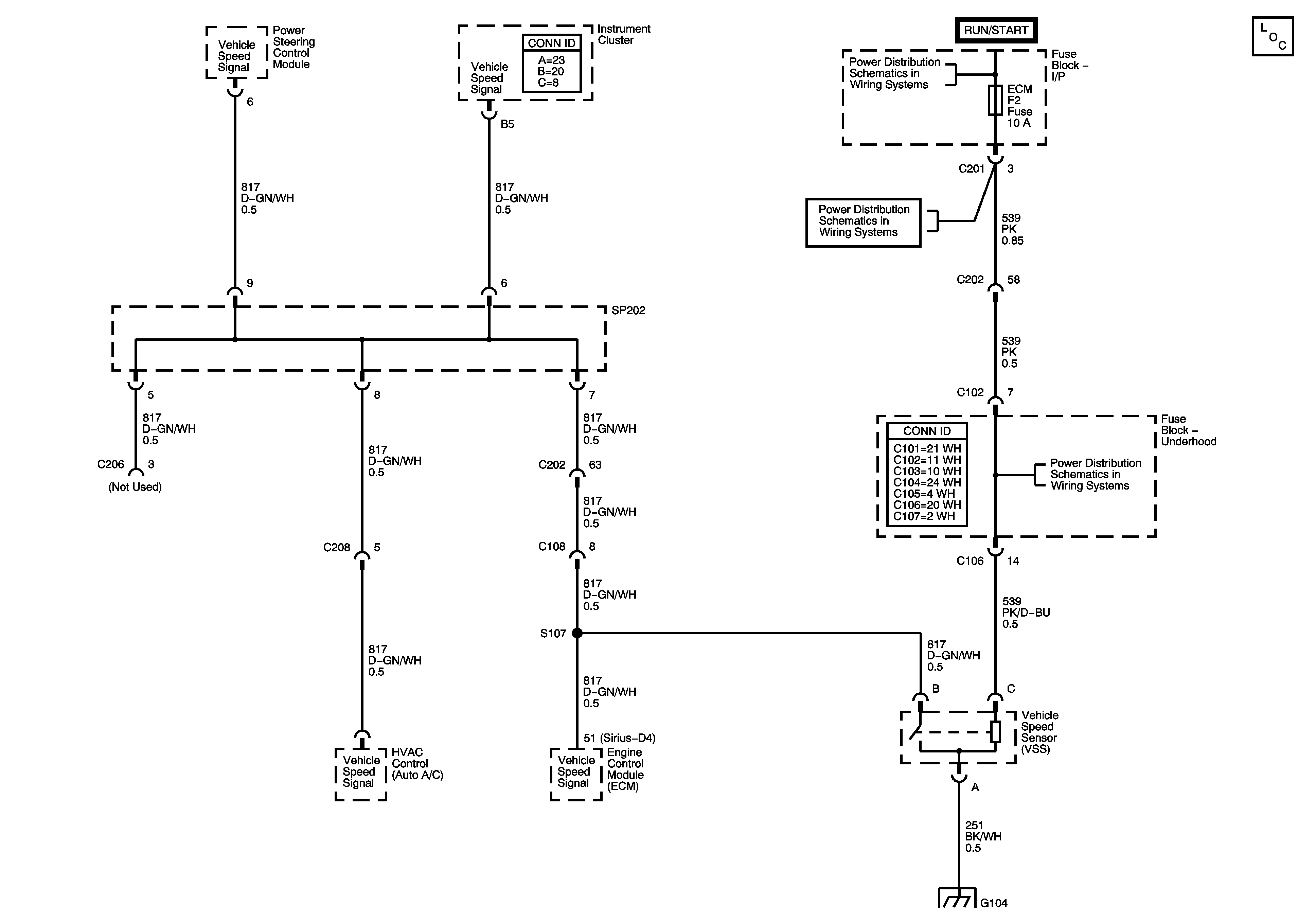
🢒 Vehicle Speed Sensor (VSS)
Vehicle Speed Sensor (VSS)
Vehicle Speed Sensor (VSS)
Master Electrical Component List
I/P Fuse Block - ECM Fuse
I/P Fuse Block - ECM Fuse
I/P Fuse Block - ECM Fuse