GM Service Manual Online
For 1990-2009 cars only
Makes
🢒
Chevrolet
🢒
2004
🢒
Optra
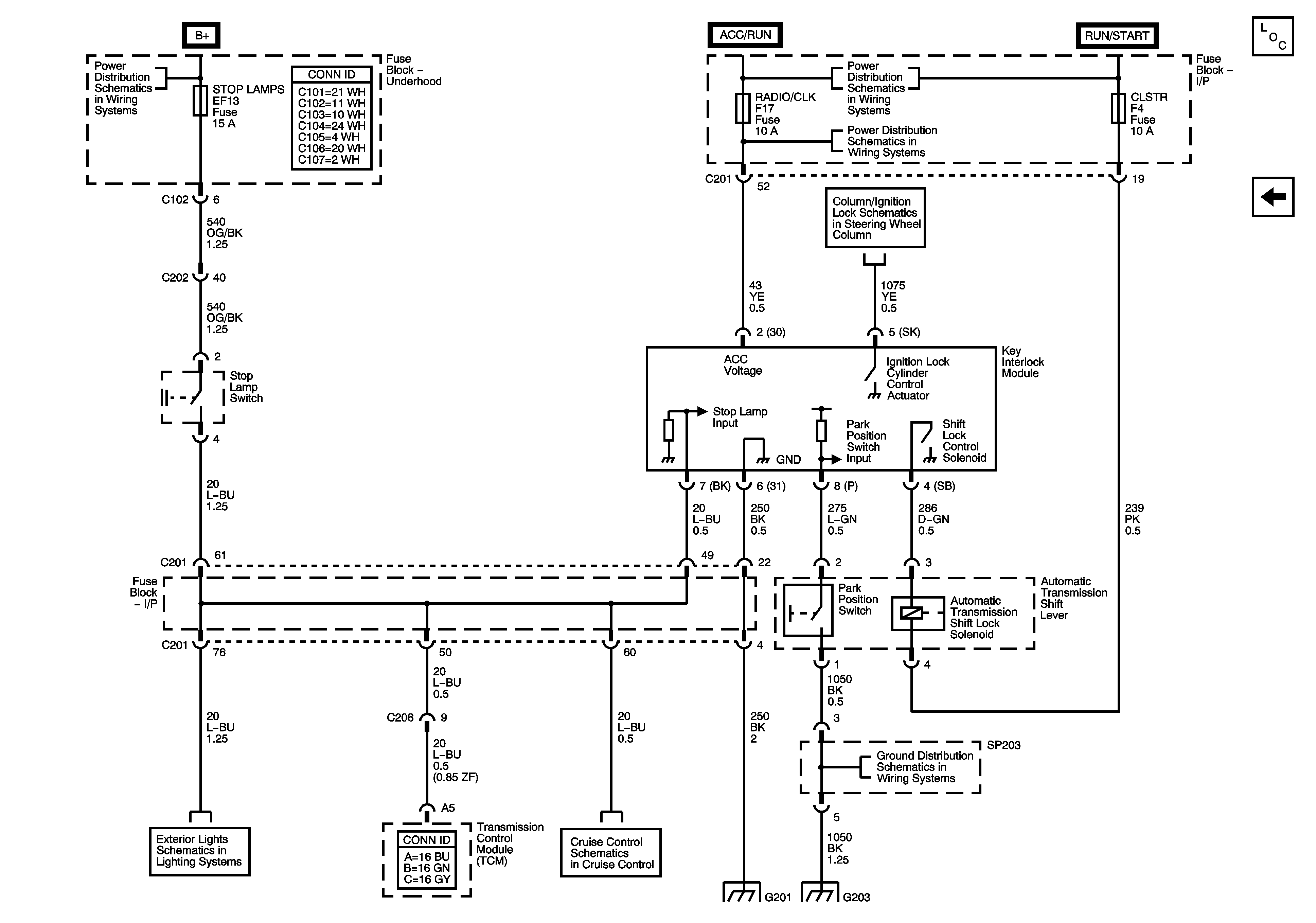
🢒 Shift Lock Control - w/ Ignition Lock Cylinder Control Actuator
Shift Lock Control - w/ Ignition Lock Cylinder Control Actuator
w/Ignition Lock Cylinder Control Actuator
Master Electrical Component List
Shift Lock Control - w/o Ignition Lock Cylinder Control Actuator
Underhood Fuse Block - IP FUSE, DR/LOCK and STOP LAMPS Fuses
I/P Fuse Block - RADIO/CLK, AUX LTR, and LTR Fuses
I/P Fuse Block - RADIO/CLK, AUX LTR, and LTR Fuses
Ignition Lock
Stop Lamps (Notchback)
Automatic Transmission
G203