GM Service Manual Online
For 1990-2009 cars only
Makes
🢒
Chevrolet
🢒
2004
🢒
Optra
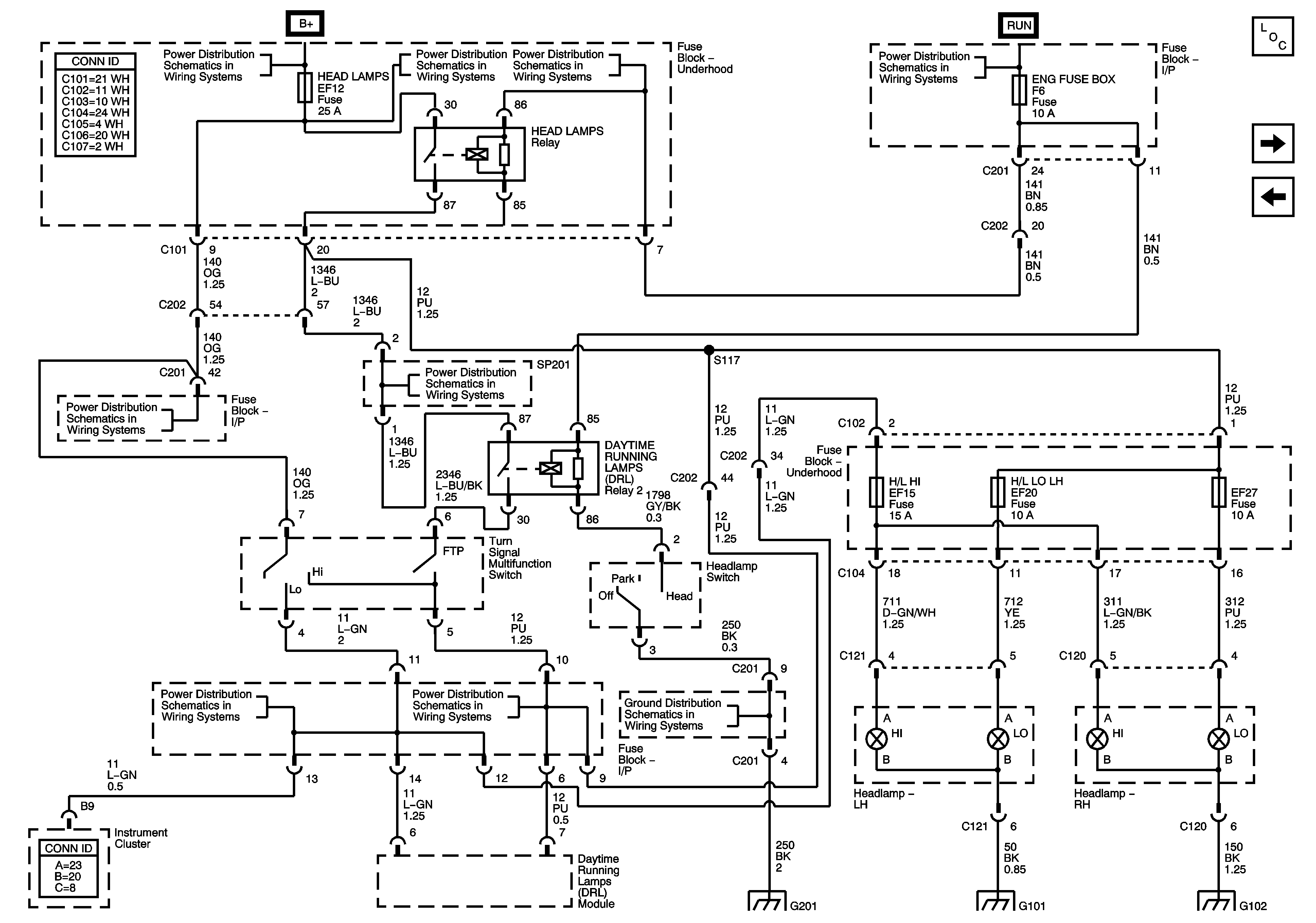
🢒 Headlamps (w/ Scandanavia Daytime Running Lamps (DRL))
Headlamps (w/ Scandanavia Daytime Running Lamps (DRL))
Headlamps (w/ Scandanavia Daytime Running Lamps (DRL))
Master Electrical Component List
Headlamps (w/ North American Daytime Running Lamps (DRL))
Headlamps (w/o Daytime Running Lamps (DRL))
Underhood Fuse Block - HEAD LAMPS Fuse
Underhood Fuse Block - HEAD LAMPS Fuse
Underhood Fuse Block - HEAD LAMPS Fuse
Underhood Fuse Block - HEAD LAMPS Fuse
Underhood Fuse Block - HEAD LAMPS Fuse
Underhood Fuse Block - HEAD LAMPS Fuse
I/P Fuse Block - CLSTR, AIR BAG, BCK/UP, and ENG FUSE BOX DRL Fuses
I/P Fuse Block - CLSTR, AIR BAG, BCK/UP, and ENG FUSE BOX DRL Fuses
I/P Fuse Block - CLSTR, AIR BAG, BCK/UP, and ENG FUSE BOX DRL Fuses