GM Service Manual Online
For 1990-2009 cars only
Makes
🢒
Chevrolet
🢒
2004
🢒
Optra
🢒 Stop Lamps (Hatchback)
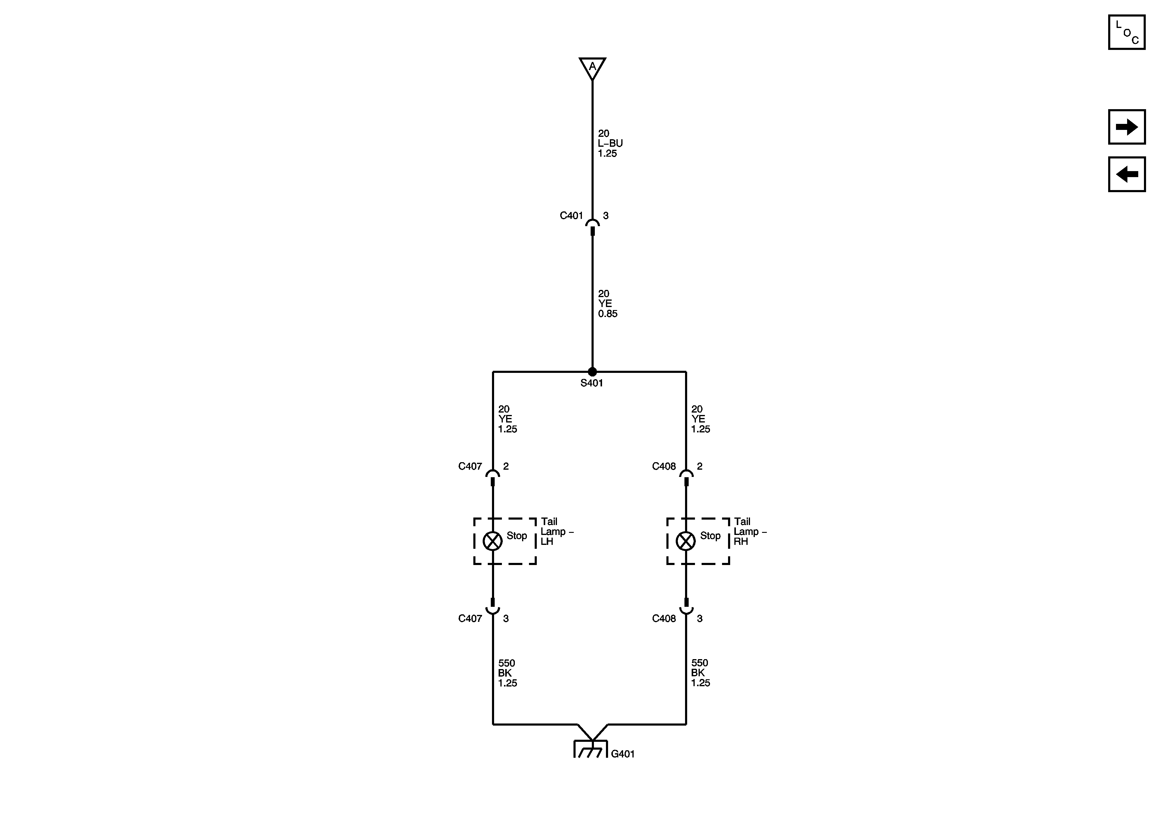
Stop Lamps (Hatchback)
Stop Lamps (Hatchback)
Master Electrical Component List
Backup Lamps (Notchback)
Stop Lamps (Hatchback)
Stop Lamps (Hatchback)