GM Service Manual Online
For 1990-2009 cars only
Makes
🢒
Chevrolet
🢒
2004
🢒
Optra
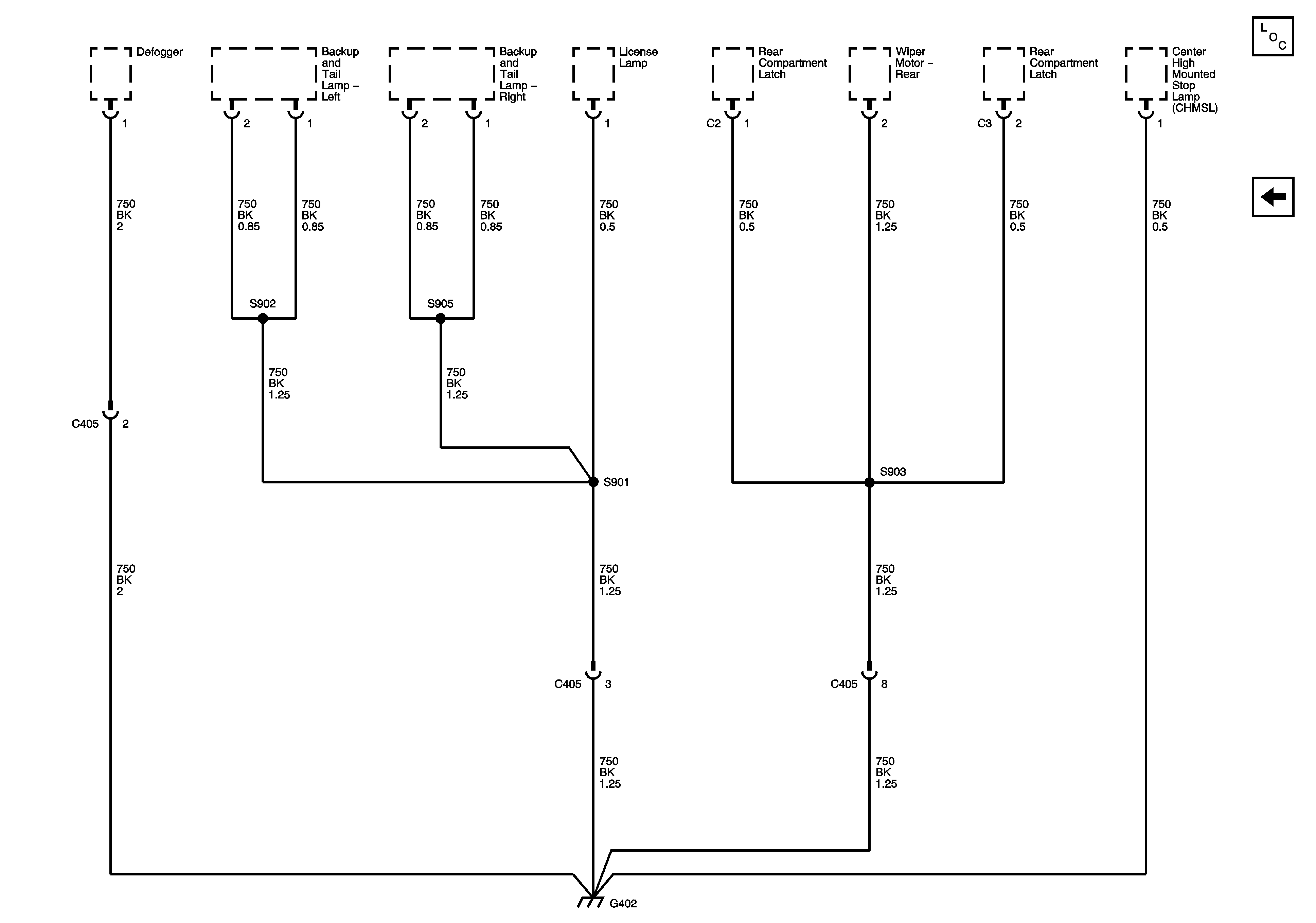
🢒 G402 - Hatchback Tailgate
G402 - Hatchback Tailgate
G402 - Hatchback Tailgate
Master Electrical Component List
G401 - Hatchback