GM Service Manual Online
For 1990-2009 cars only
Makes
🢒
Chevrolet
🢒
2005
🢒
Optra
🢒
Body
🢒
Doors
🢒 Power Window Schematics
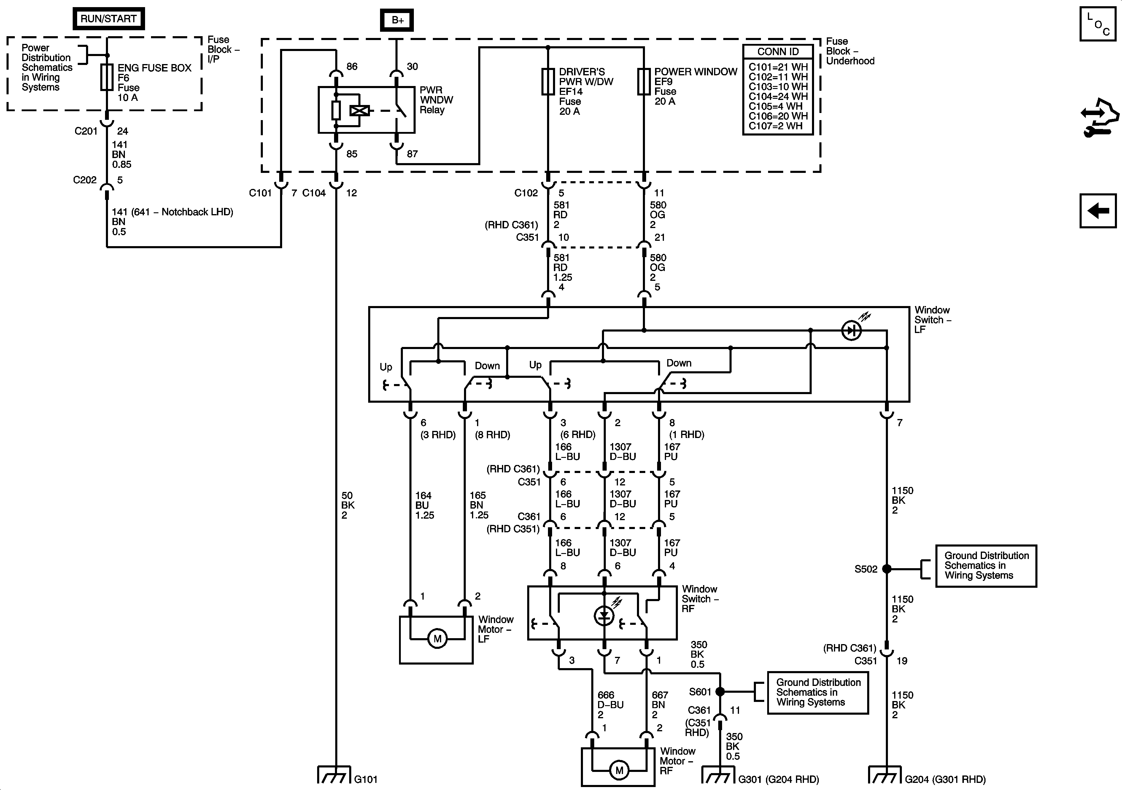
Figure
1:
Front/Rear Power Windows
Master Electrical Component List
Front Power Windows
I/P Fuse Block CLSTR, AIR BAG, BCK/UP and ENG FUSE BOX DRL Fuses
G402
G303, G401
G101
G302
G303, G401
G302
G402
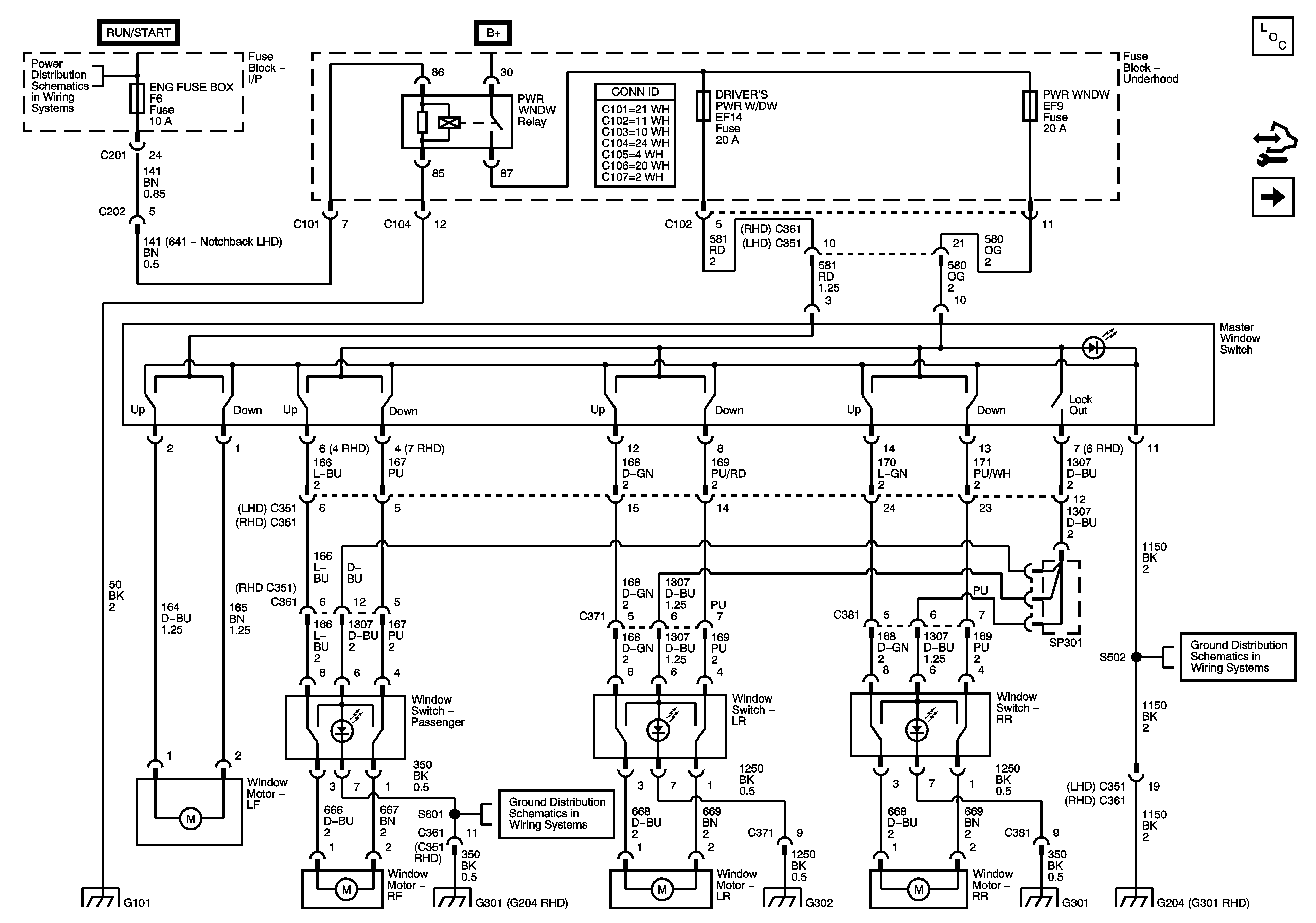
Figure
2:
Front Power Windows
Master Electrical Component List
Front/Rear Power Windows
I/P Fuse Block CLSTR, AIR BAG, BCK/UP and ENG FUSE BOX DRL Fuses
G402
G303, G401
G101
G302
G402