GM Service Manual Online
For 1990-2009 cars only
Makes
🢒
Chevrolet
🢒
2005
🢒
Optra
🢒
Body
🢒
Horns
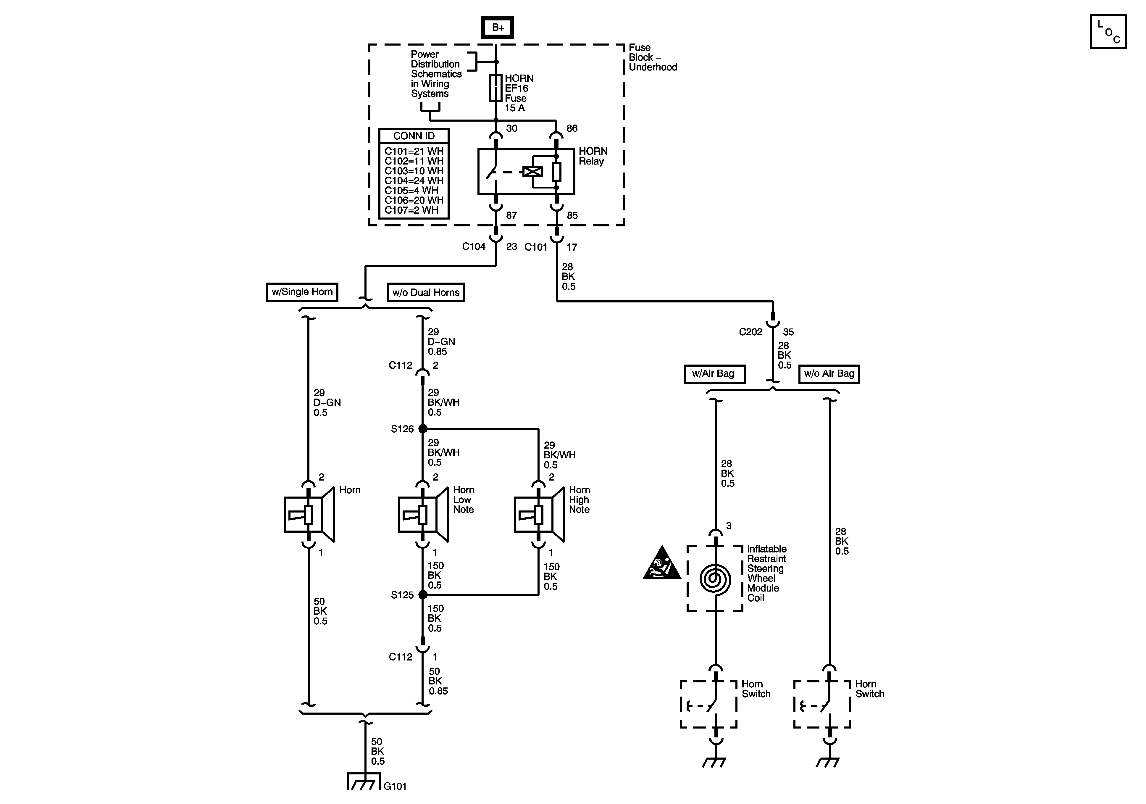
🢒 Horn Schematics
Master Electrical Component List
Underhood Fuse Block HVAC FLWR, ABS and Horn Fuses
G101