GM Service Manual Online
For 1990-2009 cars only
Makes
🢒
Chevrolet
🢒
2005
🢒
Optra
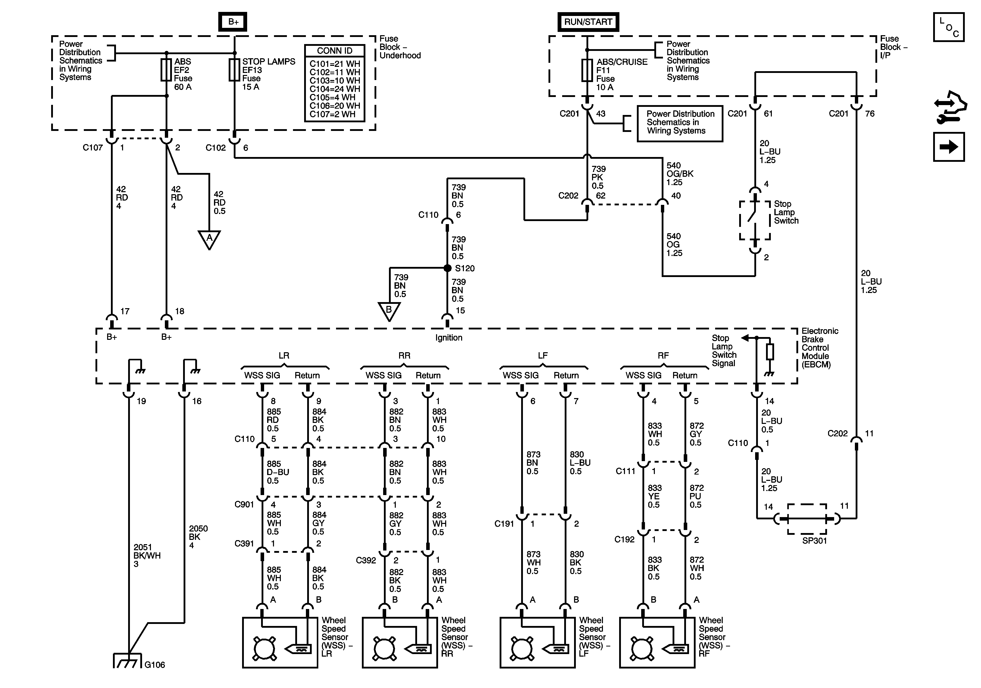
🢒 Power, Ground, Wheel Speed Sensors
Power, Ground, Wheel Speed Sensors
Powers, Grounds, Wheel Speed Sensors
Master Electrical Component List
Warning Lamps, Serial Data, Rough Road
Underhood Fuse Block HVAC FLWR, ABS and Horn Fuses
I/P Fuse Block ABS IMMOBILIZER, WRP, and TRN SIG LAMPS Fuses
I/P Fuse Block ABS IMMOBILIZER, WRP, and TRN SIG LAMPS Fuses
G201 (1 of 2)
Warning Lamps, Serial Data, Rough Road
Warning Lamps, Serial Data, Rough Road