GM Service Manual Online
For 1990-2009 cars only
Makes
🢒
Chevrolet
🢒
2005
🢒
Optra
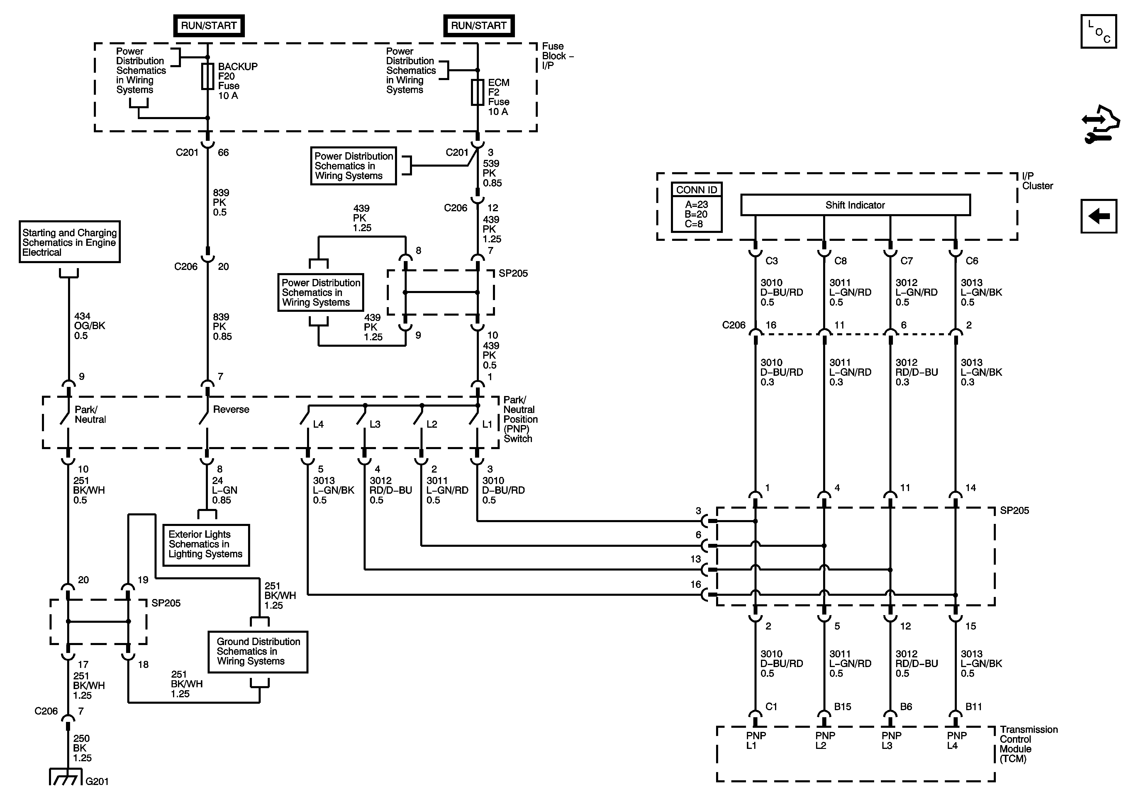
🢒 Park/Neutral Position Switch
Park/Neutral Position Switch
Park/Neutral Position (PNP) Switch
Master Electrical Component List
Vehicle Speed Signal
I/P Fuse Block CLSTR, AIR BAG, BCK/UP and ENG FUSE BOX DRL Fuses
I/P Fuse Block ECM Fuse
I/P Fuse Block ECM Fuse
Starting and Charging Schematics
G201 (2 of 2)
Battery Saver
G201 (2 of 2)
G201 (2 of 2)