GM Service Manual Online
For 1990-2009 cars only
Makes
🢒
Chevrolet
🢒
2005
🢒
Optra
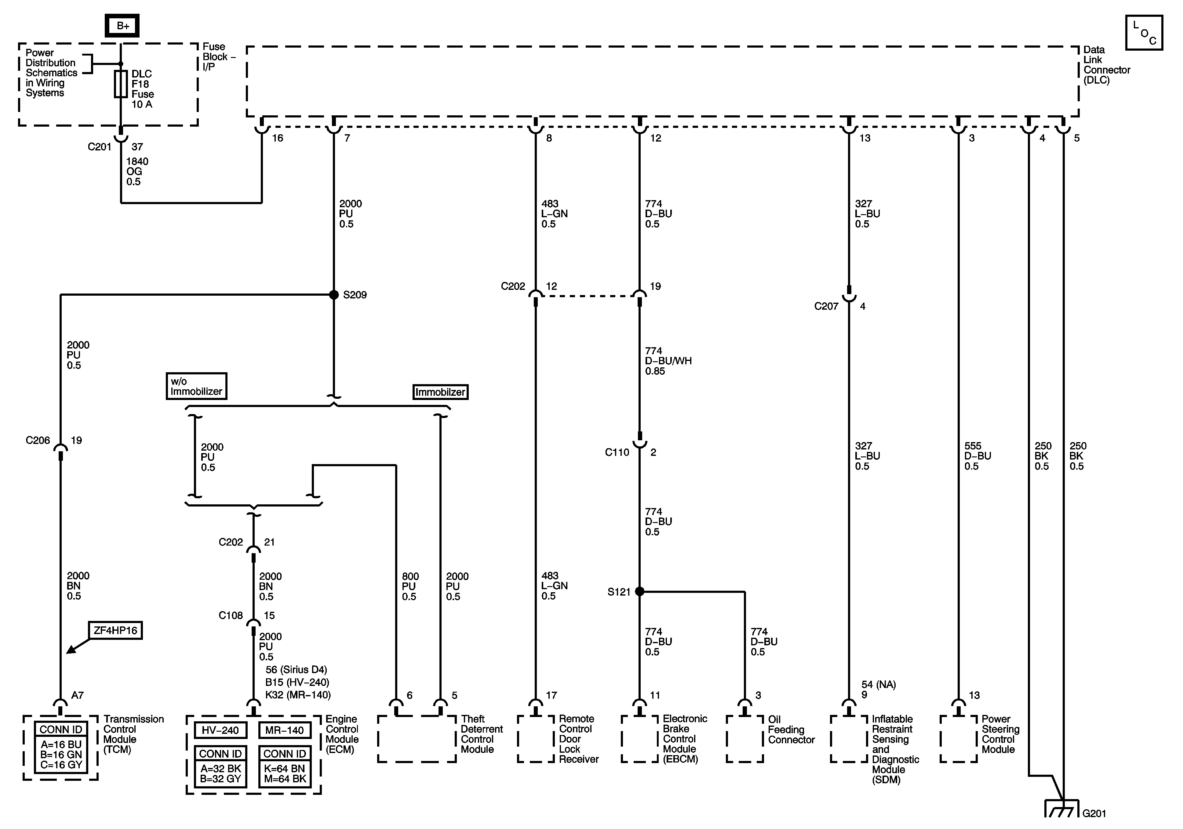
🢒 Data Link Connector Schematics
Data Link Connector Schematics
Master Electrical Component List
Underhood Fuse Block BATT PWR, IGN 1 and IGN 2 Fuses, Ignition Switch, I/P Fuse Block - RADIO, IMMOBILIZER, DLC, AUTO A/C, HAZARD LAMPS, RKE, TCM, REAR
G201 (2 of 2)