GM Service Manual Online
For 1990-2009 cars only
Makes
🢒
Chevrolet
🢒
2005
🢒
Optra
🢒 Power Folding Mirrors
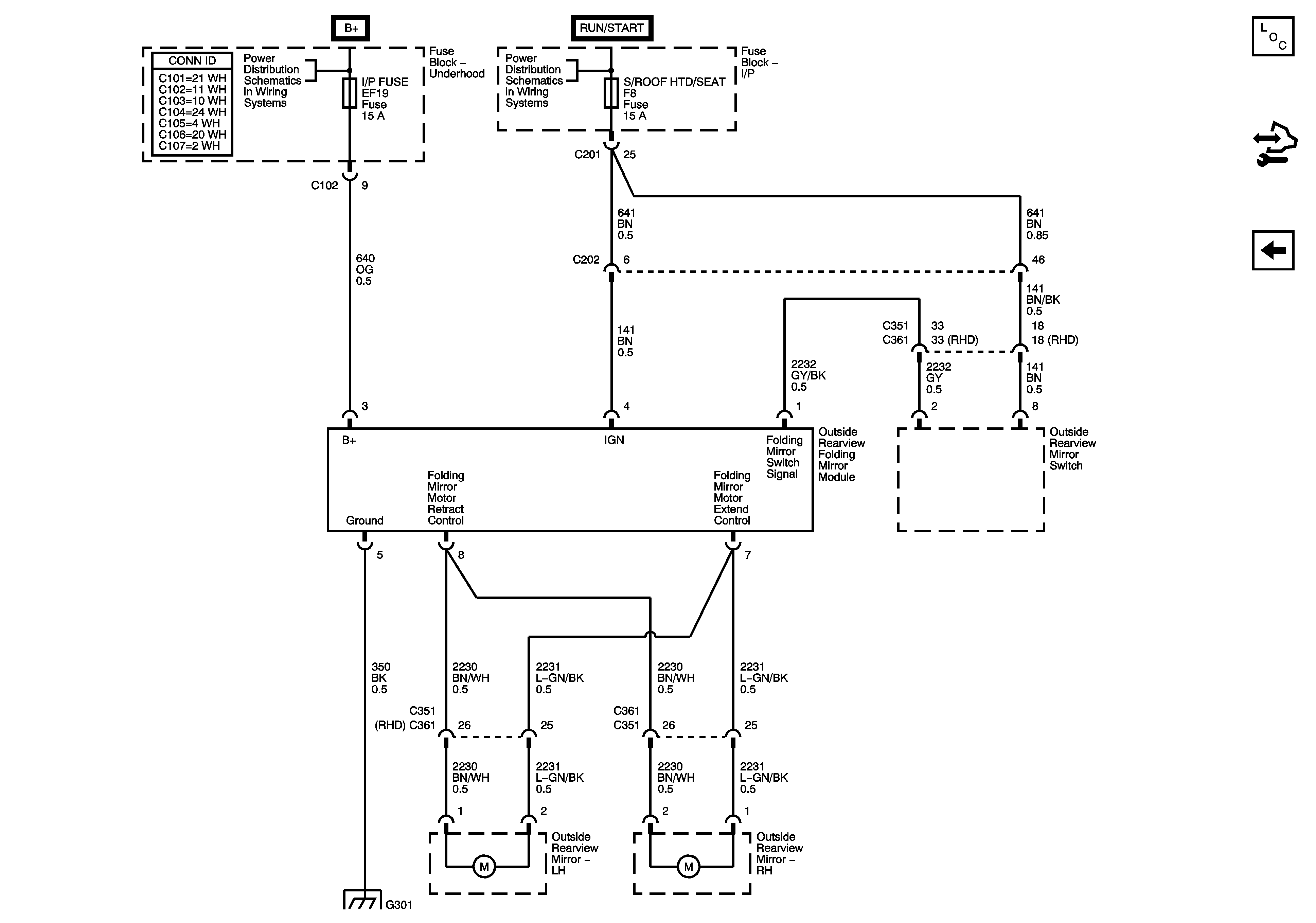
Power Folding Mirrors
Power Folding Mirrors
Master Electrical Component List
Power Mirrors
Underhood Fuse Block IP FUSE, DR/LOCK and STOP LAMP Fuses
I/P Fuse Block HVAC and S/ROOF HTD/SEAT Fuses
G205, G301
G302