GM Service Manual Online
For 1990-2009 cars only
Makes
🢒
Chevrolet
🢒
2005
🢒
Optra
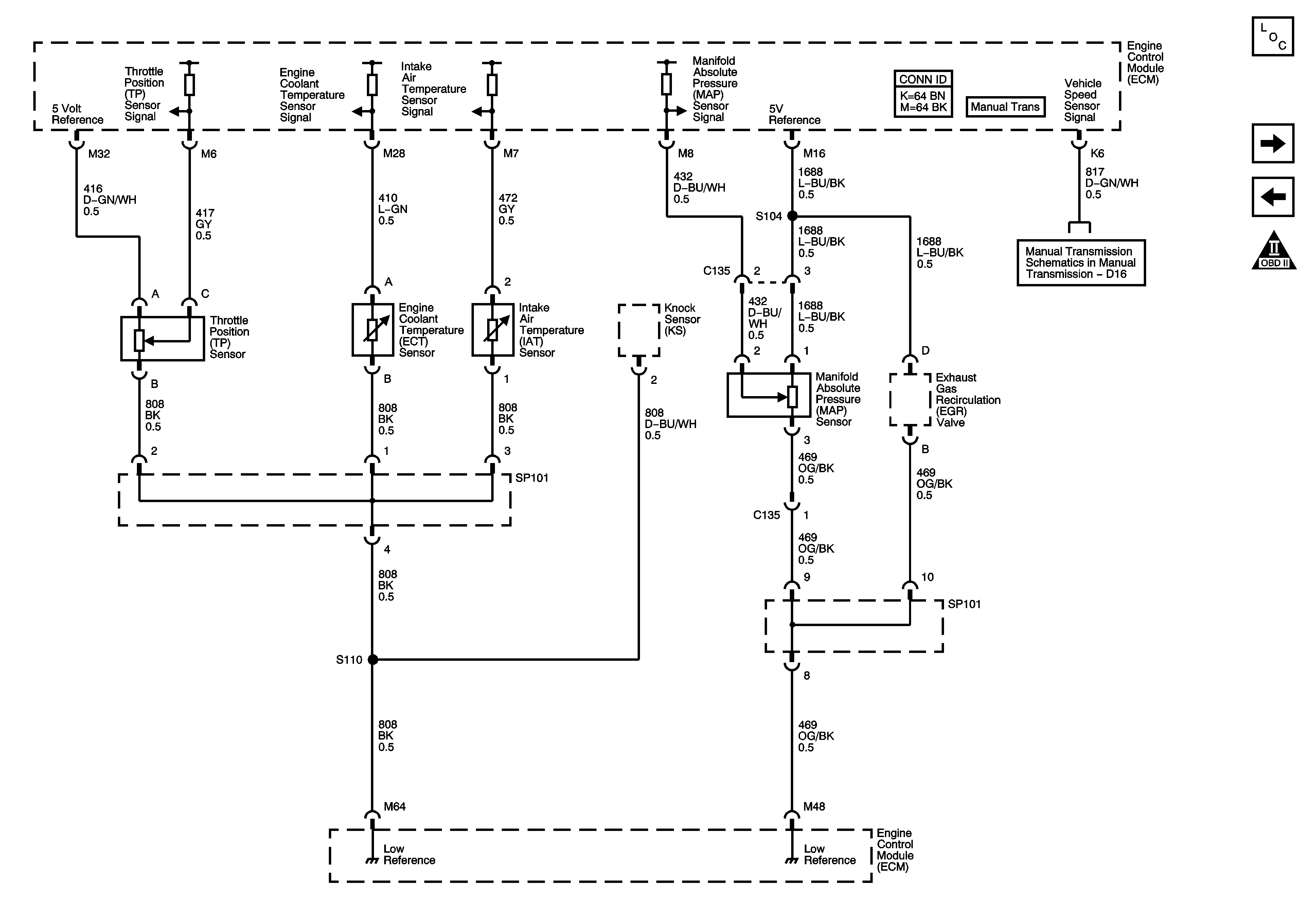
🢒 Engine Data Sensors Pressure and Temperature
Engine Data Sensors Pressure and Temperature
Engine Data Sensors - Pressure and Temperature
Master Electrical Component List
Oxygen Sensors
Module Power, Ground, Serial Data, Malfunction Indicator Lamp
OBD II Symbol Description Notice
Manual Transmission Schematics - D16