GM Service Manual Online
For 1990-2009 cars only
Makes
🢒
Chevrolet
🢒
2005
🢒
Optra
🢒 Stationary Windows
Stationary Windows
Master Electrical Component List
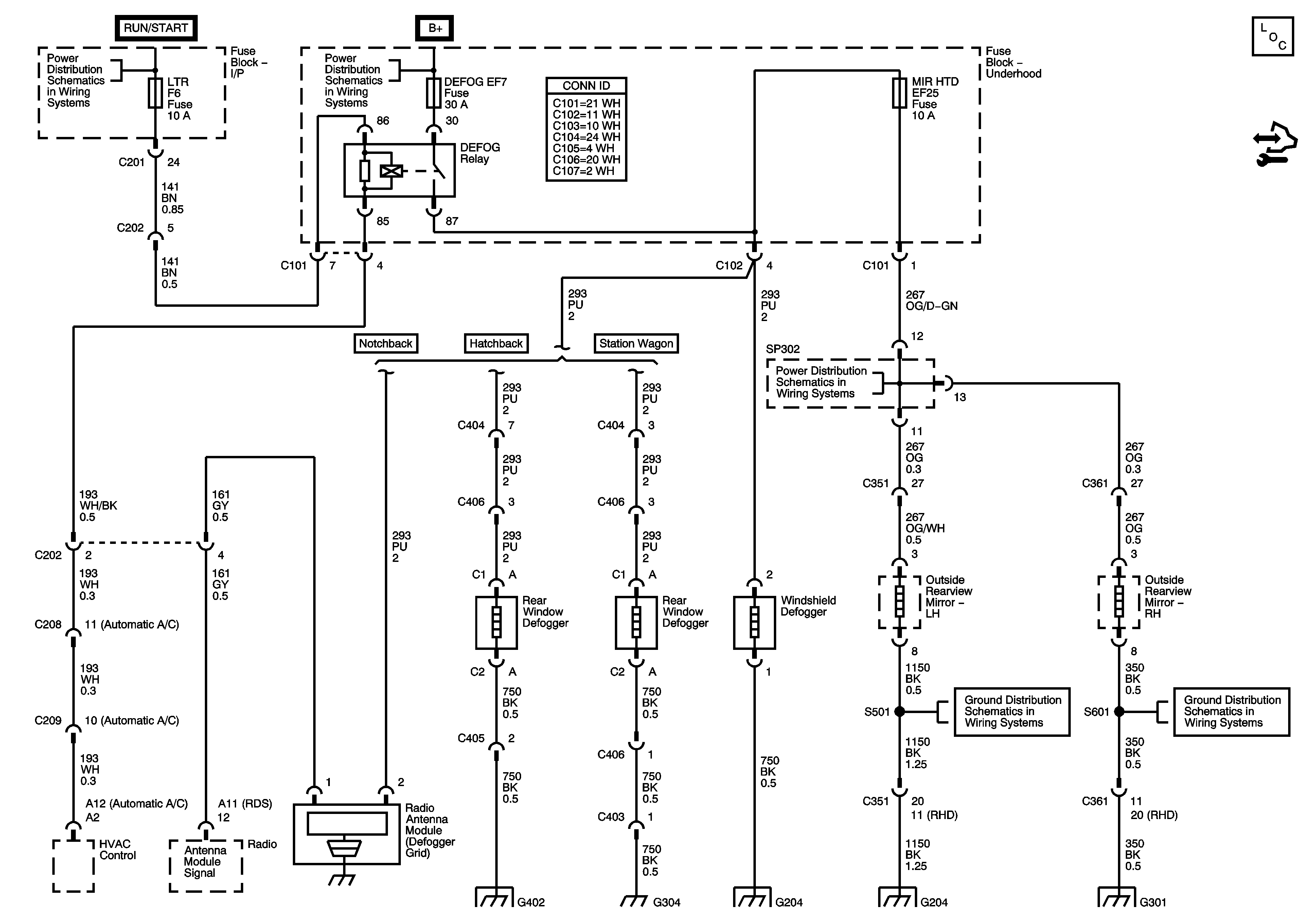
I/P Fuse Block CLSTR, AIR BAG, BCK/UP and ENG FUSE BOX DRL Fuses
Underhood Fuse Block A/C, DEFOG, and MIR HTD Fuses
Underhood Fuse Block A/C, DEFOG, and MIR HTD Fuses
G402
G205, G301
G402
G205, G301
G402 Hatchback Tailgate
G202, G204