GM Service Manual Online
For 1990-2009 cars only
Makes
🢒
Chevrolet
🢒
2005
🢒
Optra
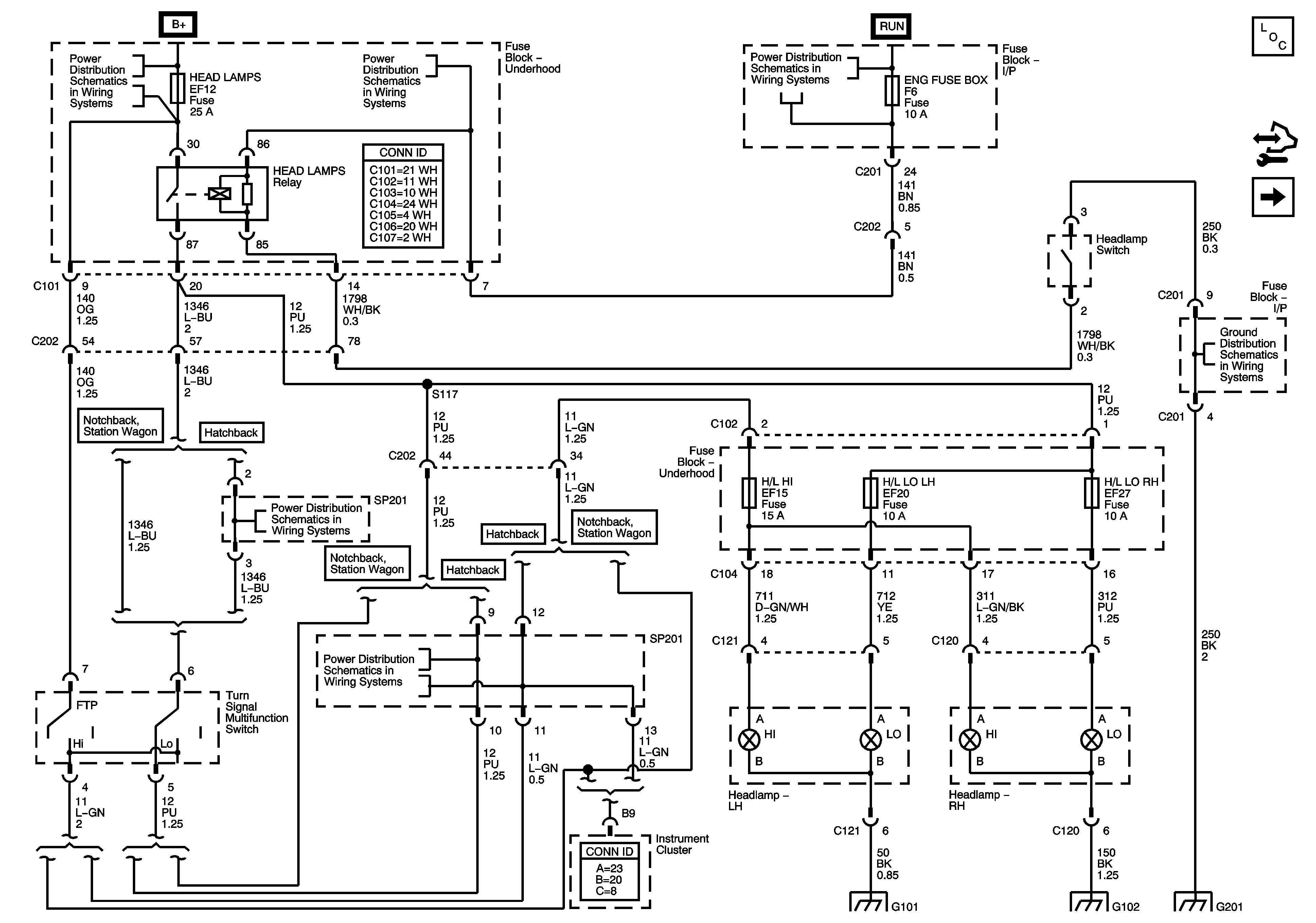
🢒 Headlamps w/o Daytime Running Lamps
Headlamps w/o Daytime Running Lamps
Headlamps - w/o Daytime Running Lamps
Master Electrical Component List
Headlamps w/Scandanavia Daytime Running Lamps
Underhood Fuse Block HEAD LAMPS FUSE
Underhood Fuse Block HEAD LAMPS FUSE
I/P Fuse Block CLSTR, AIR BAG, BCK/UP and ENG FUSE BOX DRL Fuses
G201 (2 of 2)
Underhood Fuse Block HEAD LAMPS FUSE
Underhood Fuse Block HI BEAM Fuse w/o Dimming
G101
G102
G201 (2 of 2)