GM Service Manual Online
For 1990-2009 cars only
Makes
🢒
Chevrolet
🢒
2006
🢒
Optra
🢒
Body
🢒
Wipers/Washer Systems
🢒 Wiper/Washer Schematics
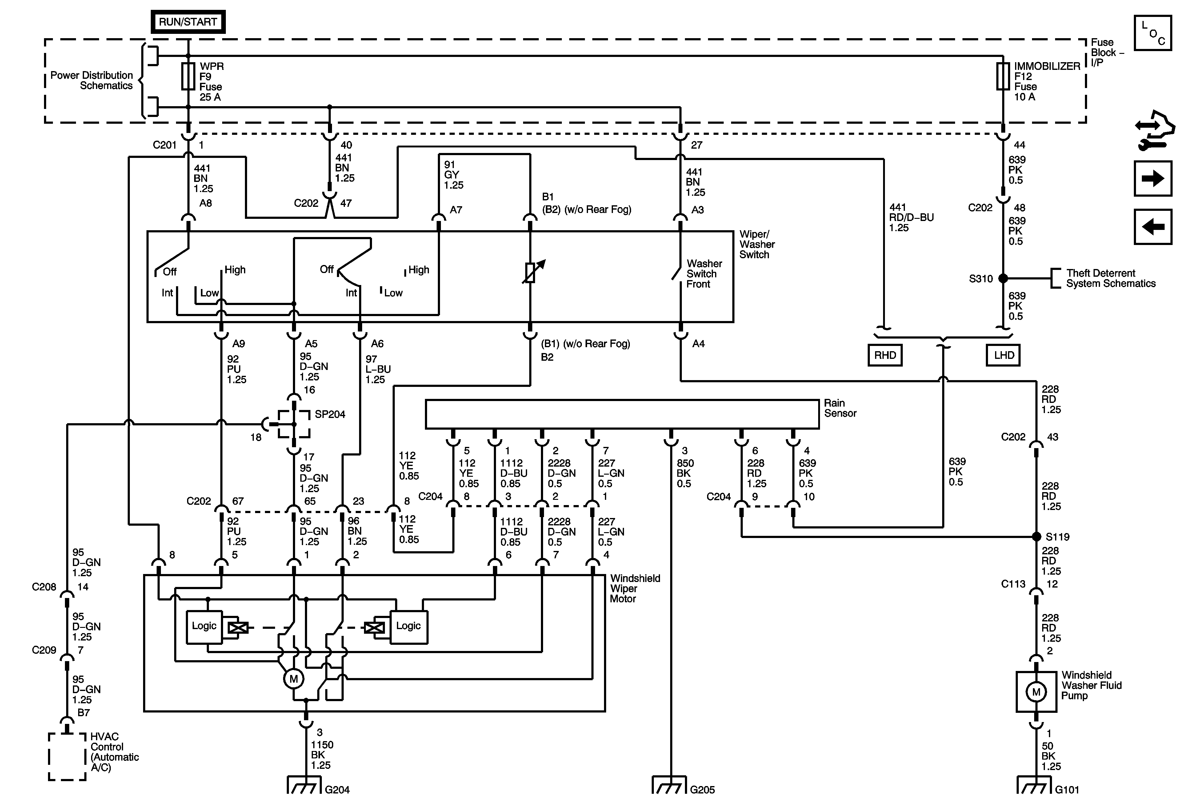
Figure
1:
Wiper System - Notchback
Master Electrical Component List
Wiper System - Hatchback and Station Wagon
I/P Fuse Block ABS IMMOBILIZER, WRP, and TRN SIG LAMPS Fuses
G101
G303 Notchback RHD
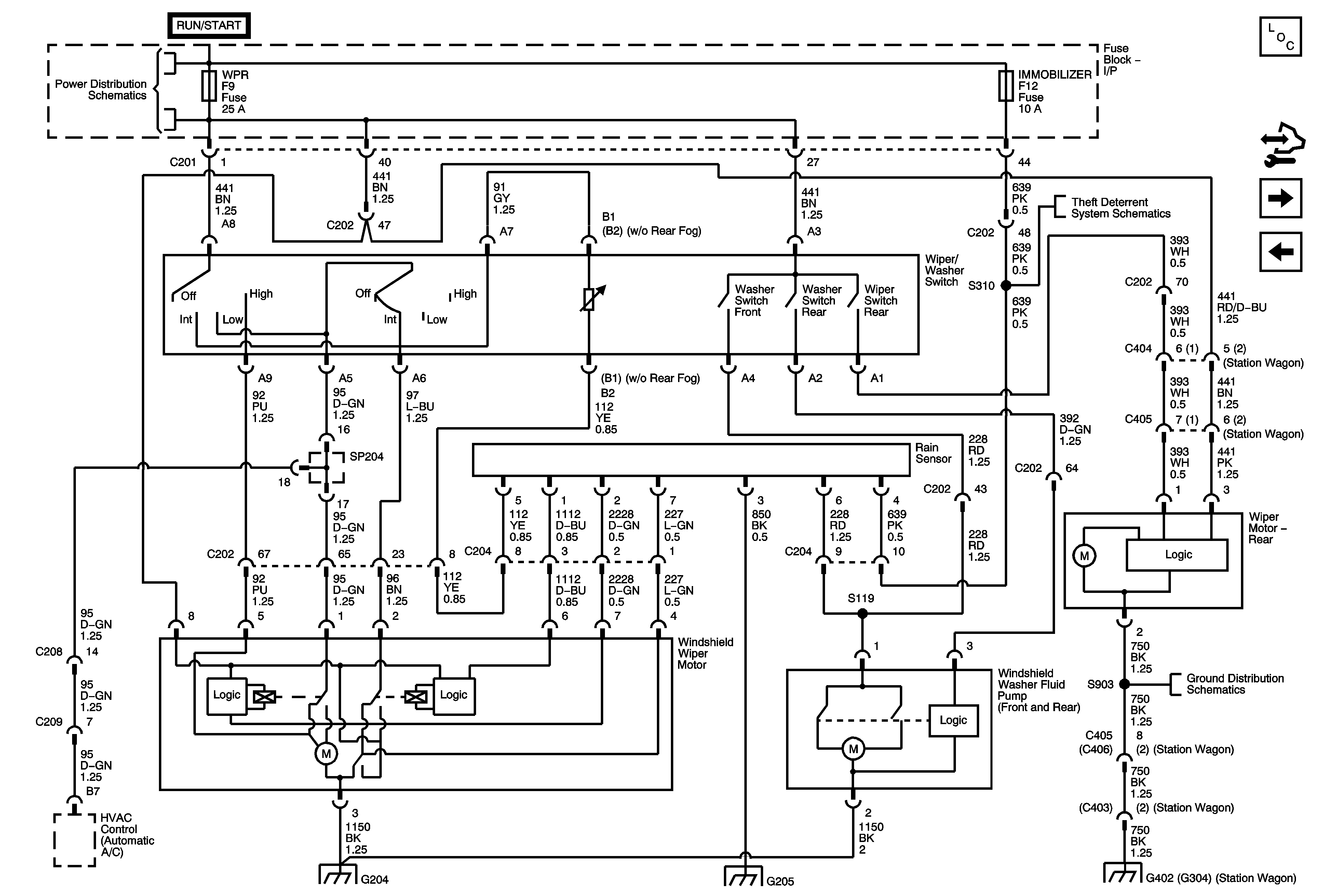
Figure
2:
Wiper System - Hatchback and Station Wagon
Master Electrical Component List
Wiper System - Hatchback and Station Wagon w/Intermittent
Wiper System - Notchback
I/P Fuse Block ABS IMMOBILIZER, WRP, and TRN SIG LAMPS Fuses
G303, G401
G402 Hatchback Tailgate
G402 Hatchback Tailgate
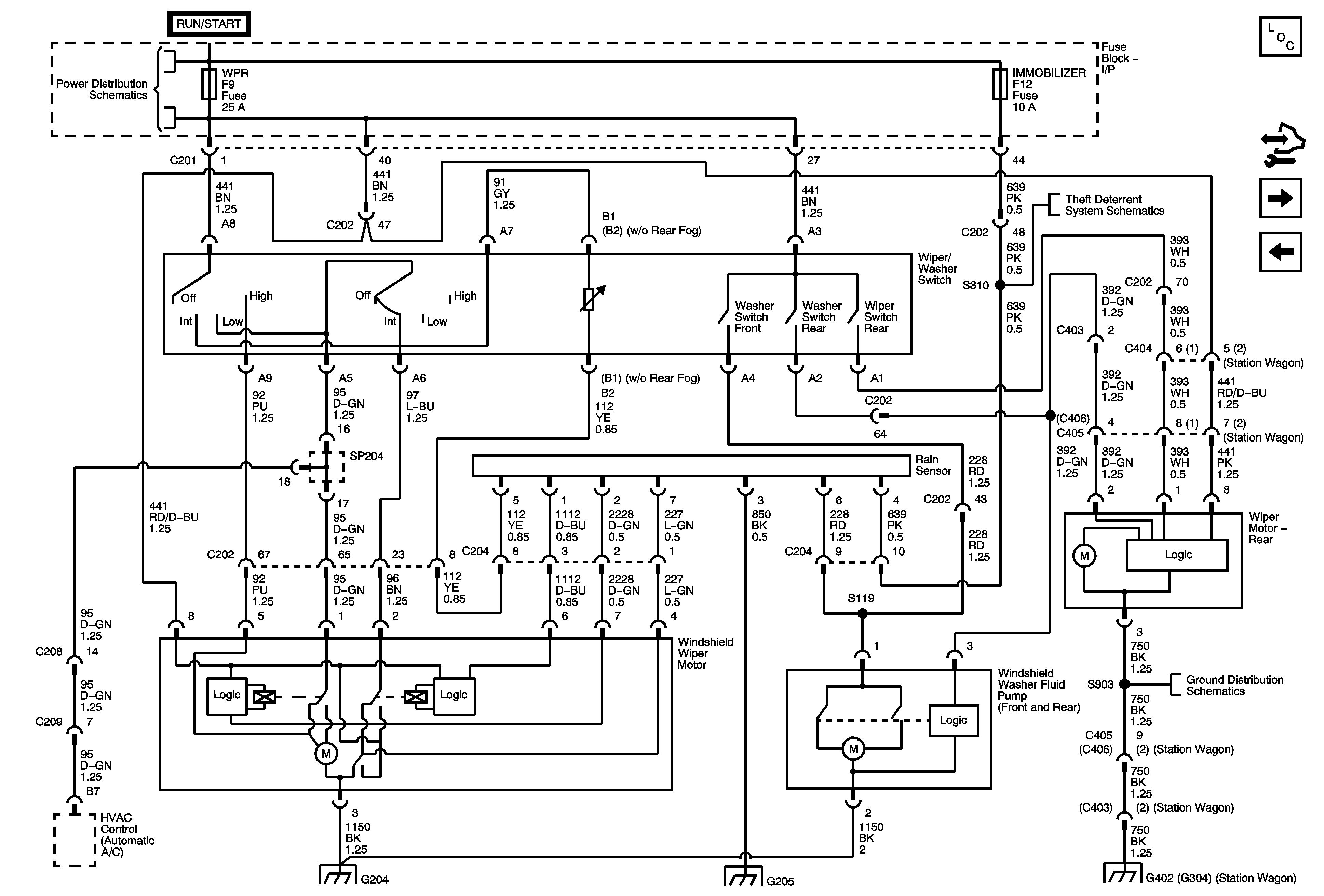
Figure
3:
Wiper System - Hatchback and Station Wagon w/Intermittent
Master Electrical Component List
Wiper System - Hatchback and Station Wagon
I/P Fuse Block ABS IMMOBILIZER, WRP, and TRN SIG LAMPS Fuses
G303, G401
G402 Hatchback Tailgate
G402 Hatchback Tailgate
Figure
4:
Wiper System - Notchback w/Rain Sensor
Master Electrical Component List
Hatchback and Station Wagon w/Rain Sensor
Wiper System - Hatchback and Station Wagon w/Intermittent
I/P Fuse Block ABS IMMOBILIZER, WRP, and TRN SIG LAMPS Fuses
Remote Control Door LK Receiver
G101
G303, G401
G204, G301
Figure
5:
Wiper System - Hatchback and Station Wagon w/Rain Sensor
Master Electrical Component List
Hatchback and Station Wagon w/Intermittent and Rain Sensor
Notchback w/Rain Sensor
I/P Fuse Block ABS IMMOBILIZER, WRP, and TRN SIG LAMPS Fuses
Remote Control Door LK Receiver
G204, G301
G303, G401
G402 Hatchback Tailgate
G402 Hatchback Tailgate
Figure
6:
Wiper System - Hatchback and Station Wagon w/Intermittent and Rain Sensor
Master Electrical Component List
Hatchback and Station Wagon w/Rain Sensor
I/P Fuse Block ABS IMMOBILIZER, WRP, and TRN SIG LAMPS Fuses
Remote Control Door LK Receiver
G204, G301
G303, G401
G402 Hatchback Tailgate
G402 Hatchback Tailgate