GM Service Manual Online
For 1990-2009 cars only
Makes
🢒
Chevrolet
🢒
2006
🢒
Optra
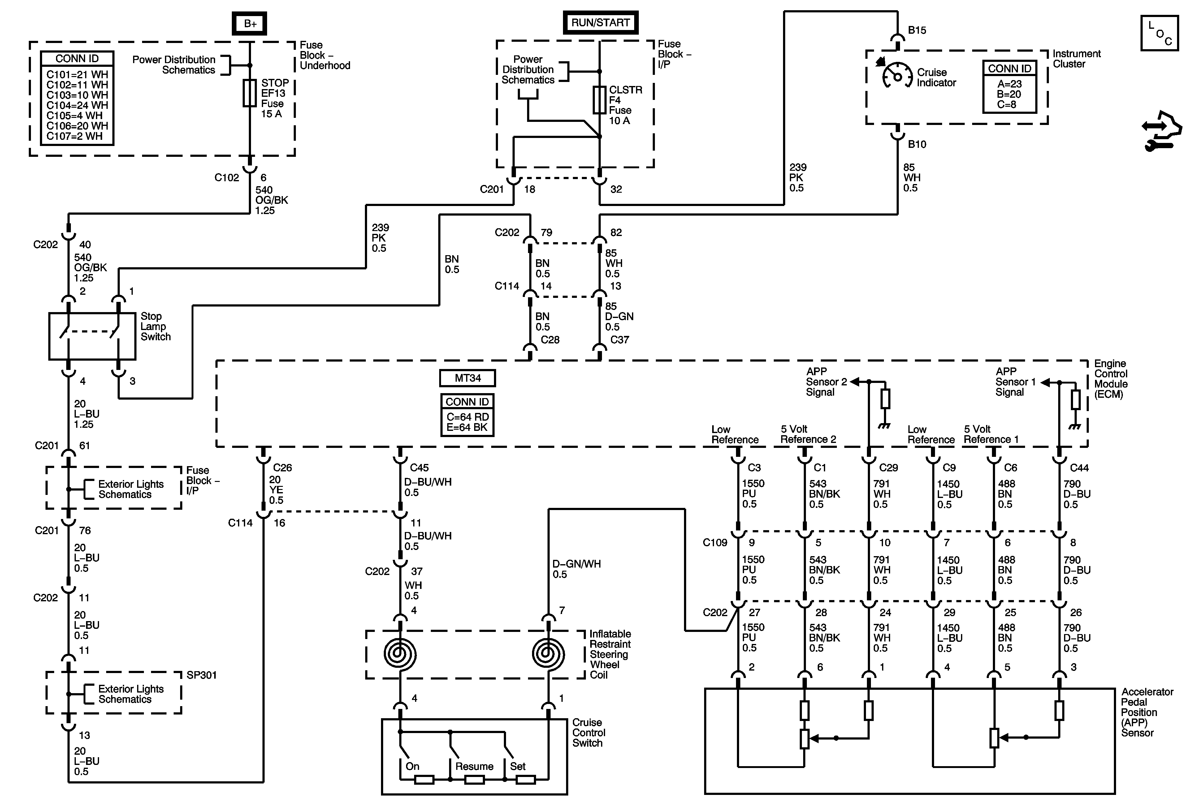
🢒 Cruise Control w/Throttle Actuator Control
Cruise Control w/Throttle Actuator Control
Master Electrical Component List
I/P Fuse Block CLSTR, AIR BAG, BCK/UP and ENG FUSE BOX DRL Fuses
Underhood Fuse Block IP FUSE, DR/LOCK and STOP LAMP Fuses
Stop Lamps Notchback
Stop Lamps Notchback