GM Service Manual Online
For 1990-2009 cars only
Makes
🢒
Chevrolet
🢒
2007
🢒
Optra
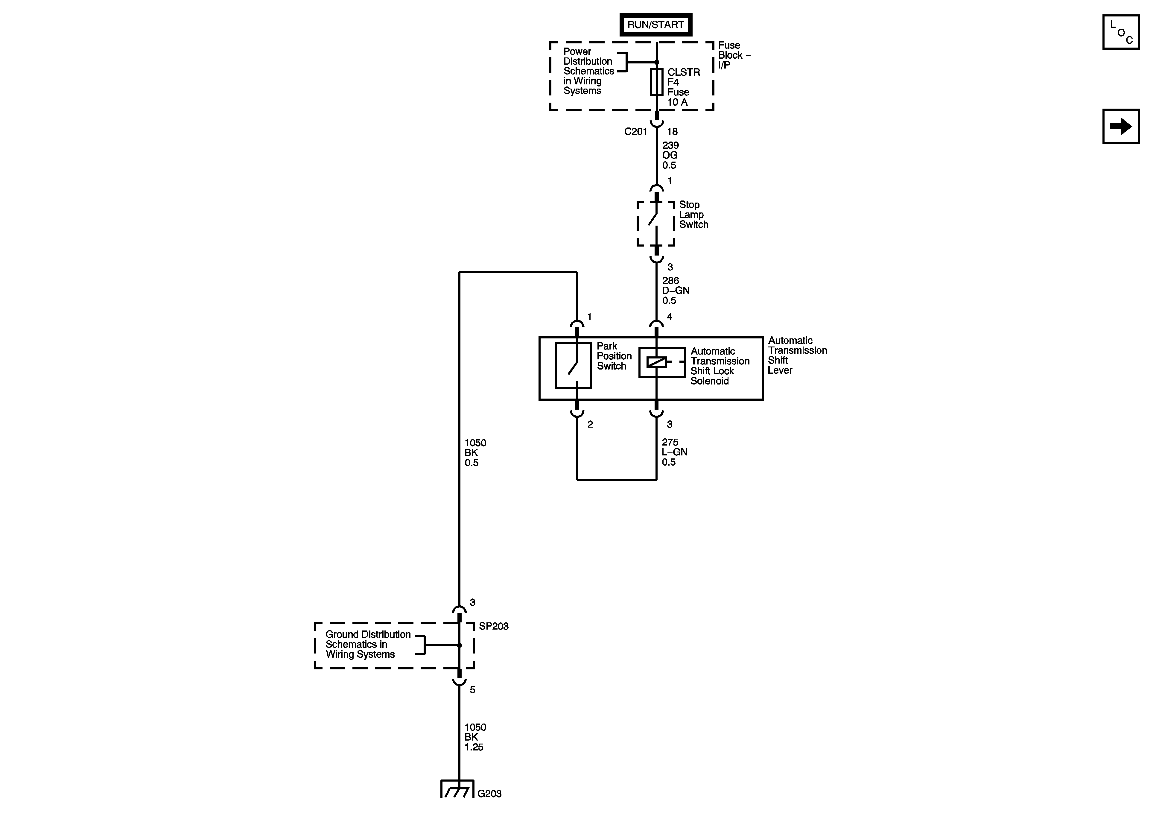
🢒 Automatic TransmissionShift Lock w/o Ignition Lock Cylinder Control Actuator
Automatic TransmissionShift Lock w/o Ignition Lock Cylinder Control Actuator
Automatic Transmission Shift Lock Control Schematics - w/o Ignition Lock Cylinder Control Actuator
Master Electrical Component List
Underhood Fuse Block - Battery Feeds - 1of 2
G101
G203