GM Service Manual Online
For 1990-2009 cars only
Makes
🢒
Chevrolet
🢒
2007
🢒
Optra
🢒 Horn Schematics
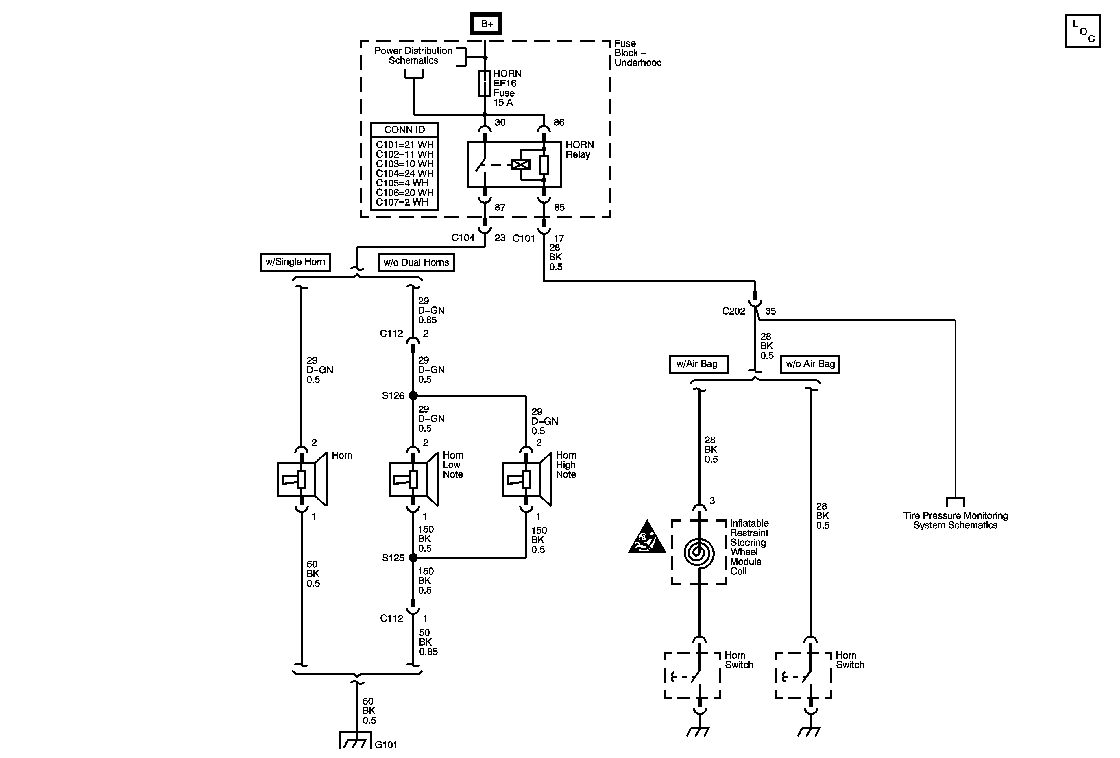
Horn Schematics
Master Electrical Component List
Horn Schematic Icons
Tire Pressure Monitoring System Schematics
Underhood Fuse Block - Battery Feeds - 1of 2
G101