GM Service Manual Online
For 1990-2009 cars only
Makes
🢒
Chevrolet
🢒
2007
🢒
Optra
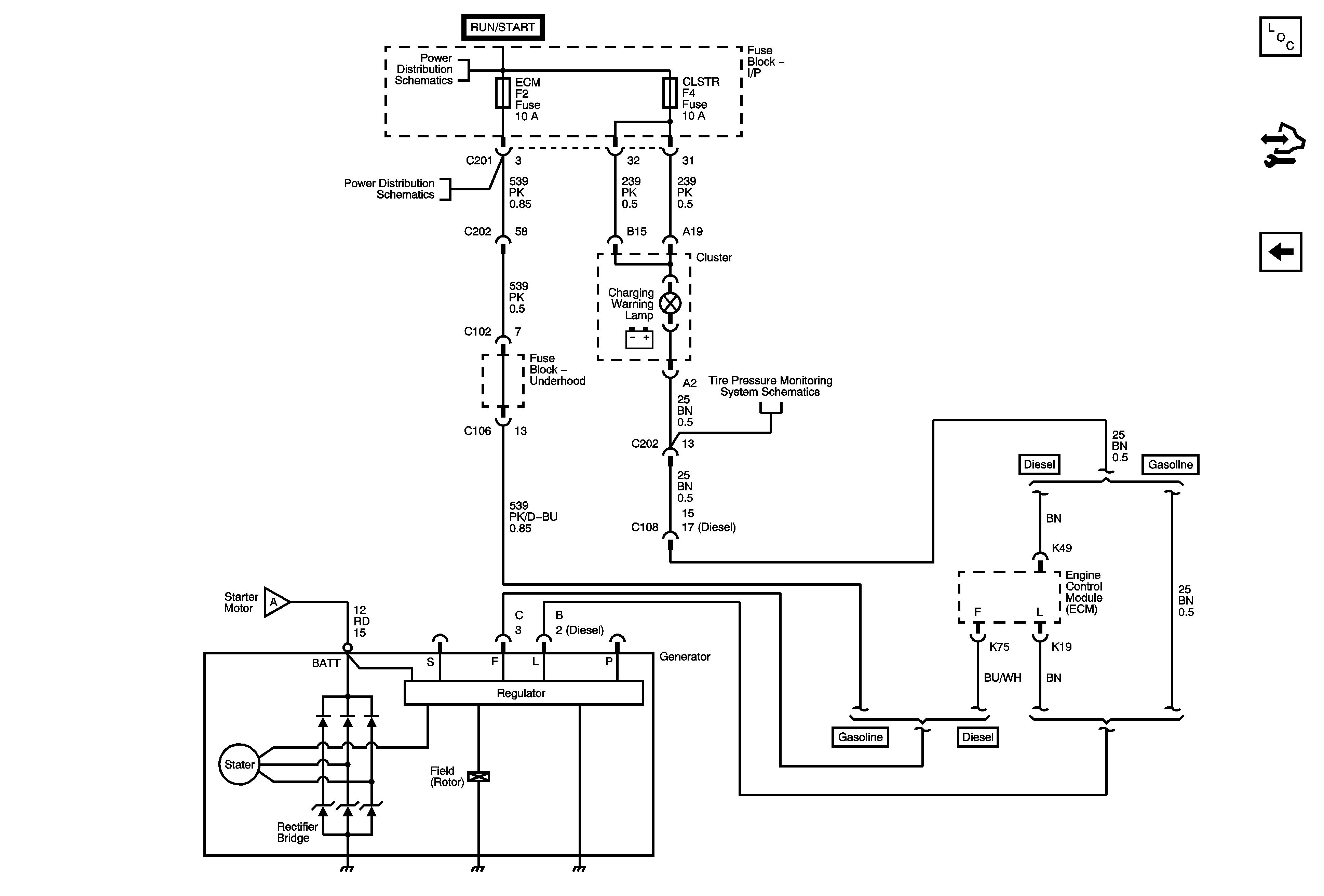
🢒 Charging
Charging
Charging
Master Electrical Component List
Control Module References
Starting
I/P Fuse Block - ECM Fuse
I/P Fuse Block - ECM Fuse
Starting