GM Service Manual Online
For 1990-2009 cars only
Makes
🢒
Chevrolet
🢒
2007
🢒
Optra
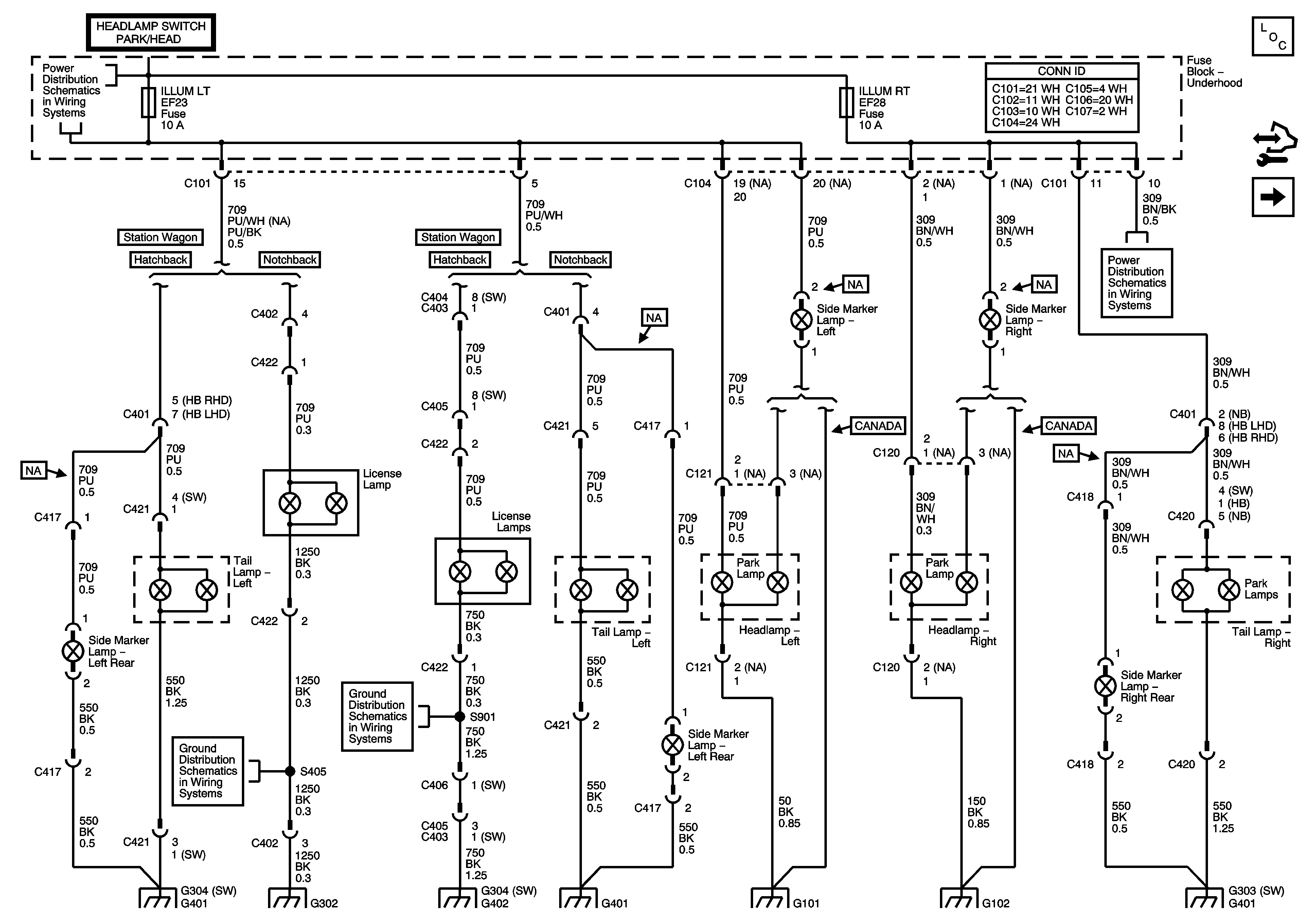
🢒 Park Lamps and License Plate Lamps
Park Lamps and License Plate Lamps
Park Lamps and License Plate Lamps
Master Electrical Component List
Control Module References
Turn and Hazard Lamps - North America
Underhood Fuse Block - Battery Feeds - 1of 2
Underhood Fuse Block - Battery Feeds - 1of 2
G101
G101
G303, G401
G304
G302
G304
G402
G303, G401
G101
G102
G303, G401