GM Service Manual Online
For 1990-2009 cars only
Makes
🢒
Chevrolet
🢒
2007
🢒
Optra
🢒 Wiper System - Hatchback and Station Wagon
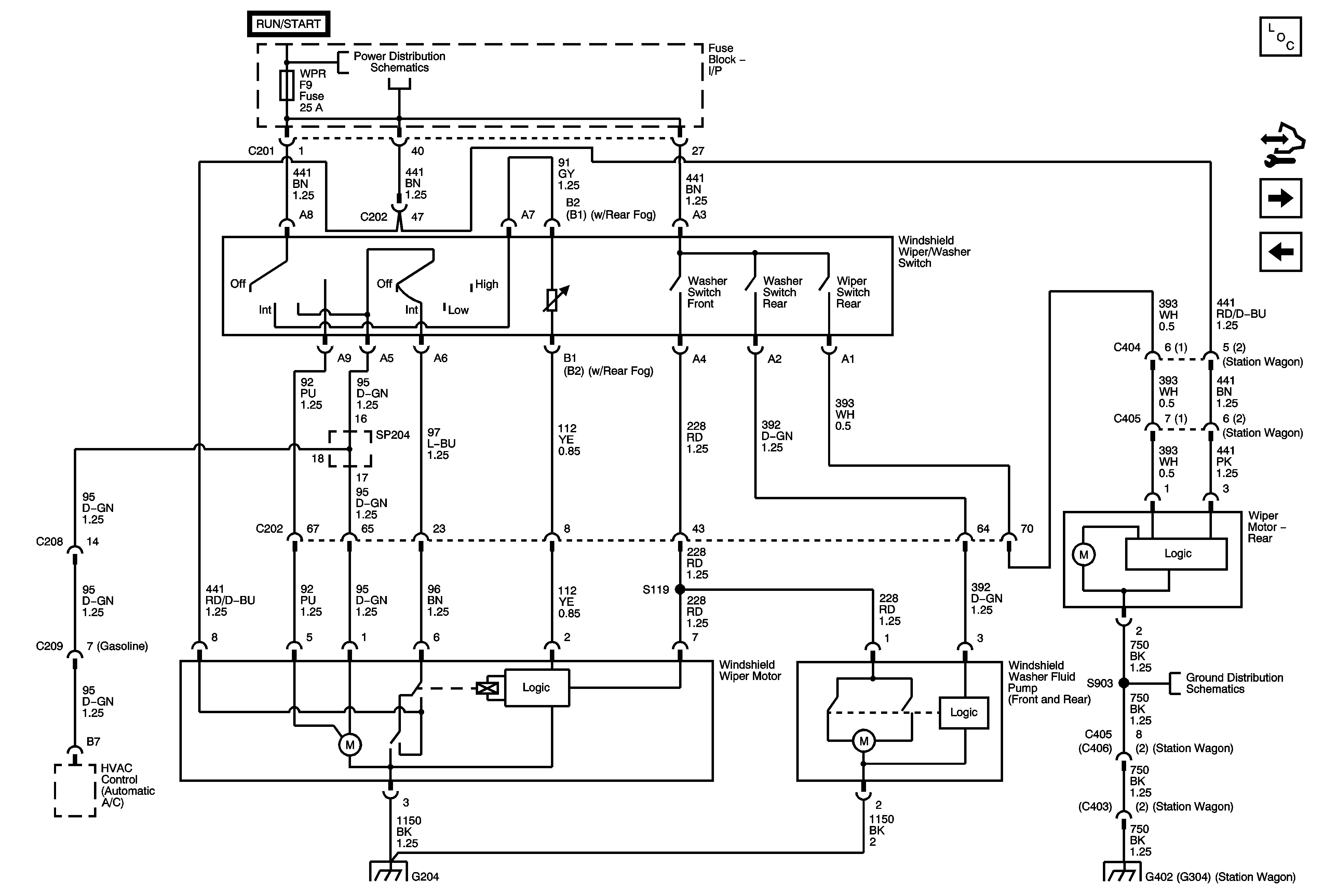
Wiper System - Hatchback and Station Wagon
Wiper System - Hatchback and Station Wagon
Master Electrical Component List
Control Module References
Wiper System - Hatchback and Station Wagon w/Intermittent
Wiper System - Notchback
Underhood Fuse Block - Battery Feeds - 1of 2
G202, G204
G101
G304
G402